Interior lights not working?

2005 CHEVROLET IMPALA
Avatar
ESPNFAN41
  • MEMBER
  • 1 POST
The dome/entry lights arent working properly. The 2 at the driver's and passenger's feet turn on and work fine but the 2 in the rearview mirror and the 2 above the back doors dont turn on or work at all. My assumption is that it is a fuse but I dont know which one it is if it is a fuse and not something else. How do I fix this?
Jul 10, 2010 at 12:14 AM
Advertisement
Avatar
FIXITMR
  • CERTIFIED EXPERT
  • 9,990 POSTS
on my van the problem was the front dome/map switch.i had to work it alot to get all upper lights come on and will have to take apart and clean contacts maybe with fine sandpaper.
Jun 17, 2019 at 12:19 PM
Avatar
STRAILER
  • CERTIFIED EXPERT
  • 53,855 POSTS
Hey Guys,

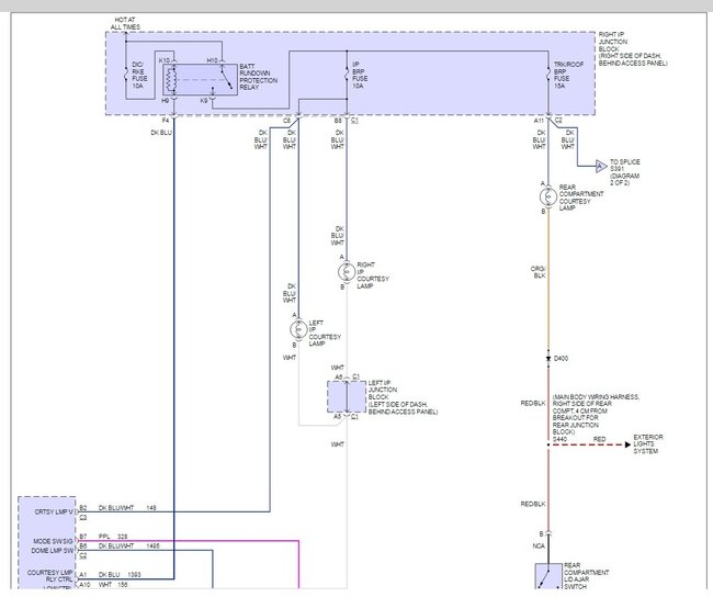
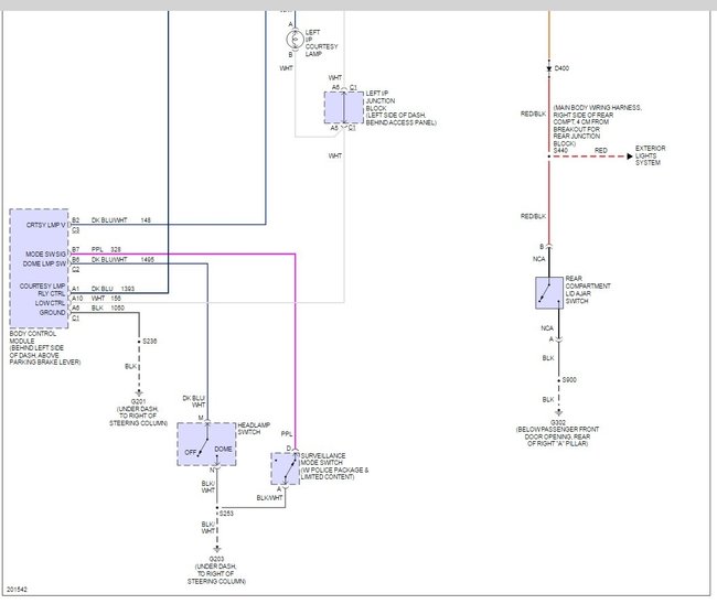
It looks like it could be the battery run down relay or the BCM here is a wiring diagram to help you test for the problem.

https://www.2carpros.com/articles/how-to-use-a-test-light-circuit-tester


Run some tests and get back to us so we can continue helping you.

Best, Ken


Jun 17, 2019 at 12:19 PM
Advertisement
Avatar
DEVILZ REJECT
  • MEMBER
  • 0 POST
the BRP fuse was out in my car, thanks for the info.
Dec 13, 2020 at 8:30 AM
Avatar
PAUL F WEBER
  • MEMBER
  • 1 POST
How do I replace bulbs?
Dec 13, 2020 at 8:30 AM (Merged)
Avatar
STEVE W.
  • CERTIFIED EXPERT
  • 15,113 POSTS
If you mean the ones up by the roof you pull the handle down, the end caps pop off and there are screws under them. Remove the screws and the handle comes off, light will come free once you remove the handle. Then you pull the wiring free and can change the bulb.
Dec 13, 2020 at 8:30 AM (Merged)
Avatar
TABODEAU4
  • MEMBER
  • 1 POST
Ok, I got that. Can you tell me why I don’t have a dome light in the roof of my 2003 Chevrolet Impala?
Dec 13, 2020 at 8:30 AM (Merged)
Avatar
MASTERWRENCH
  • CERTIFIED EXPERT
  • 258 POSTS
Hello,

I would start by removing the dome lamp lens and checking the bulb to make sure it isn't blown. The lens is removed by inserting a small screw driver in the tab and gently prying it off (see attached picture). If the bulb is good, l suggest checking the fuse. In this case, the fuse is located in the fuse panel on the right side end of the dash. The one you're looking for is labeled TRK/ROOF BRP (see attached diagrams).

Let us know what you find!
Dec 13, 2020 at 8:30 AM (Merged)
Avatar
FAST150
  • MEMBER
  • 3 POSTS
I have a 2002 Impala LS. Just purchased it recently, and the interior/courtesy lamps in the rear seat do not work, along with the cigarette lighter in the front, i have checked the fuses and they appear to be ok. Just wondering what my next step should be as far as diagnosing this. I absolutely love the car and these are minor issues, just a hassle as we have a 3 year old and it makes it a little tougher to get him strapped into the car at night.
Dec 13, 2020 at 8:30 AM (Merged)
Avatar
ERNEST CLARK
  • CERTIFIED EXPERT
  • 1,730 POSTS
First you'll have to find out if the cigarette lighter and rear lamps are on the same circuit.

The rear lights are usually on the circuit with the dome light and door lights. The cigarette lighter is usually on its own circuit because people frequently use them to power different devices.

With the cigarette lighter, have you tried plugging other devices into the socket other than a lighter??? Because sometimes the lighter itself will go bad, and not the plug.

If nothing works, then you'll have to check the back of the plug to see if the connector/wiring is good. If it is, then you'll have to probe the circuit with a test light backwards towards the fuse box until you find the break.

For your rear lights, does the dome light work??? If so, then it's in the wiring just for the rear lights and you'll have to trace the circuit to the fuse box. If the dome light does not work, then you'll have to trace the circuit from the lights to the switch, then from the switch to the fuse box.
Dec 13, 2020 at 8:30 AM (Merged)
Avatar
FAST150
  • MEMBER
  • 3 POSTS
i managed to check the fuse for the cig. lighter, it was blown, replaced it and now that works fine, needs a new element but dont normally use it for that so no big deal. can't seem to find a fuse for the rear lamps, have a service manual and it has a diagram in it, but as cold as it has been i don't want to tear the interior apart for fear of breaking everything. it's one of those things that may have to wait for spring, or untill i can get it in somewhere warm overnight and work on it the next day. in the meantime im going to try and sort the diagrams out so that i have an idea of what i'm looking for. looking at it the colors appear to be dark blue/ white stripe, gray and black? and would imagine that they are located in the headliner or b- pillar? i have dvom, short-finder, test light, pretty much all the equipment needed, just needed a little bit of direction on where to start. thanks a bunch, hopefully we can figure it out once we get some weather!
Dec 13, 2020 at 8:30 AM (Merged)
Avatar
ERNEST CLARK
  • CERTIFIED EXPERT
  • 1,730 POSTS
No problem.

And the diagram should have a "Key" that explains the color coding of the wires.

The easiest way to read a diagram is to trace out the specific circuit with a pen. It'll isolate it from the meaningless stuff and allow you to understand it better.

And the wires will usually run up an A pillar or C pillar. I haven't ran into any cars where the wires were ran through a B pillar. Though I'm sure they exist.

Finally, on-line subscriptions to alldata or mitchells are much better for a D.I.Y.er. They give you access to 1000x more information than a paper manual, and cost about the same price. And they have diagnostic procedures as well.

Good luck.
Dec 13, 2020 at 8:30 AM (Merged)
Avatar
FAST150
  • MEMBER
  • 3 POSTS
oh wow i didn't even know you could do that with alldata or mitchell. i've used them before and would agree that the infomation is 100 times better lol. just thought it would be too expensive for no more than I would use it. learn somethin new every day! thanks again!
Dec 13, 2020 at 8:30 AM (Merged)
Avatar
ERNEST CLARK
  • CERTIFIED EXPERT
  • 1,730 POSTS
At AutoZone you can purchase a "Single vehicle" subscription for 25-30 dollars, depending on the vehicle.
Dec 13, 2020 at 8:30 AM (Merged)
Avatar
ROBERT PARKER2
  • MEMBER
  • 1 POST
How do I replace bulb and what part number is it?
Dec 13, 2020 at 8:30 AM (Merged)
Avatar
STEVE W.
  • CERTIFIED EXPERT
  • 15,113 POSTS
If you mean the ones in the door handle itself. You will find two covers that you can remove with a small screwdriver. They have small slots on the sides and will snap out of the handle ends. Next you will find two screws, remove those. Remove the handle. Watch for the retainers that hold the light in, they like to fall out.
Next you pull the light plate out, there will be a loop that is glued in place gently pull it free. Now you can slide the socket off of the lens rails. (some have a dab of glue some have a clip) Now you can change the bulb.

It has been a while but I believe those are # 192 bulbs.
Dec 13, 2020 at 8:30 AM (Merged)
Avatar
FAST150
  • MEMBER
  • 3 POSTS
Weird... both bulbs were bad.. replaced than and it all works perfect. Thanks for the help
Dec 13, 2020 at 8:30 AM (Merged)
Avatar
BSISAACKS
  • MEMBER
  • 1 POST
There is a delay when I try to use the auto lock, for the lights to come on, the interior lights flicker once in a while and my battery sensor light keeps coming on. My mechanic thought it was my battery and I paid for a brand new one but still have the same problem. What is going on?
Dec 13, 2020 at 8:30 AM (Merged)
Avatar
GMTECH
  • CERTIFIED EXPERT
  • 537 POSTS
So when you use the power lock switch or keyless entry? There is a delay if you try to lock when you have a door open so you can get someone out of the back seat... usually a five second delay after the last door closes. When do the lights flicker? are you operating something or just by themselves. Just the interior lights or dash lights too. If the battery sensor light is coming on maybe the charging system is not functioning properly, maybe a voltage regulator?
Dec 13, 2020 at 8:30 AM (Merged)
Avatar
JMED9368
  • MEMBER
  • 1 POST
Electrical problem
2001 Chevy Impala 6 cyl Two Wheel Drive 170000 miles

My a/c, cruise c ontrol, and interior lights dont work most of the time. But when one works they all work too. An they work great too. Somehow they are all connected and I want to know how. Is there a relay/fuse to be changed. Its on a 2001 Chevy Impala. Thanks
Dec 13, 2020 at 8:31 AM (Merged)
Avatar
BASSTECH
  • MEMBER
  • 236 POSTS
on the left side dash fuse panel there is a fuse labeled:
a/c cruise

you may want to look into that being loose or a wiring issue in or around the fuse box.

or you may have a body control module problem.
Dec 13, 2020 at 8:31 AM (Merged)