brake light switch replacement?

1998 CHEVROLET MALIBU
71,000 MILES • 6 CYL • 2WD • AUTOMATIC
Avatar
PAPA1ONE
  • MEMBER
  • 1 POST
i need to replace the brake light switch. i have the new switch but can't seem to find it under the dash.
Jan 5, 2008 at 8:19 PM
Advertisement
Avatar
DANNY L
  • CERTIFIED EXPERT
  • 5,648 POSTS
Hello, I'm Danny.

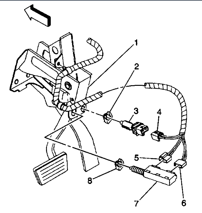
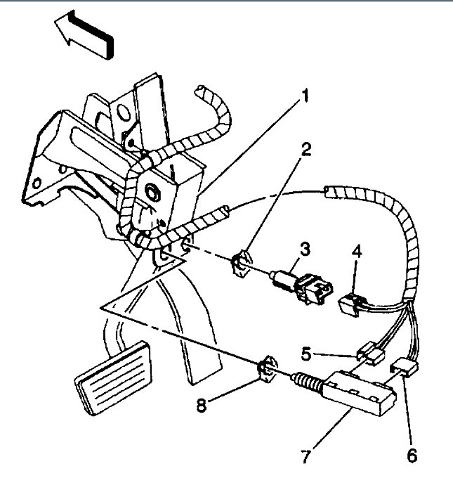
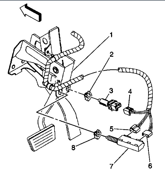
I've attached picture brake light switch replacement steps below. This includes the location for the switch located near the brake pedal on your car. Hope this helps and thanks for using 2CarPros.
Nov 27, 2020 at 7:55 PM
Avatar
KASEKENNY
  • CERTIFIED EXPERT
  • 18,907 POSTS
It is located on the shaft of the brake pedal. I attached the information from the manual below for your review.

Let us know if you need more info. Thanks
Nov 27, 2020 at 7:58 PM
Advertisement