parking lights came on with no key in and stay on?

2001 CHEVROLET MALIBU
181,847 MILES • 6 CYL • 2WD • AUTOMATIC
Avatar
EJOHNICS
  • MEMBER
  • 3 POSTS
Hello, my cars parking lights came on with no key in and stay on. The car won't stay running dies immediately. I believe there may be an open ground somewhere but I don't know where to start. Also the dash lights take a few seconds before they come on then they stay on and never go off and the door locks have no power to them, the dome light also won't come on.
I believe the car will start once I find the short in my electrical problem. Any suggestions would be really appreciated.
Thank you
Sep 17, 2010 at 12:47 PM
Advertisement
Avatar
KASEKENNY
  • CERTIFIED EXPERT
  • 18,907 POSTS
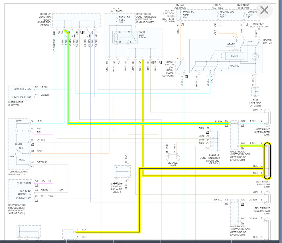
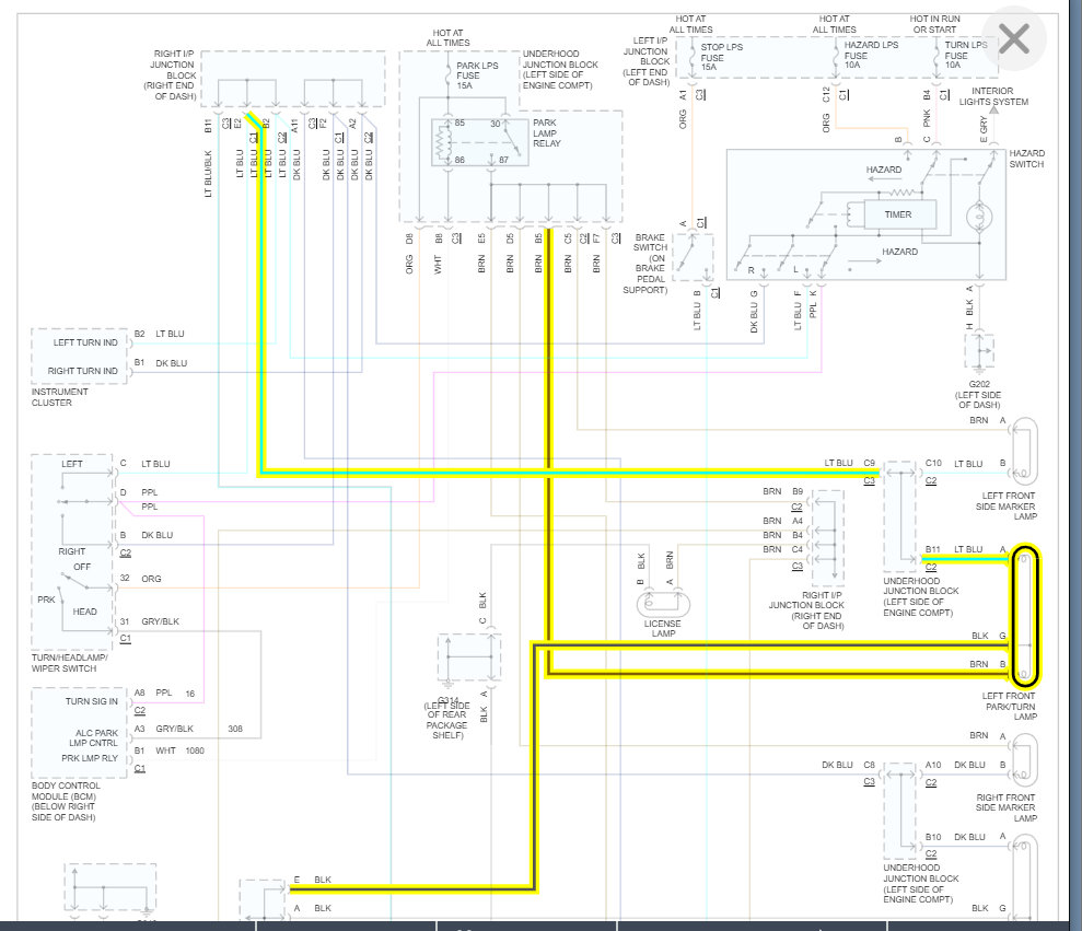
More than likely the park lamp relay has stuck. What I would do is check the operation of the relay and find out if it is sticking.

Here is a guide that will help with doing this testing:

https://www.2carpros.com/articles/how-to-check-an-electrical-relay-and-wiring-control-circuit

I would suggest checking the voltage coming out of the relay if the relay tests ok. If there is voltage but the relay is not closed, then you have a short in that circuit.

https://www.2carpros.com/articles/how-to-check-wiring

Please run through this info and let us know what questions you have. Please see the wiring diagram below that will help with this as well.

Thanks
Dec 23, 2021 at 3:55 PM