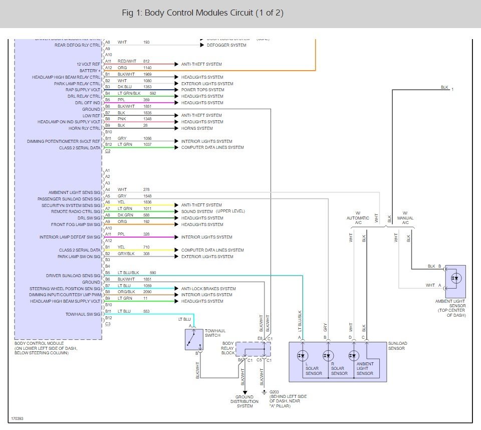
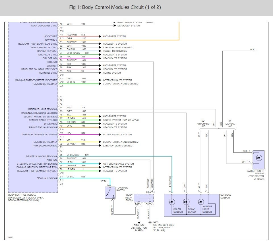
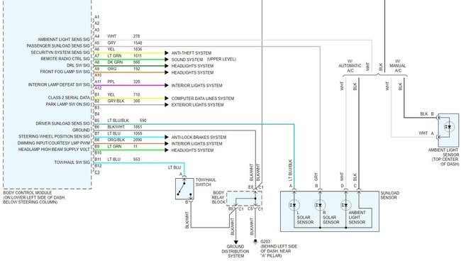
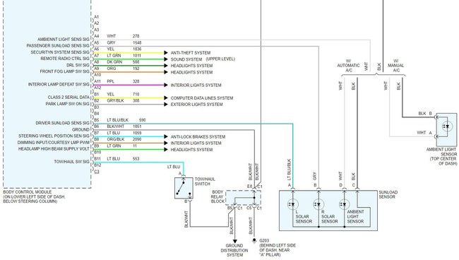
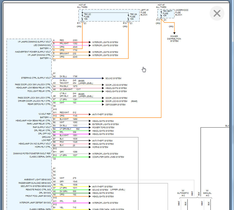
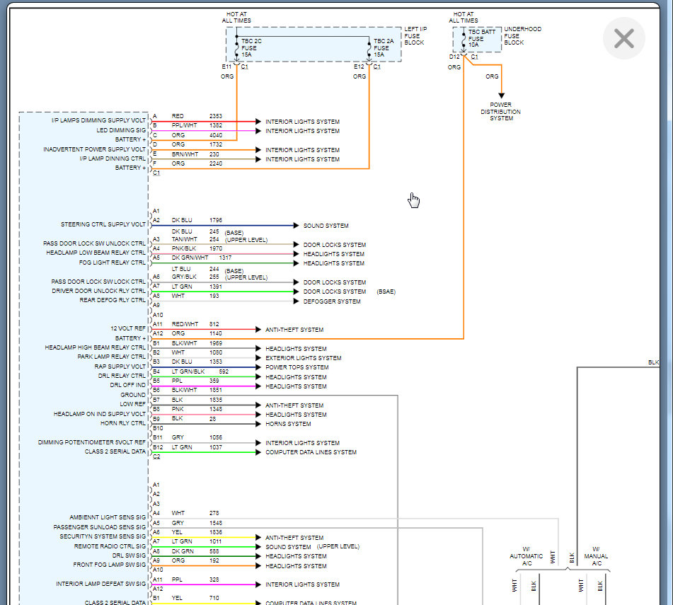
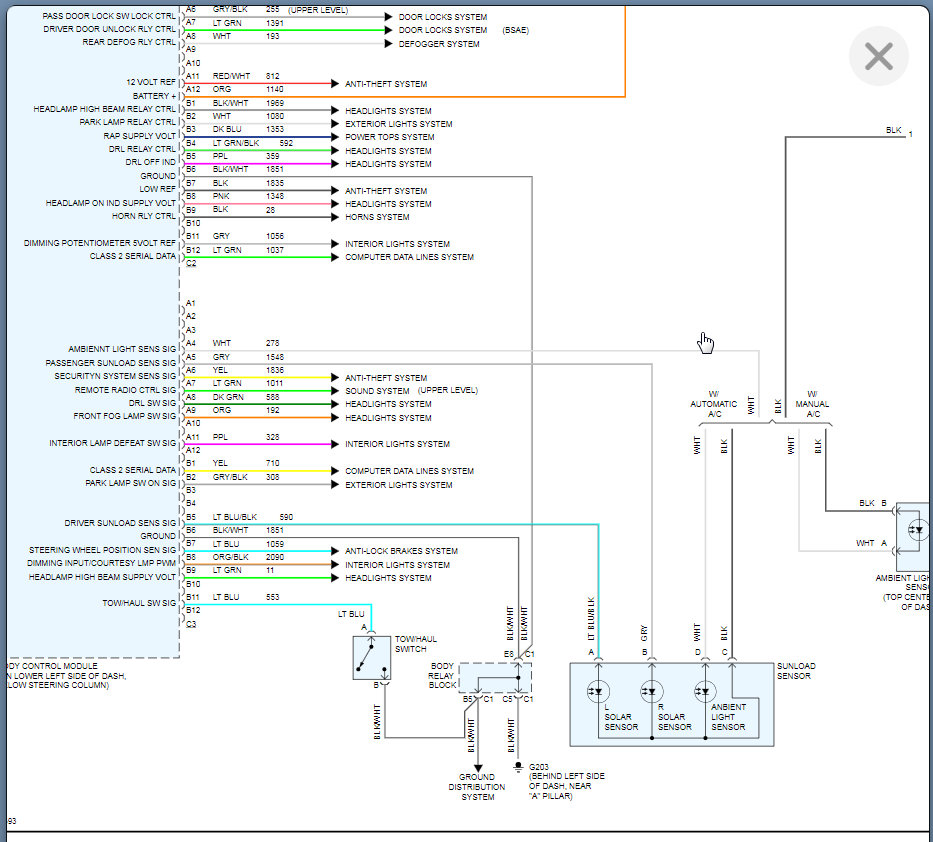
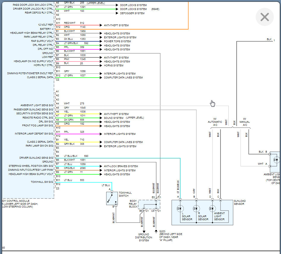
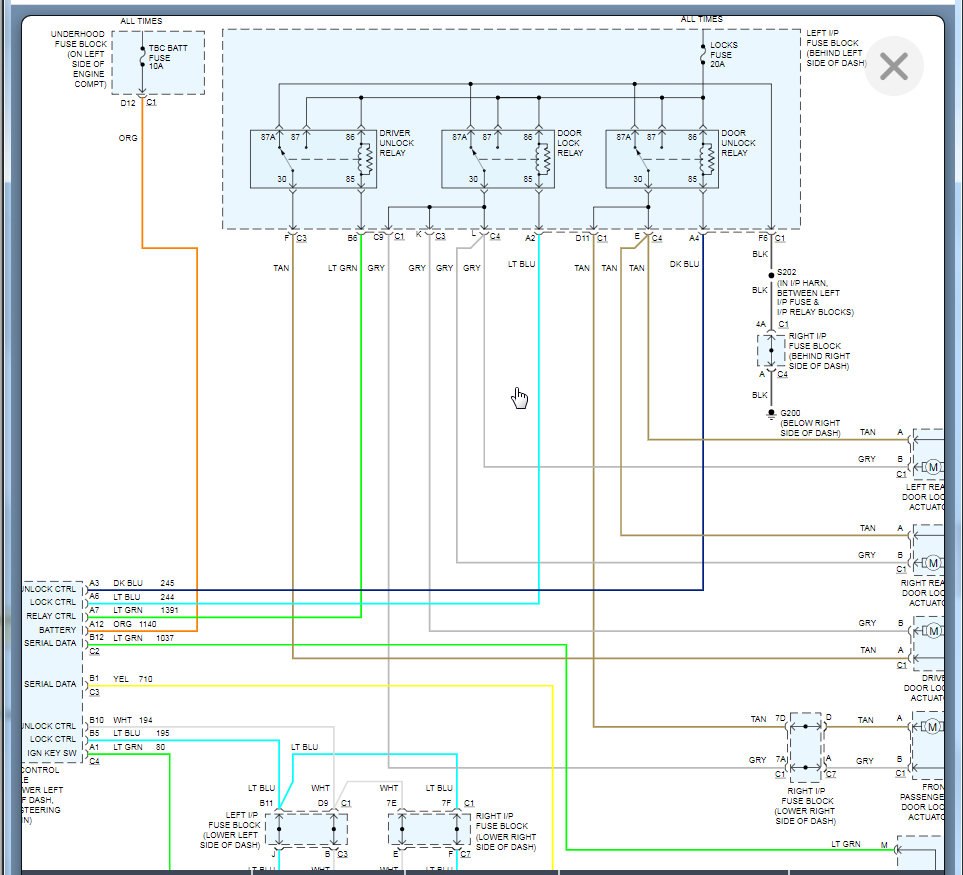
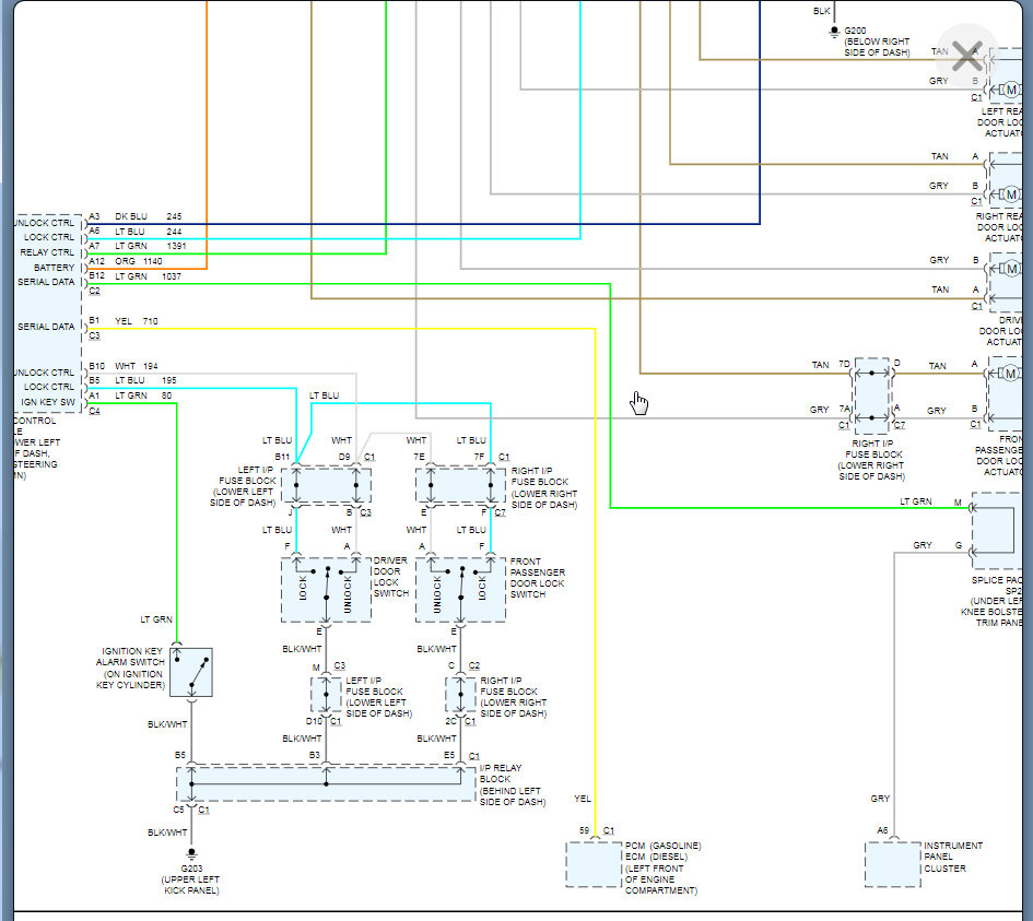
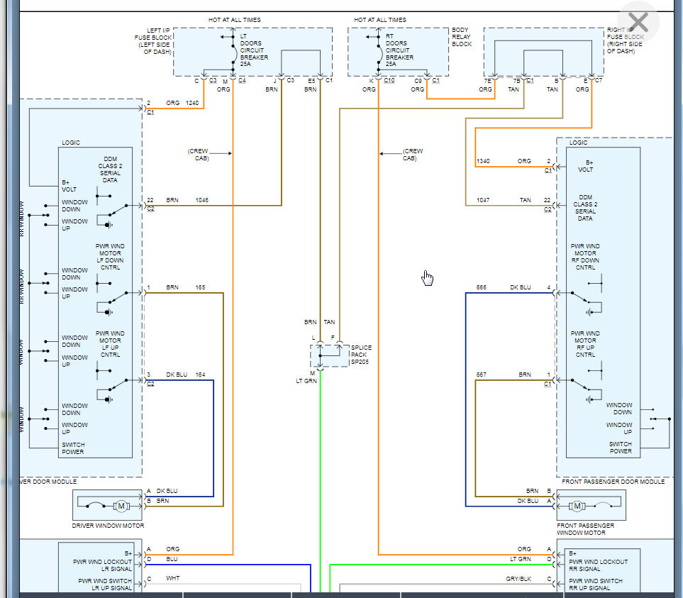
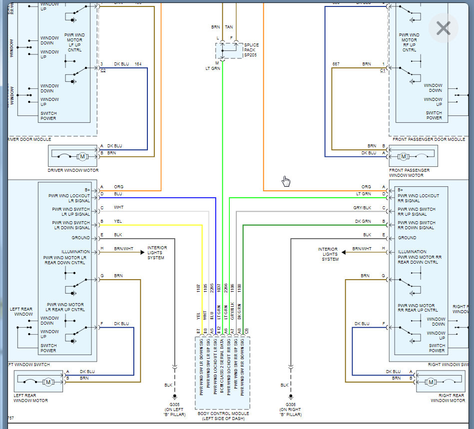
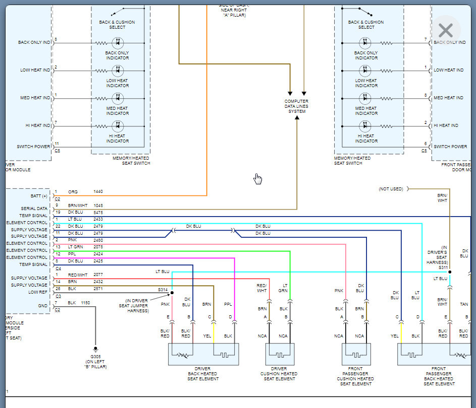
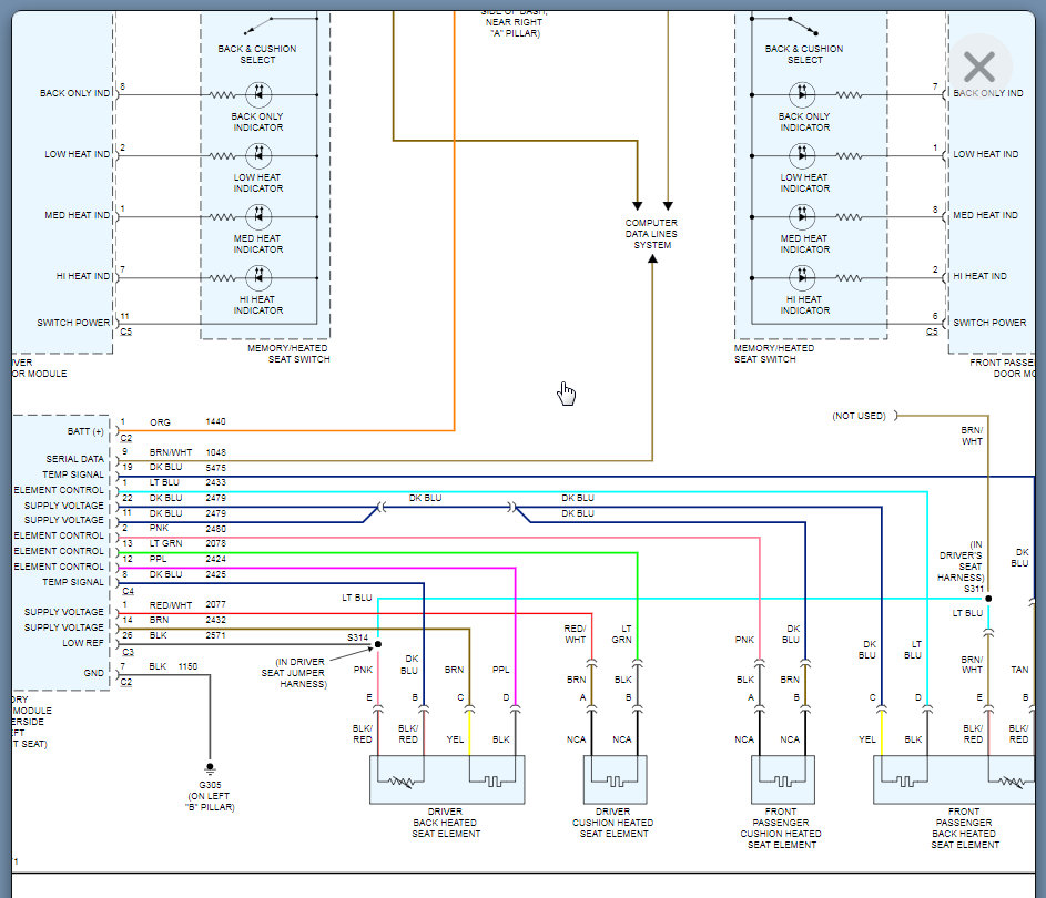
Key fob door lock/unlock will not work. Passenger door will not auto lock or unlock. Passenger door window will not work. Normally the radio will play for a few minutes after I turn off the key. Now it shuts off when I turn off the key. Where is the body control module?
Aug 18, 2010 at 8:35 AM
















































