radio wiring diagrams please?

CHEVROLET SUBURBAN
Avatar
KMULLEN
  • MEMBER
  • 1 POST
radio turns on all the dials work including the volume, but I cannot hear anything. It was working when I was in the car and I came home for a few minutes got back in and guess what no sound can i get radio wiring diagrams. Any ideas?
Nov 5, 2007 at 8:37 PM
Advertisement
Avatar
DENNYP
  • CERTIFIED EXPERT
  • 1,824 POSTS
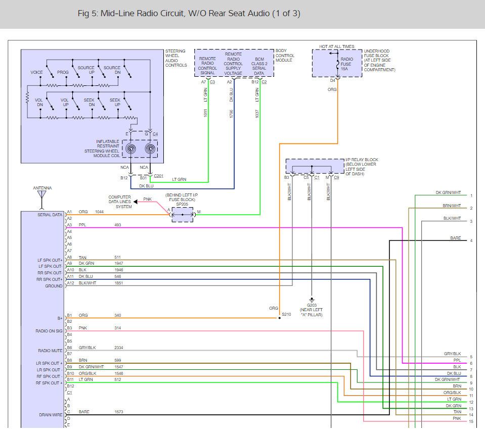
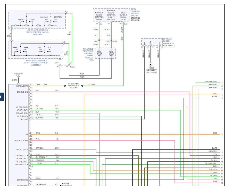
It sounds like you have an amplifier or head unit (radio) that has gone out. Here is a guide for you to check the power and ground of the amp. If it checks out then the radio is bad.

Here is a guide and some wiring diagram (below) so you can do some testing:

https://www.2carpros.com/articles/how-to-use-a-test-light-circuit-tester

and

https://www.2carpros.com/articles/how-to-check-wiring

(The wiring diagrams are below)

Here is a bulletin from the factory I found:

Subject: Diagnostic for no sound from speakers but radio display is operative. keywords amp amplifier audio inoperative mute off on speaker voltage volume.

Models: 2003-2006 Chevrolet Avalanche, Suburban, Tahoe

2007 Chevrolet Silverado Classic

2007 GMC Sierra Classic

2003-2006 GMC Yukon, Yukon XL

2004-2007 Hummer H2

With UQ7 without Y91


The following diagnosis might be helpful if the vehicle exhibits the symptom(s) described in this PI.

Condition/Concern:
This information is in addition to the normal no audio diagnostics which includes checking for shorted speakers or speaker wires.


Recommendation/Instructions:
For complaints of no audio from vehicle equipped with a non-class 2 amplifier, perform the following checks to determine if it is a radio or an amp issue. Do these checks with vehicle running, radio on and amp plugged in.


Check for audio at the Rear Seat Audio controls through the head phones. If there is, then the radio is producing audio.

Check pin B3 (switched 12 volts) for 12 volts. This is a radio output that tells the amp to turn on. It should show 12 volts, if it does not, and then radio B3 pin output is not operating properly. This could be caused if the radio is not programmed correctly or a circuit concern.

Check pin B6 (amp mute) for 0 volts to 5 volt. If the voltage is between 0 and 1 volt this tells the amp to mute and play. If it shows between 3 and 5 volts this tells the amp to mute and stop playing. This could be caused if the radio is not programmed correctly or a circuit concern.

If the above steps indicate that the system should be playing then check for power and grounds to the amplifier and if okay, replace the amplifier.

Please follow this diagnostic or repair process thoroughly and complete each step. If the condition exhibited is resolved without completing every step, the remaining steps do not need to be performed.

Please let us know what happens so it will help others.

Cheers
Nov 5, 2007 at 9:58 PM
Avatar
WAYNO
  • MEMBER
  • 7 POSTS
I checked out the wiring diagrams and found the amp is getting power and has a good ground so I think it is good.

I used the balance and fader controls to single out each speaker. could be a short in one of the speaker wires.

Usually when this happens you will just get a static distorted sound but with these newer factory stereos there could be an internal breaker that shuts off the speaker output when a short is detected. may not be the case but it could not hurt to check it out.
Nov 5, 2007 at 10:10 PM
Advertisement
Avatar
LARRYLODEN
  • MEMBER
  • 1 POST
I am having this issue. Non of my speakers work and my head phone plugs in the back do not work, not even with the DVD player playing. DVD player plays but get no sound. I checked the radio and hooked a separate speaker to it and it is working. I got an aftermarket CD player and now it is working great.

I got this one from Amazon for $118.00 and bam all fixed. Was not that bad to install either make sure you get the right adapter.
Jan 26, 2014 at 6:54 PM
Avatar
STRAILER
  • CERTIFIED EXPERT
  • 53,855 POSTS
Check the fuse in the under hood fuse panel. If that is okay these radios have a problem with the internal amplifier going out which will cause the problem you are describing. You must replace the radio to fix it.

On some models they have a speaker reply but for yours it does not seem to have it.
Apr 10, 2016 at 6:25 PM
Avatar
JULIA COUNTRYMAN
  • MEMBER
  • 1 POST
I am having the same problem as the OP--headphone jacks are working fine, display is fine. If I read the bulletin posted above, this indicates that the amplifier is the cause?
Aug 31, 2018 at 10:42 AM
Avatar
STRAILER
  • CERTIFIED EXPERT
  • 53,855 POSTS
Yes, the amplifier went out causing the issue. Make sure the unit is getting power and ground to confirm the failure by using the wiring diagrams from above. Here is the location.

Check out the diagrams (below). Please let us know what happens.

Cheers, Ken
Aug 31, 2018 at 12:34 PM
Avatar
JOSEPH BILLIE
  • MEMBER
  • 1 POST
I'm having the same issue as well as a random reduced engine power mode kick in as I said all randomly atm. I'm wondering if some of these onstar, hands-free and theft disabling devices are just reaching end of life or something, I'm about to hunt a 80's or older non CPU operated vehicle to rid myself of this nonsense. The forum for the reduced engine power mentions a wild loose wire somewhere in the harness network and doesn't specify any clues as to track it but the only take away from this thread is I need to bypass the internal amp altogether I wonder if this is where the onstar is incorporated into the onboard CPU.
Mar 11, 2021 at 5:10 PM
Avatar
JACOBANDNICKOLAS
  • CERTIFIED EXPERT
  • 110,175 POSTS
Hi,

A random power loss shouldn't be related to the radio. Have you scanned the computer to see if there are specific diagnostic trouble codes stored?

Joe
Mar 13, 2021 at 8:18 PM
Avatar
GUYMR
  • MEMBER
  • 2 POSTS
Hi my vehicle has started making what appears to be a static noise in my rear speakers, this goes away when I turn off the rear speakers from the console or if I shut the radio off completely. I have the navigation model on a LTZ.
May 26, 2021 at 11:21 AM (Merged)
Avatar
CARADIODOC
  • CERTIFIED EXPERT
  • 34,308 POSTS
It sounds like the vehicle communication interface module could be going out. Here are the wiring diagrams so you can see how the system works. Check out the diagrams (below). Please let us know what you find. We are interested to see what it is.
May 26, 2021 at 11:21 AM (Merged)
Avatar
GUYMR
  • MEMBER
  • 2 POSTS
They have looked at it once and although they were not sure, they suggested replacing the amplifier and radio, to the tune of $1,300.00 which they thought would get rid of the problem, shockingly I am not going to do that in the hope it would work.

I will keep looking as it seems several other folks have had this problem with a fix being the grounding/shielding of the wires in the rear audio control module or amp.

Thanks
May 26, 2021 at 11:22 AM (Merged)
Avatar
BATESJPB
  • MEMBER
  • 0 POST
the amp was bad so I got a used one for $100.00 from eBay, FYI.
May 26, 2021 at 11:22 AM (Merged)
Avatar
JACKTOLL
  • MEMBER
  • 1 POST
My dad and I are trying to hook up an aftermarket radio into my vehicle. We made all the shown connections and we get power to the stereo, but no sound. We even tried using the blue wire for the amp.
May 26, 2021 at 11:22 AM (Merged)
Avatar
STRAILER
  • CERTIFIED EXPERT
  • 53,855 POSTS
It sounds like the amp is still not turning on. Did you use an adapter to wire the radio or are you doing it without? There are two power wires (dark green and purple) to the amp. Here are the wiring diagrams so you can see how the system works:

Check out the diagrams (below). Please let us know what happens.
May 26, 2021 at 11:22 AM (Merged)
Avatar
JMIKETMG
  • MEMBER
  • 1 POST
Do you have the wiring schematic for the radio amplifier I changed the radio to after market and connected the new harness adapter but it still doesn't work and I need to bypass the original amplifier.
May 26, 2021 at 11:22 AM (Merged)
Avatar
CARADIODOC
  • CERTIFIED EXPERT
  • 34,308 POSTS
Here you go.... thanks for using 2Carpros.com

Let us know if you need anything else
May 26, 2021 at 11:22 AM (Merged)
Avatar
SUBURBAN454
  • MEMBER
  • 1 POST
ok my suburban the radio wont work and the dash lights wont work but the headlights will and turning signals ect. and i cant find the fuse or the problem can someone help me please
May 26, 2021 at 11:22 AM (Merged)
Avatar
HMAC300
  • CERTIFIED EXPERT
  • 48,601 POSTS
here are two diagrams. I'd bet that if you fix one of the fuses that they show for the radio your dash lights will work again. If not they are either burnt out(bulbs) or you may have a bad headlight switch....


https://www.2carpros.com/forum/automotive_pictures/406719_radio_1.jpg


https://www.2carpros.com/forum/automotive_pictures/406719_radio_2.jpg

You can click on these and they should download to make bigger
May 26, 2021 at 11:22 AM (Merged)
Avatar
RANKIN1
  • MEMBER
  • 1 POST
Have a 2004 Chevrolet Suburban,
Turn vehicle on and all the lights come on, on the radio everything works, but no sound, but 2 to 3 minutes after turning truck on speakers will have sound, turn vehicle off and-on-and speakers and radio work with sound. Turn off let it sit for 35 minutes or so same thing all over again.
Jan 3, 2022 at 3:26 PM
Avatar
JACOBANDNICKOLAS
  • CERTIFIED EXPERT
  • 110,175 POSTS
Hi,

Can you tell me which system you have? For example, do you have a basic radio or front and rear audio with navigation?

This may require a factory reset based on the system you have. Also, the radio or amplifier may have an internal circuit issue. I'm not sure where you are located, so let me know if there is anything you can think of that makes it better or worse. For example, when it's extremely cold it's worse.

I attached a pic below showing the options.

Joe

See pics below.
Jan 4, 2022 at 4:48 PM