power seat not working?

2007 CHEVROLET TAHOE
39,000 MILES • V8 • 2WD • AUTOMATIC
Avatar
SOLERANO
  • MEMBER
  • 2 POSTS
My driver electric seat stop working. I have checke the fuse box in the hood and the one by the door but all the fuse are Ok. is there any other fuse or what could be the solution to this problem?
Jul 14, 2009 at 9:44 AM
Advertisement
Avatar
JDL
  • CERTIFIED EXPERT
  • 16,098 POSTS
Hello, did you check for voltage at the fuse circuit? Use a testlite. Let us know exactly which fuse you checked and the location. My info showed several fuses and a circuit breaker for the seat.
Jul 14, 2009 at 10:47 AM
Avatar
SOLERANO
  • MEMBER
  • 2 POSTS
[quote:ae5660234c="jdl123"]Hello, did you check for voltage at the fuse circuit? Use a testlite. Let us know exactly which fuse you checked and the location. My info showed several fuses and a circuit breaker for the seat.[/quote:ae5660234c]



I have checked the one in the hood and the one by the door but i can not locate the breaker box
Jul 14, 2009 at 11:06 AM
Advertisement
Avatar
JDL
  • CERTIFIED EXPERT
  • 16,098 POSTS


https://www.2carpros.com/forum/automotive_pictures/170934_07_chevy_tahoe_1.jpg

CB3 should be the circuit breaker for the driver seat. If you look at your owners manual, it should give you the fuse labels and locations. Again, did you use a testlight or something to check that the fuse circuit is hot???? Even if the fuse or circuit breaker is good, if there is no voltage to the circuit, it won't matter, the circuit is dead.
Jul 14, 2009 at 12:52 PM
Avatar
SHYENNEKNOST
  • MEMBER
  • 3 POSTS
I have a 07 Chevy Tahoe. The Drivers seat stopped working. I have checked all fuses and wires, so I got a new seat module and took it to the Chevy place to get programmed...... Still did not work. I took the seat out and hooked a power probe up and nothing... I unhooked the seat module and it worked.. Now I have the seat back in the truck and sometimes it works and sometimes it don't with the power probe... So confused
Nov 27, 2020 at 10:51 AM (Merged)
Avatar
ASEMASTER6371
  • CERTIFIED EXPERT
  • 52,796 POSTS
sounds like you have an issue with the motor in the seat. have the draw checked to see how much voltage it takes to make it work

Roy
Nov 27, 2020 at 10:51 AM (Merged)
Avatar
SHYENNEKNOST
  • MEMBER
  • 3 POSTS
Ok Just pulled a code today B3920
Nov 27, 2020 at 10:51 AM (Merged)
Avatar
SHYENNEKNOST
  • MEMBER
  • 3 POSTS
Also, what we came up with that code is that the track is bad. We gotta new track still does not work. Took the entire seat and put it in another truck and it worked fine. There has to be something wrong in the truck itself.
Nov 27, 2020 at 10:51 AM (Merged)
Avatar
WRACHOR
  • MEMBER
  • 2 POSTS
When I press the circular button to adjust the lumbar, the lumbar position does not change. Although I hear a click each time I press down on a position (up, down, left, right).
Nov 27, 2020 at 10:51 AM (Merged)
Avatar
HMAC300
  • CERTIFIED EXPERT
  • 48,601 POSTS
if you can hear clicking it may be the gear is broken or cable or both. this has to have seat come apart and see what problem is. See picture.
Nov 27, 2020 at 10:51 AM (Merged)
Avatar
JSTAPP1220
  • MEMBER
  • 1 POST
The back lifter on my 07 Chevy Tahoe seems to be stuck or just not working. I can hear it click when I press the switch up and down, but it will not move. It would not be so bad if the seat was in a position that was tolerable, but it is cranked all the way in the up position and my head is almost touching the ceiling of the vehicle. I have also noticed that it seems to no slide back as far as I would think it should. All of the other functions work, the front of the seat lifts up and down fine. Thanks for any help in advance!
Nov 27, 2020 at 10:51 AM (Merged)
Avatar
RASMATAZ
  • CERTIFIED EXPERT
  • 75,992 POSTS
Inspect and test the driver's seat adjuster switch and ground circuit G303 at near base of left "B" Pillar
Nov 27, 2020 at 10:51 AM (Merged)
Avatar
DJCL
  • CERTIFIED EXPERT
  • 767 POSTS
If its making a clicking sound sounds like a worn gear or cable . I would remove the seat and do a good inspection under it.
Nov 27, 2020 at 10:51 AM (Merged)
Avatar
REIMER
  • MEMBER
  • 1 POST
Heated seat switch does not work and the power seats as well. I cannot find a fuse or relay.
Nov 27, 2020 at 10:52 AM (Merged)
Avatar
SAMANTHAJ
  • MEMBER
  • 1 POST
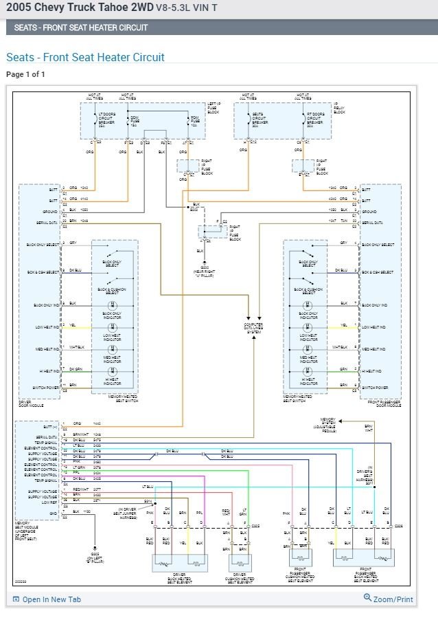
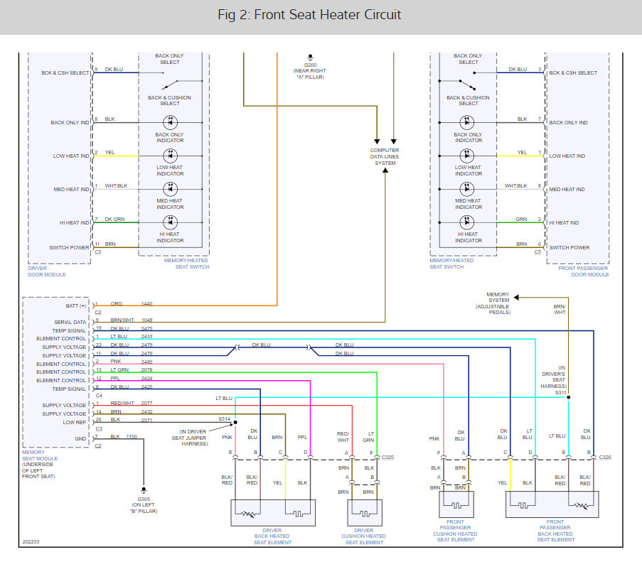
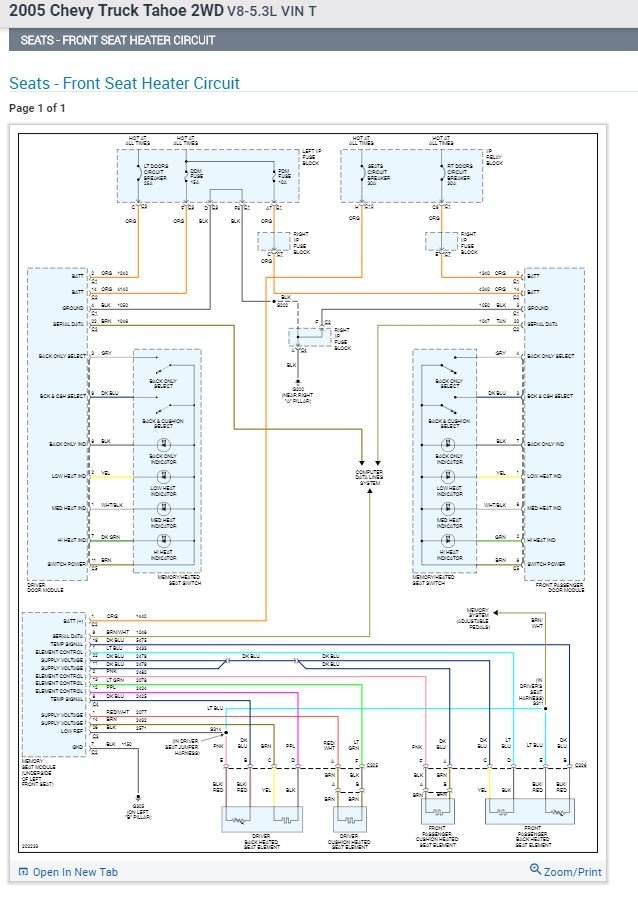
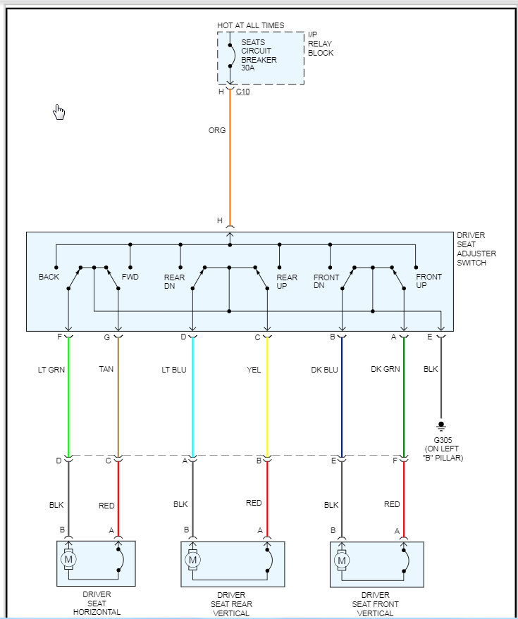
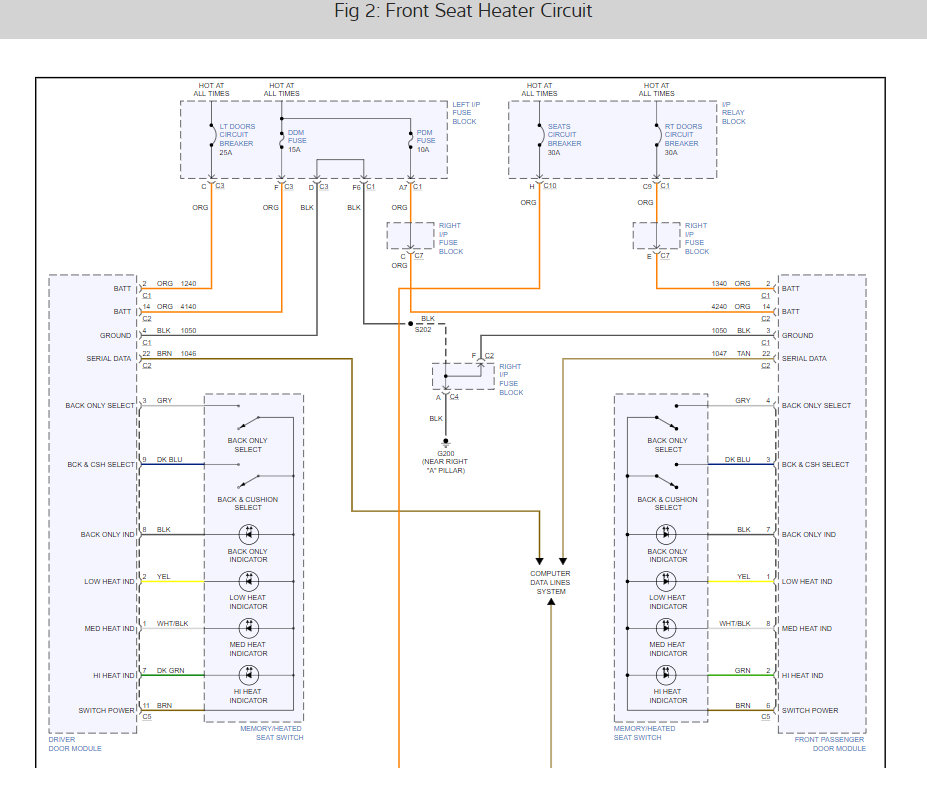
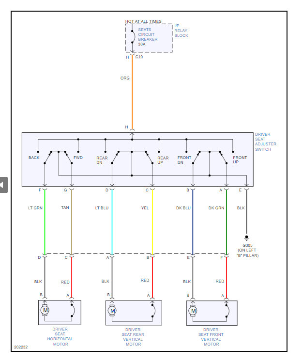
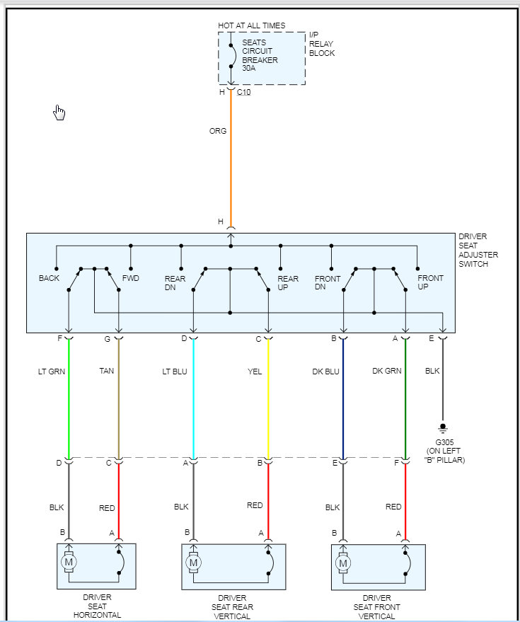
The heated/power seats are run off circuit breakers for the most part. There are two fuses in the interior fuse panel (DDM and PDM) that power the drivers side and passenger side door modules. Check the guide below on testing wiring and the diagrams for the seat wiring. Let us know what you find.

https://www.2carpros.com/articles/how-to-check-wiring

Check out the diagrams (Below). Please let us know what you find. We are interested to see what it is.
Nov 27, 2020 at 10:52 AM (Merged)
Avatar
KEN LUDDEN
  • MEMBER
  • 3 POSTS
By not working I mean no movement for either the direction switch or the lumbar switch. However, the memory mode selection switch 1 - 2 does work and the seat changes position between the two. Also, the seat heater works. The passenger seat works fine. I've already replaced the switch, checked the fuses, and cleaned the contacts on the control module under the seat.

Update: I've made some progress. The image attached shows that if I run a jumper between these two points the seat works. The main harness orange wire carries 12.4 volts, but the orange wire voltage is only 11.5 at the switch. Any insight on what the problem may be?
Nov 27, 2020 at 10:52 AM (Merged)
Avatar
KEN LUDDEN
  • MEMBER
  • 3 POSTS
Image:
Nov 27, 2020 at 10:52 AM (Merged)
Avatar
KASEKENNY
  • CERTIFIED EXPERT
  • 18,907 POSTS
You have resistance in that wiring from these two points. It appears that is from the main connector to the switch? If you are getting lower voltage at the switch then I would just cut the orange wire between those two points and make your jumper wire permanent. If you want to confirm this you can disconnect those two wires and measure resistance but you pretty much have already confirmed it.

Normally we are giving instruction to do what you have already done so you have already figured this out. So again, I would just make your jumper wire permanent by cutting the wires and splicing on the new wire. Let me know if you need help with that.

Good work!
Nov 27, 2020 at 10:52 AM (Merged)
Avatar
KEN LUDDEN
  • MEMBER
  • 3 POSTS
Great! Thank you so much.
Nov 27, 2020 at 10:52 AM (Merged)
Avatar
KASEKENNY
  • CERTIFIED EXPERT
  • 18,907 POSTS
You are welcome. Let me know if you need some more info on how to finalize the wiring repair but it sounds like you got this under control. Thanks for the update and come back to 2CarPros.
Nov 27, 2020 at 10:52 AM (Merged)
Avatar
LEAHGARCIA
  • MEMBER
  • 1 POST
driver's seat won't move and the seat heaters in both front seats won't work
Nov 27, 2020 at 10:52 AM (Merged)
Avatar
JACOBANDNICKOLAS
  • CERTIFIED EXPERT
  • 110,175 POSTS
Check fuses. Check under the seat to make sure the power supply is attached and getting power.
Nov 27, 2020 at 10:52 AM (Merged)
Avatar
CLK5128
  • MEMBER
  • 1 POST
I have a 04 Tahoe Z71 and the passenger side windows stopped rolling down, the heater's for both of my seats stopped working and I can not adjust the driver and passenger side seats. I can roll down the driver side windows and the power door locks work fine. I looked at the fuses and everything looks ok. Anyone have an idea??
Nov 27, 2020 at 10:53 AM (Merged)
Avatar
RACEFAN966
  • CERTIFIED EXPERT
  • 5,029 POSTS
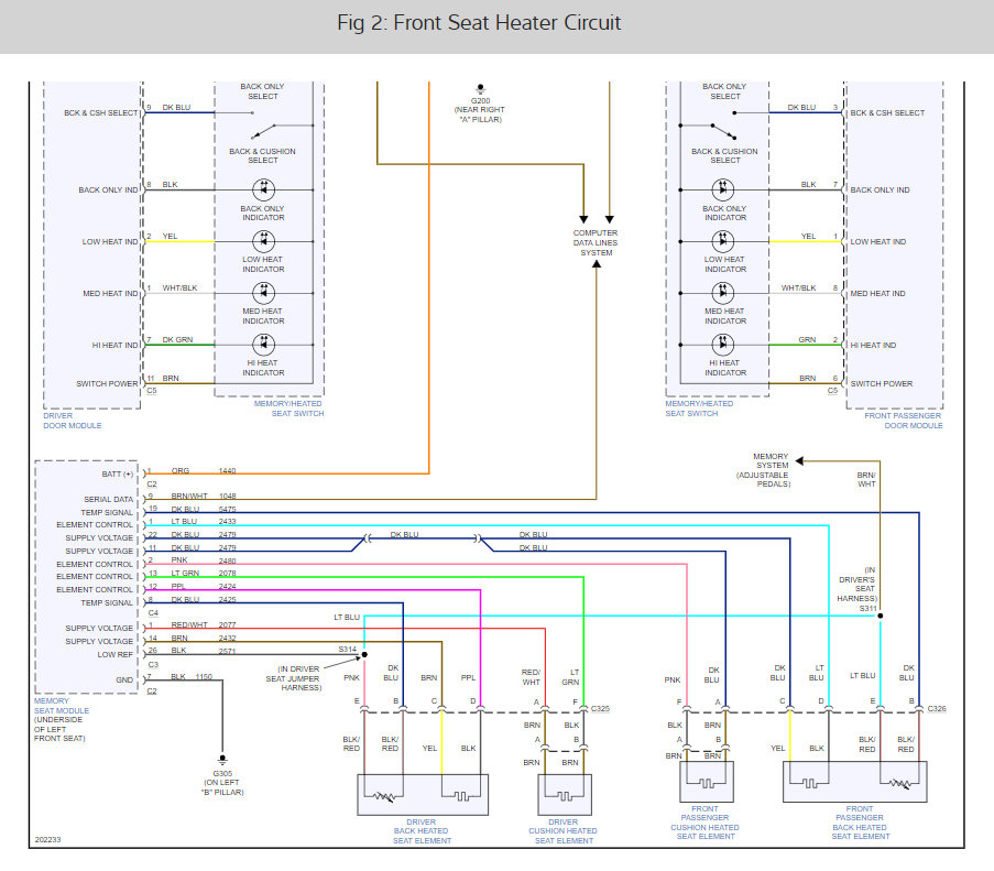
It sounds like you need to replace the seat control module which go out here are the instructions on how to so so in the diagrams below.

MEMORY SEAT CALIBRATION PROCEDURE

The memory seat module uses position sensor inputs to establish soft stop locations for the adjuster motors several millimeters ahead of the physical limits of the adjuster assembly. After replacing a memory seat module or adjuster components, it may be necessary to reset the adjuster motor soft stop locations. When the repair procedure has been completed, operate the seat adjuster switch in every direction until the seat adjuster reaches its mechanical hard stop by repeatedly pressing and releasing the switch as necessary.

Check out the diagrams (Below). This fixed my Tahoe.
Nov 27, 2020 at 10:53 AM (Merged)
Avatar
KZEIGLER
  • MEMBER
  • 1 POST
I have power seat on my driver's seat & I lowered the seat the other day & when I tried to raise it back up it wouldn't move. It just stopped working. Now the power works to move the seat front to back but it will not go up or down. What could be the problem?
Nov 27, 2020 at 10:53 AM (Merged)
Avatar
HMAC300
  • CERTIFIED EXPERT
  • 48,601 POSTS
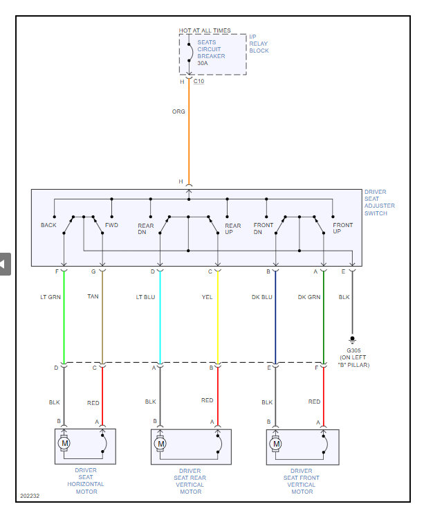
For an inoperative driver side power seat and seat heater check the wiring harness under the drivers seat. Look for the harness running parallel to the seat track towards the outside of the car. Grab the harness and starts wiggling it while playing with the seat switches. if not that it could be the module or the switch which you would need to have scanned for module problem.
Nov 27, 2020 at 10:53 AM (Merged)
Avatar
I CAN DO IT
  • MEMBER
  • 1 POST
I have the 60/40 pull down seats. First I was having a problem with the smaller seat not going down. I got that figured out but know I can't get the seat to go all the way up. It goes to a certain spot and stops. So I need to know how to fix the seat so we can sit on it comfortably.
Nov 27, 2020 at 10:53 AM (Merged)
Avatar
4DRTOM
  • CERTIFIED EXPERT
  • 467 POSTS
Hello,

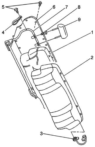
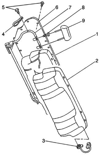
Look for worn washers or bushing at the hinge sections and general wear. The main cross bar could be bent preventing full operation. Check out this diagram for your rear seat,at the link below.
Tom

Nov 27, 2020 at 10:53 AM (Merged)
Avatar
IRISHMOM
  • MEMBER
  • 1 POST
Hi! I went to put my the seat back on the drivers side of my 2019 Chevrolet suburban so my husband could fit in. When I put the seat back it stopped and sounded like it was hung up on something. I tried the forward and it would go forward just slightly. I tried backwards again and it seemed to be moving on one track side(near the outside) and the inside was stuck. Well lo and behold a little plastic child toy from my three year old had gotten wedged under the track on the inside. So I was able to pop as take it out/forward with a screwdriver. But now the seat will not go forward or backward. The seat does go up and down and the lumbar works. Is it possible a wire was popped out? I am not sure even what I am looking for. Please help!
Dec 2, 2020 at 10:35 AM
Avatar
KASEKENNY
  • CERTIFIED EXPERT
  • 18,907 POSTS
I think what happened is the motor is now bound up as one side moved and the other did not. These are meant to move in unison so when they don't they will bind.

I am hoping this is all it is and the motor is not damaged but we need to remove the seat track screws that hold the track to the floor and then try and move the seat. Be careful when you do this as the tracks are going to move and not the seat as they are no longer anchored but this is what we want to try and get them even again. So you want to move them all the way forward or backward so they are in the same position and then bolt the seat back down.

I attached the process for removing the access covers to get to the bolts.

Let me know what questions you have. Thanks
Dec 4, 2020 at 11:30 AM