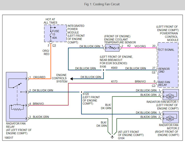
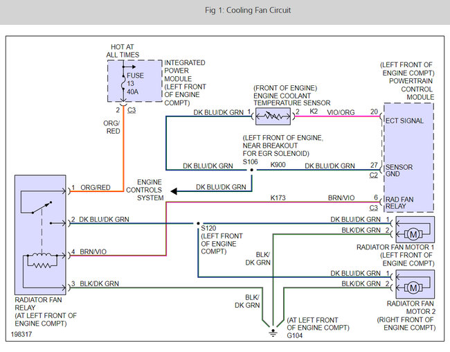
Radiator fan relay

2005 CHRYSLER PACIFICA
Avatar
CRAZYME13
  • MEMBER
  • 1 POST

my fans would not turn off and my battery kept draining. I purchased a new fan switch/relay, but can't find where it is located. where will I find it's location?
Mar 3, 2010 at 4:23 PM
Advertisement
Avatar
STRAILER
  • CERTIFIED EXPERT
  • 53,855 POSTS
Hey CRAZYME13

Your vehicle's radiator fan relay is located at the left front of the engine compartment. Here is a wiring diagram and guide on how to get the problem fixed.

https://www.2carpros.com/articles/how-to-check-an-electrical-relay-and-wiring-control-circuit

Please let me know if you need anything else to get the problem fixed.

Best, Ken


Feb 27, 2017 at 11:10 AM
Avatar
DOUG LEAVITT
  • MEMBER
  • 3 POSTS
Duel fan system, one fan would not run, replace Rad Fan relay, still did not change, finally both fans went out.
Replaced duel fan unit.
Started car and both Fan went on for a few min, then cycled on and off, thought all was good.

Drove call around (45 min) and temp gage was good. Return home to find both fans cycling on and off but at very low speed, almost not turning, Temp gage went up, fans were not revving up enough to cool engine

Replaced Relay again, but no change.

Going to replace Temp Sensore next, but gage in car works fine. Read online about posable problem with PCM ??? Help....
******************************************
Unhooked battery last night, hooked back up this morning, and everthing worked, indicater light was off. Drove around town (15 min) light came back on and fans not turning on. going to replace temp sensor next. Any other thoughts.

*******************************************
Replaced Temp Sensore, did not change anything.
May 13, 2019 at 7:10 PM (Merged)
Advertisement
Avatar
RASMATAZ
  • CERTIFIED EXPERT
  • 75,992 POSTS
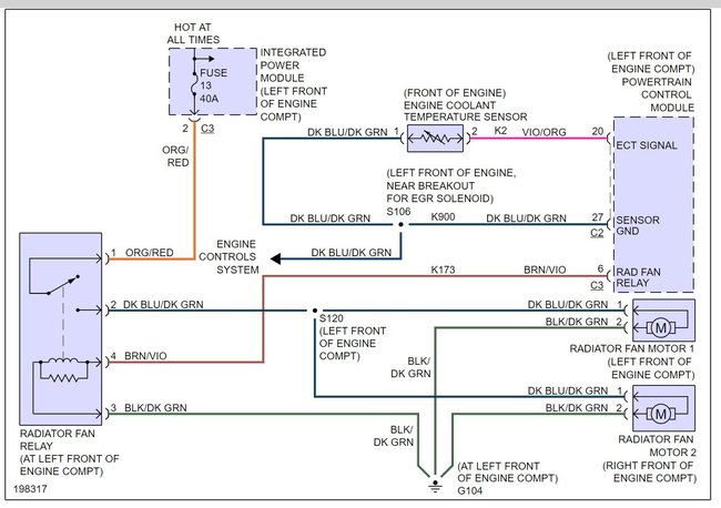
Hi Doug Leavitt, Welcome to 2carpros and TY for the donation Check and test the engine coolant temperature sensor if it checks out-the problem is the computer control of the fan relays attached cooling fans circuitry


https://www.2carpros.com/forum/automotive_pictures/12900_fan_10.jpg

May 13, 2019 at 7:10 PM (Merged)
Avatar
DOUG LEAVITT
  • MEMBER
  • 3 POSTS
Can I have you send attachment, can not read it on forum. send to [email protected]
Thanks
May 13, 2019 at 7:10 PM (Merged)
Avatar
DEAN HARRELSON
  • MEMBER
  • 2 POSTS
I pulled the wires out of the connector on the right while taking the fan assembly out to replace the starter. After putting everything back together that one fan would not run while the left one worked fine. Like a dummy I wrecked the car and while running I attempted to fix the connector. To two wires touched, sparked and the working fan stopped working. Thought I blew a fuse but that was not it. What can I check next? Thanks
May 13, 2019 at 7:10 PM (Merged)
Avatar
STRAILER
  • CERTIFIED EXPERT
  • 53,855 POSTS
Hey,

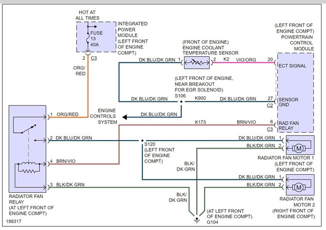
It looks like you may have blown out the cooling fan relay, Here are a couple of guides and a wiring diagram (below) so you can do some checks.

https://www.2carpros.com/articles/how-to-check-a-car-fuse

and

https://www.2carpros.com/articles/how-to-use-a-test-light-circuit-tester

and

https://www.2carpros.com/articles/how-to-check-an-electrical-relay-and-wiring-control-circuit


Please run some tests and get back to us we are interested to see what it is.

Cheers, Ken
May 13, 2019 at 7:10 PM (Merged)
Avatar
DEAN HARRELSON
  • MEMBER
  • 2 POSTS
Thanks for the response. I replaced the relay and that did not fix the problem. Fan is still not coming on. Any idea what I can do next?

BTW, I misspoke in my original post I did not wreck the car. I attempted to fix the connector on the fan that was not running and the two leads touched and sparked and the one fan that was running turned off. I'm sure I shorted something out the question is what?
May 13, 2019 at 7:10 PM (Merged)
Avatar
STRAILER
  • CERTIFIED EXPERT
  • 53,855 POSTS
Do you have power at the relay?
May 13, 2019 at 7:10 PM (Merged)
Avatar
RON72
  • MEMBER
  • 2 POSTS
Engine Cooling problem 6 cyl Two Wheel Drive Automatic 82000 miles

My check engine light came on. OBII diagnostic reads... Radiator Fan 1. The fuse is good. I put in a new relay (access remove grille) and it still does not turn on. Pulled the connector off the fan 1 and 2 and got 7.75 volt reading on the hard shell connector.

What else could it be? Neither fan turns. The car is not overheating, the gauge use to read at 1/4 level. When the check engine light came on, the temp gauge reads in the middle of the normal.
May 13, 2019 at 7:10 PM (Merged)
Avatar
RASMATAZ
  • CERTIFIED EXPERT
  • 75,992 POSTS
Could be the coolant temperature sensor or the engine temperature gauge sending unit defective or has an open/short wire to the computer and unable to activate the cooling fans or the computer itself the problem
May 13, 2019 at 7:10 PM (Merged)
Avatar
RON72
  • MEMBER
  • 2 POSTS
I installed a new ECT sensor last night and that did not make it work. Still have the problem with the fans not running and the temp gauge reading in the middle of the normal band.
May 13, 2019 at 7:10 PM (Merged)
Avatar
RASMATAZ
  • CERTIFIED EXPERT
  • 75,992 POSTS
Power the fans from the battery if it comes on blame it on the wiring and computer. Here is a wiring diagram so you can see how the system works.

Here is an overheating and wiring guide for those that need it.

https://www.2carpros.com/articles/engine-overheating-or-running-hot

and

https://www.2carpros.com/articles/how-to-check-wiring

Check out the diagrams (Below)

Please let us know what you find. We are interested to see what it is.

Cheers
May 13, 2019 at 7:11 PM (Merged)
Avatar
JERRID KARNS
  • MEMBER
  • 0 POST
On my car it was the PCM had to be replaced for the tune of $650.00 but at least its working again
May 13, 2019 at 7:11 PM (Merged)
Avatar
EMAGMIND
  • MEMBER
  • 2 POSTS
I cannot get radiator fan to turn on automatically. I have replaced the coolant temperature sensor as well as the radiator fan relay. With the relay power supply cord, I have confirmed that pin 1 A112 gives a 12 volt reading. I have also confirmed that pin 2 N23 gounds and starts fans when supplied a direct 12v current. I cannot get pin 4 k173 to give a reading, even when i left the car on to overheating temperatures (which i was hoping the sensor was just waiting to send a signal). Although maybe i should not have, I applied 12 volts to pin 3 z723 and it popped electricity. When i put my meter on it though it seemed to be fine with the 12v reading. I have checked fuse 13 in the Power Distribution Center and have confirmed continuity. Additionally, i get a 12v reading from the positive. However, i cannot get a reading going to the ground.

Please help, I am losing my mind and I know nothing about any of this until i started googling yesterday.
May 13, 2019 at 7:11 PM (Merged)
Avatar
HMAC300
  • CERTIFIED EXPERT
  • 48,601 POSTS
This system is not complicated here is the wiring diagrams and a guide to help you check the signal from the PCM.

https://www.2carpros.com/articles/how-to-check-wiring

Check out the cooling fan diagrams and PCM location (Below). Please let us know what happens.

Cheers
May 13, 2019 at 7:11 PM (Merged)
Avatar
EMAGMIND
  • MEMBER
  • 2 POSTS
I have the following codes:
P0420- Catalyst System Efficiency Below Threshold (Bank 1)
P0457- EVAP System Loose Fuel Cap
P0456- Evaporative Emissions System - Small leak detected
P0305- Cylinder #5 Misfire
P0480- cooling fan 1 control circuit malfunction

P480 would be the one indicating an issue here and I do not get a signal on the violet wire pin 4 with the relay power supply. I tried letting the car get hot too, to see if it was reliant on the temperature sensor. However, I got a used PCM for the car and plugged it in. The fan started working again all fixed thanks for your help on this. They tell me I got luck the PCM worked some need to be reprogrammed I guess.
May 13, 2019 at 7:11 PM (Merged)
Avatar
JIS001
  • CERTIFIED EXPERT
  • 3,412 POSTS
You should start by having a compatible scanner to see if you can command the fan relay on and off. If commanding the relay on makes the fan come on then you know your circuit is okay. Have you checked to see if maybe your thermostat is stuck closed? If the coolant is not circulating the reading to the PCM will always be cool and not allow the fans to come on? Check your upper and lower radiator hoses to see if the lower is cooler then the upper hose when it starts to over heat. You could also have air in the system if the cooling system has being open?
May 13, 2019 at 7:11 PM (Merged)
Avatar
AHOFFE42
  • MEMBER
  • 0 POST
Thanks for this post. I had the same problem and the dealer charged me $550.00 to replace the PCM. I wish I found this post earlier.
May 13, 2019 at 7:11 PM (Merged)
Avatar
REEDB123
  • MEMBER
  • 1 POST
How do you Remove & Replace a cooling fan unit on a 2005 Chrysler pacific? I hope the job was actually easier than the dealership told me it would be. It would be no surprise there. Thanks guys!
May 13, 2019 at 7:11 PM (Merged)
Avatar
STRAILER
  • CERTIFIED EXPERT
  • 53,855 POSTS
Hello,

It is easier if you pull the fans out without the radiator but some say leave them attached. I guess it becasue the the engine you have, anyway here is a guide and a diagram on how to change the radiator fans.

https://www.2carpros.com/articles/replace-electric-fan-motor

(DIAGRAM BELOW)

Please use 2CarPros anytime, we are here to help and tell a friend.

Cheers, Ken

May 13, 2019 at 7:11 PM (Merged)