crankshaft sensor location and replacement?

2008 CHRYSLER PT CRUISER
30,000 MILES • 4 CYL • FWD • AUTOMATIC
Avatar
STAR1294
  • MEMBER
  • 1 POST
where is the crankshaft sensor located and how do you change it?
Apr 25, 2010 at 1:11 PM
Advertisement
Avatar
DOCFIXIT
  • CERTIFIED EXPERT
  • 18,828 POSTS
Hello,

Here is a guide to help you step by step with instructions in the diagrams below to show you how on your car (below)

https://www.2carpros.com/articles/crankshaft-angle-sensor-replacement

Check out the diagrams (Below). Please let us know if you need anything else to get the problem fixed.
Apr 26, 2010 at 4:17 PM
Avatar
LEE LEE LEE
  • MEMBER
  • 2 POSTS
I need tire rim on the wires to his crankshaft sensor I had to put a big tail on need to make sure I'm right on color.
Feb 17, 2021 at 12:28 AM
Advertisement
Avatar
ASEMASTER6371
  • CERTIFIED EXPERT
  • 52,796 POSTS
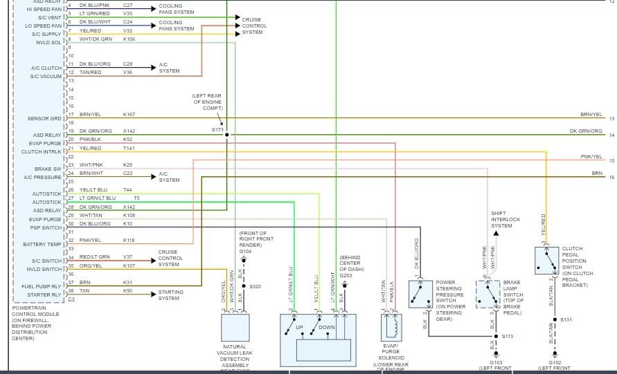
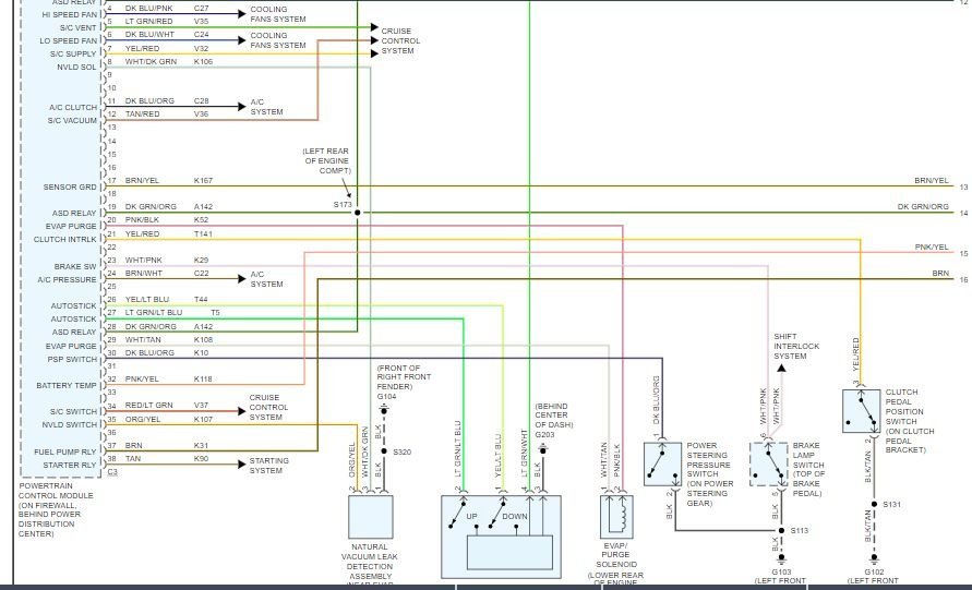
I attached a connector diagram as well as the wiring diagram for the crank sensor for you to review.

https://www.2carpros.com/articles/how-to-check-wiring

The colors and locations are marked.

https://www.2carpros.com/articles/how-a-crank-shaft-angle-sensor-works

https://www.2carpros.com/articles/crankshaft-angle-sensor-replacement

Roy
Feb 21, 2021 at 9:54 AM
Avatar
MICHAEL SPIVEY
  • MEMBER
  • 1 POST
i cant find it and im tring to replace it on my own
Apr 3, 2021 at 12:16 PM (Merged)
Avatar
CARADIODOC
  • CERTIFIED EXPERT
  • 34,308 POSTS
For the gas engine, it's in the front, right under the starter motor. It has three wires in the connector.
Apr 3, 2021 at 12:16 PM (Merged)
Avatar
JOYCE ROGERS
  • MEMBER
  • 1 POST
It will crank, but it will not stay cranked. Put it on a tester crankshaft position sensor. I need to know where it is located?
Apr 3, 2021 at 12:16 PM (Merged)
Avatar
SATURNTECH9
  • CERTIFIED EXPERT
  • 30,869 POSTS
Hello,

Here is a guide to show you what you are in for and a diagram below to show you on your car:

https://www.2carpros.com/articles/crankshaft-angle-sensor-replacement

Check out the diagrams (below). Please let us know if you need anything else to get the problem fixed.
Apr 3, 2021 at 12:16 PM (Merged)
Avatar
DACHSHUNDGIRL67
  • MEMBER
  • 1 POST
where can i locate the crankshaft position sensor and can i have a picture?
Apr 3, 2021 at 12:17 PM (Merged)
Avatar
RASMATAZ
  • CERTIFIED EXPERT
  • 75,992 POSTS
The Crankshaft Position Sensor is in the front of the engine block just under the starter motor.


https://www.2carpros.com/forum/automotive_pictures/12900_cps1_12.jpg

Apr 3, 2021 at 12:17 PM (Merged)
Avatar
FRANKLINSSR
  • MEMBER
  • 2 POSTS
My hands are big, how do I get to the sensor?
Apr 3, 2021 at 12:17 PM (Merged)
Avatar
JDL
  • CERTIFIED EXPERT
  • 16,098 POSTS


https://www.2carpros.com/forum/automotive_pictures/170934_crank_sensor_1.jpg

I don't know if the picture will help or not.
Apr 3, 2021 at 12:17 PM (Merged)
Avatar
2CP-ARCHIVES
  • MEMBER
  • 4,540 POSTS
Engine light comes on, car sputters , diagonistic machine says it's crankshaft position sensor, is that hard to replace? and where is it on the engine?
Apr 3, 2021 at 12:17 PM (Merged)
Avatar
RACEFAN966
  • CERTIFIED EXPERT
  • 5,029 POSTS
It is on the right side of the engine block use picture included. I do not know how hard it will be to get to, as it does not give me any time on replacing it. Check out the diagrams (Below). Please let us know what happens.
Apr 3, 2021 at 12:17 PM (Merged)
Avatar
JOEPURETZ
  • MEMBER
  • 6 POSTS
Where is the camshaft position sensor.? I want to replace it on my own.
Apr 3, 2021 at 12:19 PM (Merged)
Avatar
BMRFIXIT
  • CERTIFIED EXPERT
  • 19,053 POSTS
Hi Joe Check this. Let me know.


https://www.2carpros.com/forum/automotive_pictures/99387_camsensor_3.jpg

Apr 3, 2021 at 12:19 PM (Merged)
Avatar
JOEPURETZ
  • MEMBER
  • 6 POSTS
Thanks for the location of the camshaft position sensor. I have been driving for about two weeks with the same error code, but the performance is no't so terrible. MPG's have not changed (around 20-28), but have only lost some smoothness in acceleration. Can any damage be done if I do not change the sensor? Does the error code mean that there is something wrong with the camshaft?
Thanks for your advice. Joe
Apr 3, 2021 at 12:19 PM (Merged)
Avatar
BMRFIXIT
  • CERTIFIED EXPERT
  • 19,053 POSTS
The PCM look for the crank and cam sensors to sync the injectors with the firing order.
May I suggest replacing the sensor as soon as possible.
(It is the sensor and not the camshaft )
Apr 3, 2021 at 12:19 PM (Merged)
Avatar
JOEPURETZ
  • MEMBER
  • 6 POSTS
I followed your advice, ordered on the WEB a new CPS, installed it in half an hour, and all codes were cleared. The PT runs great now! Thanks for everyone's help. Joe
Apr 3, 2021 at 12:19 PM (Merged)
Avatar
LAURIE48
  • MEMBER
  • 2 POSTS
Location of crankshaft position sensor and how to change it.
Apr 3, 2021 at 12:19 PM (Merged)
Avatar
RASMATAZ
  • CERTIFIED EXPERT
  • 75,992 POSTS


https://www.2carpros.com/forum/automotive_pictures/12900_cs_4.jpg

The crankshaft position sensor is in the front of the engine block just under the starter motor. Removal: 1.Disconnect the negative battery cable. 2.Raise vehicle and support. 3.Remove the structural collar, refer to the engine, structural collar removal and Installation. 4.Unlock and disconnect the electrical connector to the crankshaft position sensor. 5.Remove the crankshaft position sensor bolt. 6.Remove the sensor. Installation - 2.0/2.4/2.4L Turbo: 1.Check o-ring for damage and lubricate the o-ring with engine oil before installing sensor. 2.Use a twisting motion when installing the sensor. 3.Install and tighten the crankshaft position sensor bolt and tighten to 9 Nm (80 ±15 in. lbs.) . 4.Connect and lock the electrical connector to the crankshaft position sensor. 5.Install the structural collar, refer to the engine, structural collar removal and installation. 6.Lower vehicle. 7.Connect the negative battery cable.
Apr 3, 2021 at 12:19 PM (Merged)