Cranks no start

2000 CHRYSLER SEBRING
120,000 MILES • 2.5L • V6 • 2WD • AUTOMATIC
Avatar
DBLSECRETPROB
  • MEMBER
  • 6 POSTS
replaced valve cover, car sat outside for a week, upon completion crank but no spark. seems to have fuel, no DTC's present, all plugs seem to be in place. did notice oil under the distributor.

Sebring JXi
Sep 16, 2019 at 6:19 PM
Advertisement
Avatar
KASEKENNY
  • CERTIFIED EXPERT
  • 18,907 POSTS
Hi,

Oil under the distributor should not cause a no start. It has a seal on the distributor shaft so that may have just failed. It may need a new distributor anyway so I wouldn't worry about that first. Let's figure out the no spark issue and then that may get fixed as well.

This guide can help ix it

https://www.2carpros.com/articles/car-cranks-but-wont-start


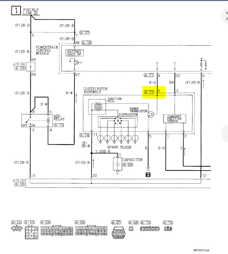
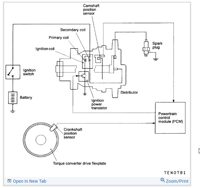
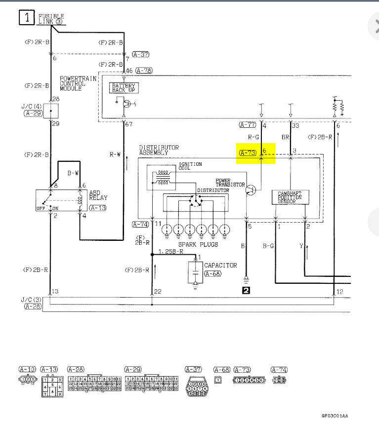
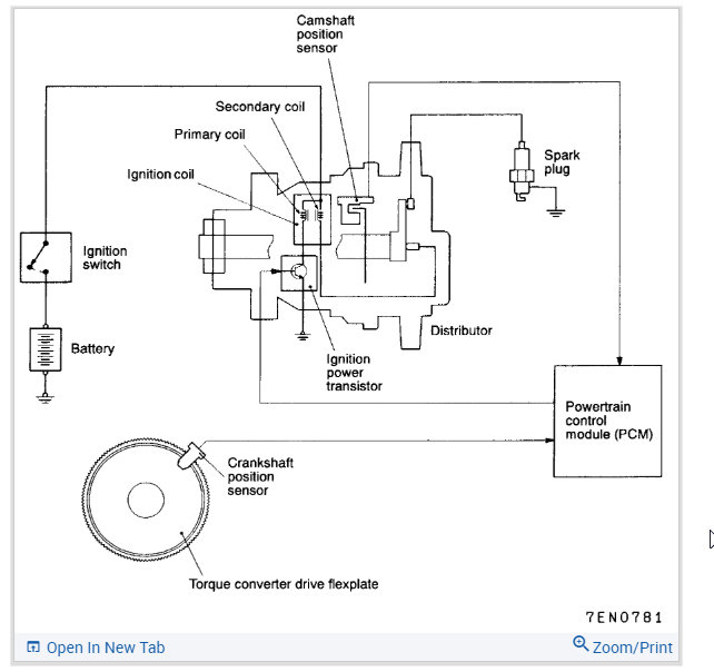
I attached the way the system works so we need to start working from the plugs backwards. The good and bad thing is the distributor on this engine contains the coil, cam sensor, and power transistor. So for $100.00 you get it all. We just need to see if the PCM is sending signal to the distributor to fire. This would prove out the PCM and crank sensor. Then we need to make sure the ignition switch is sending signal. If both are there, then the issue is in the coil or transistor and I would just replace the distributor because then you get the new shaft seal to fix the oil issue as well.

If you don't have the ignition signal or crank signal then we can go down that path.
Sep 17, 2019 at 1:30 PM
Avatar
DBLSECRETPROB
  • MEMBER
  • 6 POSTS
Hello and thank you for your quick response. I should expound on what has happened on the car the last couple years. Had it serviced around 100,000 (4 years ago) and I ended up having to fix several things that weren't completed myself. Replaced crank sensor when the car started acting flaky about 3 years ago and it ran fine afterwards (used a Wells Mfg. sensor). This Spring I tried to start it and it just cranked. Put it on the charger overnight, still cranked but no start, so I started pulling fuses and resetting modules that had to do with engine management, boom, it started right up. That is when I noticed the oil leak so I did not start the car more than a few times over the Summer. About a month ago I decided to replace the valve cover gasket. The car fired up on the 1st touch of the key, I backed it up towards the garage and replaced the gasket, put all the connectors back together and tried to start it up. seems like its getting fuel as I said. The main problem for me is I don't bend like I used to and as you know this is a bear to work on. I was hoping someone made a breakout box for the PCM so I could easily test the sensors, maybe you know? I do have the service info and schematic which helps a lot. I will read the info you attached and get back to you Ken, much appreciated! Looked at the schematic and noticed a capacitor on pin1 of the distributor (2 way conn.), is that correct and if so, where is it? Thanks
Sep 17, 2019 at 3:31 PM
Advertisement
Avatar
KASEKENNY
  • CERTIFIED EXPERT
  • 18,907 POSTS
I think we can assume it is not getting spark but just pull a plug and hold it against the block and verify that. There is a capacitor but I would look at the highlighted pin first in the wiring diagram I highlight previously. That is the signal from the Crank sensor so if you have nothing on there when cranking then we need to look at the crank sensor or PCM. However, since you replaced that a couple times, I can assume it is okay but should be verified. If you do, then we need to turn to the distributor.
Sep 18, 2019 at 8:10 PM
Avatar
DBLSECRETPROB
  • MEMBER
  • 6 POSTS
Hi Ken, I tested for spark after I pulled battery negative and checked resistances to most of the sensors for obvious shorts or open circuits (via the lifted PCM connectors), only the pin 6 line from the PCM connector to the ASD relay was questionable at 2.5 ohms (this also goes to the Generator, Distributor, and to fuse 1 of the PDC. Then I set up to test spark on the no. 6 plug, Wife assist mode with instructions "shut down immediately if engine starts". Of course it did, so I put it all back together and wonder what the next step should be. Seems to be triggered when the car sits for more than a couple days but doesn't seem to be a battery issue as I put a full charge on the battery overnight before attempting to start it, also pulled B+, none of which worked. Has anyone published a list of resistance values for the sensors on this car? I know when the Hall effect crank sensor went bad, I was able to rig up a circuit with my scope, B+ and ground, sensor output, a piece of ferrous metal,and passed it back and forth past the metal and could see the output on the scope. Thanks
Sep 24, 2019 at 5:44 PM
Avatar
KASEKENNY
  • CERTIFIED EXPERT
  • 18,907 POSTS
Hi,

I don't have all sensors but do have some specs. I attached those that are published.

As for the issue, just so I understand it starts and runs okay unless it sits for a couple days? Then when it doesn't start it has no spark?

I have read through this a couple times and am just having a hard time catching the issue and when it happens.

As for the scope, I am very encouraged to hear you have one and understand how to use it. I am sure we will figure this out. Just so I know, what type of scope do you have so I can formulate a test if needed that will work with your scope?
Sep 24, 2019 at 6:43 PM
Avatar
DBLSECRETPROB
  • MEMBER
  • 6 POSTS
Yes, that's about it, sitting seems to trigger it, though can't definitely say that's it. The scope is an old 50 mhz Hewlett Packard dual trace from the 1960's I bought that was military surplus. I'd probably want to use an isolation transformer with it if I use it on the car. It is beginning to remind me of a problem I had with my 96 Express van for years. Every time it rained or got damp, the van would crank but not start (350 V8). Of course it was often the plastic distributor with inadequate venting that loaded up with ozone and fouled the contacts. This year though, the contacts did not look bad, so upon the advice of a friend, I checked the resistance of the ECT sensor. I think it was 50K ohms, which I believe equates to a temperature of 50 below zero on the chart I saw. so the ECM was telling the injectors to pump like crazy. Of course I never smelled gas, Its run perfect since replacement, Thanks, Greg
Sep 24, 2019 at 7:15 PM
Avatar
KASEKENNY
  • CERTIFIED EXPERT
  • 18,907 POSTS
Great catch. Yes. That is equal to an open circuit as far as the ECM is concerned. The ECM can only read down to -40 so when looking at a scan tool that is what you would see. Very common on temperature sensors when they fail.

Please let me know if you have more issues but thanks for the update. That info will be valuable to others that visit the site. Thanks
Sep 24, 2019 at 8:20 PM
Avatar
DBLSECRETPROB
  • MEMBER
  • 6 POSTS
Hi Ken, the car is taking fits again after sitting. Again crank and crank, no start, but, it did something strange this time. Unless my eyes failed me, I could have sworn I saw a puff of smoke right at the beginning of cranking, looking through a dusty windshield it was hard to tell what type. Kept charging then cranking and after about 4 or 5 rounds of that it fired and ran perfectly. Could this be an intermittent head gasket issue? Was the 2.5 V6 known to have odd head gasket issues? Thanks
Nov 1, 2019 at 11:25 AM
Avatar
KASEKENNY
  • CERTIFIED EXPERT
  • 18,907 POSTS
It very well could be. The 2.5L was not known for head gaskets but they do fail so we should check it.

https://www.2carpros.com/articles/how-to-test-engine-compression

How long did it sit? If it took a while of cranking and then finally started it may just be a weak fuel pump at this point. Let me know if I am not understanding the issue properly.
Nov 1, 2019 at 7:54 PM
Avatar
DBLSECRETPROB
  • MEMBER
  • 6 POSTS
Hi Ken, well it has been awhile. car was still smoking after the front valve cover was replaced. so I took it in and the rear cover was replaced. also had the muffler replaced, they checked it out, it ran perfect again. until it sat for 3 or 4 days (after I took it home). then it took another fit, had to crank and crank, finally fired and started but acted like it was missing, and, upon cracking the throttle open quickly, bucked like crazy and almost stalled. shut it off after that, restarted, perfect again. have went out every 2 or 3 days, started and run perfect. No codes except for ongoing ABS light which I believe is a tone ring. I'm beginning to think fuel pressure or an intermittent sensor, as I mentioned before similar to what happened with the CTS on my van. Thanks
Jan 12, 2020 at 12:06 PM
Avatar
KASEKENNY
  • CERTIFIED EXPERT
  • 18,907 POSTS
That is a great place to start due to there not being any codes. If there were codes we could chase a sensor but without that I highly doubt it was a sensor. Throttle position sensors or MAP sensors would cause something like this but again, these are checked against performance and when they are out of spec they set a code.

https://www.2carpros.com/articles/how-to-check-fuel-system-pressure-and-regulator

Let's check fuel pressure while this is happening and go from there.
Jan 13, 2020 at 4:56 PM
Avatar
DBLSECRETPROB
  • MEMBER
  • 6 POSTS
Hello again Ken. well, I have 2 failure modes, 20 percent of the time it won't start, seems like sitting might bring this on, not sure, other failure mode is it starts and idles fine but as the engine warms up and transitions from open to closed loop it starts missing at idle (not sure about off idle). this seems to be happening more frequently. any ideas are appreciated.

Thanks,

Greg
May 18, 2020 at 11:15 AM
Avatar
KASEKENNY
  • CERTIFIED EXPERT
  • 18,907 POSTS
The first issue of not starting sounds very much like a fuel pressure issue. The fact that it sits for a little while and then this happens sounds like the pump cannot build the pressure on the first turn of the key. You can try cycling the key a few times and see if it starts. We need to start with fuel pressure and go from there. Let me know the PSI at key on. Thanks

https://www.2carpros.com/articles/how-to-check-fuel-system-pressure-and-regulator

As for the second issue we need to get a new post started with that. It would not be related to this post nor the fuel pressure because it is no different in open or closed loop so in that case we are dealing with a sensor most likely.

https://www.2carpros.com/questions/new

Thanks
May 19, 2020 at 3:48 PM
Avatar
DBLSECRETPROB
  • MEMBER
  • 6 POSTS
Kase, I finally took off the throttle body, cleaned it out completely, replaced the IAC motor, reassembled, have been driving without incident for about 3 days now. hopefully that's it.

Thanks,

Greg
Jul 6, 2020 at 12:07 PM
Avatar
STRAILER
  • CERTIFIED EXPERT
  • 53,855 POSTS
KASEKENNY1 is one of our best! Use 2CarPros anytime, we are here to help. Please tell a friend.
Jul 6, 2020 at 12:08 PM