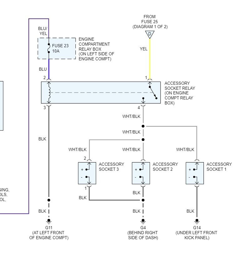
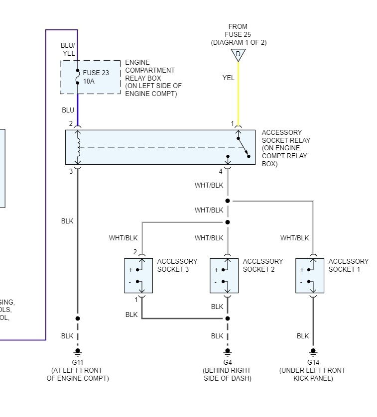
Hello there. The other day I used the cigarette lighter power socket to power a tire pump. While pumping the second tire the compressor just stopped. I tried plugging my phone charger and a hands-free device into the socket, but it didn't work, so I reckon it was too much work for the poor thing. I checked both fuses that are for the power sockets and they are both fine. I just ordered a new socket, and I was wondering how in the world do you replace that thing. I have never pulled out any dashboard panels. So, I'm really anxious to not break something beyond repairing. Thank you in advance.
Jan 29, 2023 at 12:30 PM



