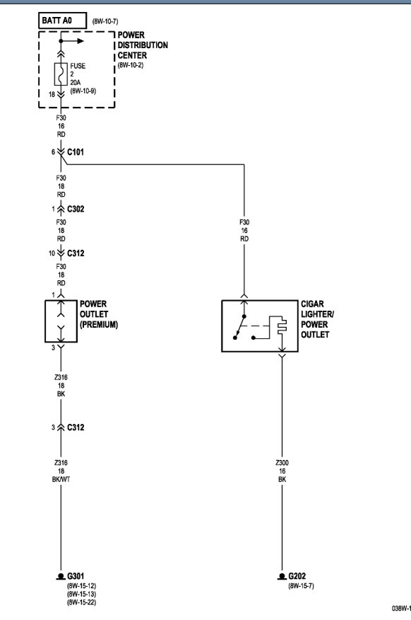
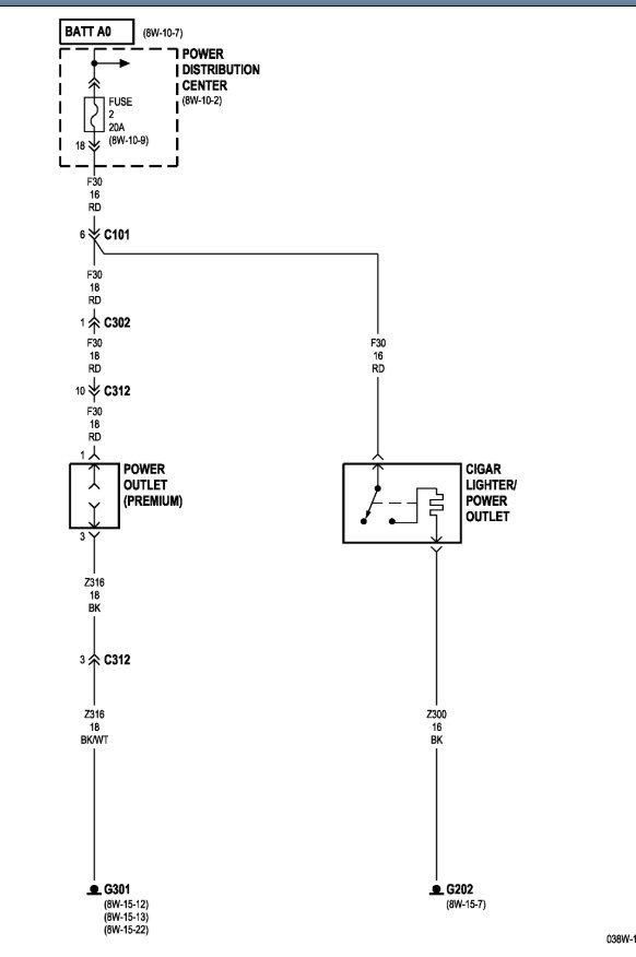
This fuse is located in the front left corner of the engine compartment by the battery. You want to look at fuse #2. If this is ok then what are you using in the outlet? Are you using it as a charger or are you using the lighter?
If the fuse is blown and you are using the lighter then most likely the lighter is shorted. If you are using it as a charger then this is drawing too much current and it is blowing the fuse.
If the fuse is not blown, try using a different item in the outlet and see if it works. If it doesn't then the outlet itself is most likely the cause.
Let me know if you have questions. Thanks
Images (Click to enlarge)
Apr 20, 2020 at 10:44 AM