Check engine light on and code p0135

1998 CHEVROLET METRO
64,000 MILES
Avatar
LAUREL FAULK
  • MEMBER
  • 2 POSTS
What does code P0135 mean?
Sep 8, 2020 at 9:07 AM
Advertisement
Avatar
ASEMASTER6371
  • CERTIFIED EXPERT
  • 52,796 POSTS
Good morning,

Most of the time it is the O2 sensor for this but must be confirmed.

https://www.2carpros.com/articles/how-an-oxygen-sensor-works

https://www.2carpros.com/articles/how-to-replace-an-oxygen-sensor

I attached the description and the flow chart for you to follow to determine the failure.

Roy

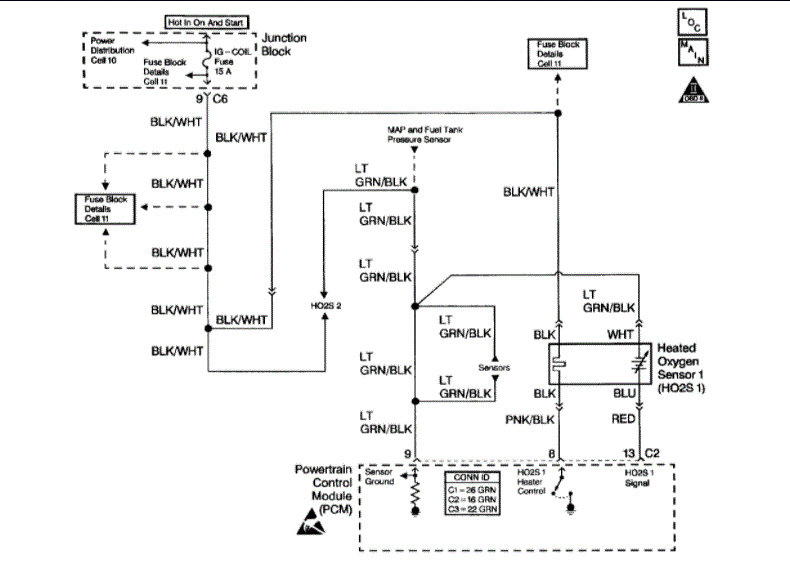
Circuit Description
The heated oxygen sensors (HO2S) increase the amount of time the sensor spends in closed loop fuel control operation or catalyst monitoring operation. The oxygen sensor heater greatly reduces the amount of time required for the fuel control HO2S (sensor 1) to become active. The oxygen sensor heater is required by the post-catalyst HO2S (sensor 2) in order to maintain the high operating temperatures. The heater helps provide accurate oxygen content readings of the engine exhaust by the HO2S.

Conditions for Running the DTC
The engine has been running at idle for at least 1 minute.
The vehicle is accelerated from a stop (after idling 1 minute) for at least 5 seconds.

Conditions for Setting the DTC
The resistor voltage is less than 2.5 volts with the heater off.
The resistor voltage is greater than 0.31 volts with the heater on.
Either of the above conditions present for 5 seconds.

Action Taken When the DTC Sets
The PCM illuminates the malfunction indicator lamp (MIL) after two consecutive ignition cycles in which the diagnostic runs with the fault active.
The PCM records the operating conditions at the time the diagnostic fails. This information is stored in the Freeze Frame buffer.

Conditions for Clearing the MIL/DTC
The MIL turns OFF after three consecutively passing trips without a fault present.
A History DTC clears after 40 consecutive warm-up cycles without a fault.
Use the scan tool Clear DTC Information function or disconnect the PCM battery feed in order to clear the DTC.

Diagnostic Aids
Clear the DTCs. Road test the vehicle while monitoring the HO2S Heater test in the MIL/System Status selection under System Information on the scan tool. When the HO2S Heater test indicates complete with a YES status, check for a DTC P0135 under Last Test Failed. If there is no DTC P0135 indicated, the DTC is intermittent and the HO2S Heater diagnostic is indicating OK at this time,
Check for a faulty electrical connection to the PCM. An intermittent malfunction may be caused by a fault in the HO2S 1 sensor electrical circuit. Inspect the wiring harness and components for any of the following conditions:
Backed out terminals.
Improper mating of terminals.
Broken electrical connector locks.
Improperly formed or damaged terminals.
Faulty terminal to wiring connections.
Physical damage to the wiring harness.
A broken wire inside the insulation.
Corrosion of electrical connections, splices, or terminals.
If a DTC P0135 cannot be duplicated, the information included in the Freeze Frame data can be useful in determining vehicle operating conditions when the DTC was first set.

Test Description
The numbers below refer to the step numbers in the Diagnostic Table.
1. The Power-train OBD System Check prompts the technician to complete some basic checks and store the freeze frame data on the scan tool if applicable. This creates an electronic copy of the data taken when the fault occurred. The information is then stored in the scan tool for later reference.
2. This step checks whether the malfunction that caused the DTC P0135 is still present. Driving the vehicle under these conditions will verify that the fault is present. The DTC P0135 diagnostic can be monitored on the scan tool under the MIL/System Status selection of System Information. When the HO2S test displays a YES status (indicating that the purge system diagnostic is completed) check for a DTC P0135 in the Last Test Failed screen of the scan tool. If there is no DTC P0135 displayed the HO2S system diagnostic has run and passed, indicating that no malfunction was present this time. DTCs must be cleared in order to view the current status of the system diagnostics being performed. Do not forget that the MIL/System Status tests only indicate that the test has run, not whether the test passed or failed. The Last Test Failed screen must be checked for related DTCs in order to determine the outcome of the diagnostic test involved.
3. The HO2S 1 heater is powered by the IG-COIL fuse located in the Junction Block.
5. This step measures the resistance of the heater circuit of the HO2S 1.
8. This step checks for a short to ground in the HO2S 1 heater circuit. If no problem is found in the HO2S 1 heater circuit the problem could be a faulty (shorted) HO2S 1.
Sep 9, 2020 at 4:21 AM
Avatar
LAUREL FAULK
  • MEMBER
  • 2 POSTS
wow, thanks for the great reply, that helped me a lot.
Sep 10, 2020 at 11:24 AM
Advertisement
Avatar
ASEMASTER6371
  • CERTIFIED EXPERT
  • 52,796 POSTS
You are welcome.

Always glad to help.

Roy
Sep 10, 2020 at 11:26 AM