Clicking when turning

2007 CHEVROLET HHR
151,000 MILES • 2.2L • 4 CYL • 2WD • AUTOMATIC
Avatar
G THOMPSON JR.
  • MEMBER
  • 4 POSTS
Hello all,
Now I am no mechanic but I just rebuilt the front end of my wife’s car!!
Parts I replaced!!
Shock towers,
Cv axels,
Control arms,
Inner and outer tie rods,
Hub assembly’s,
Rotors and brakes
Everything has been torqued to factory specs!!

At first everything sounded good and felt good driving! But the next time we drove it we noticed that there was a clicking noise coming from the front of the car! Everything is tight as it should be! I greased the steering bar is what I’m going to call it!
It sat over night and took it for a ride today! No noice what so ever ran and handled good!
Then wife had appointment so she took the car and said the noise is back!!

Can anyone help me out?
Plz no negative comments
Can’t afford to have a mechanic to it!
May 1, 2019 at 7:49 PM
Advertisement
Avatar
JACOBANDNICKOLAS
  • CERTIFIED EXPERT
  • 110,175 POSTS
Welcome to 2carpros.com

Is it possible for you to record and upload the sound you are hearing? Typically, a clicking is related to a bad CV joint when making turns. However, you replaced them. Is there anything that causes the sound? Does it happen regardless if you are going straight or turning? Does the clicking speed up as the vehicle does? Does the sound change when accelerating or decelerating? Does it change if the brakes are applied?

Let me know.

Joe
May 1, 2019 at 8:02 PM
Avatar
G THOMPSON JR.
  • MEMBER
  • 4 POSTS
Well I don’t know what’s going on but now I have a big problem!
May 2, 2019 at 9:21 AM
Advertisement
Avatar
G THOMPSON JR.
  • MEMBER
  • 4 POSTS
I his is the part that just fell out while driving
May 2, 2019 at 10:04 AM
Avatar
G THOMPSON JR.
  • MEMBER
  • 4 POSTS
More pics
May 2, 2019 at 10:06 AM
Avatar
JACOBANDNICKOLAS
  • CERTIFIED EXPERT
  • 110,175 POSTS
Welcome back:

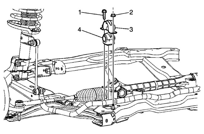
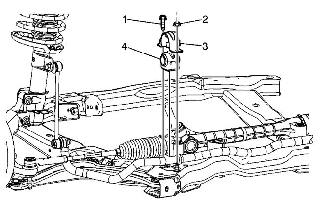
That doesn't look good. From the pic, it looks like the sway bar broke and that is part of it.

Take a look at the attached pic. It shows the how the sway bar runs across the front and attaches.

Let me know if that is the problem. If it is, it bolts under the vehicle to the frame and then to the links.

Let me know.

Joe
May 2, 2019 at 7:47 PM