Hello,
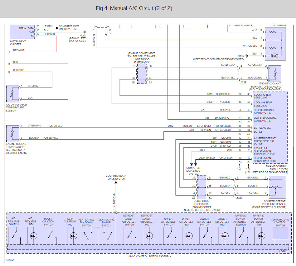
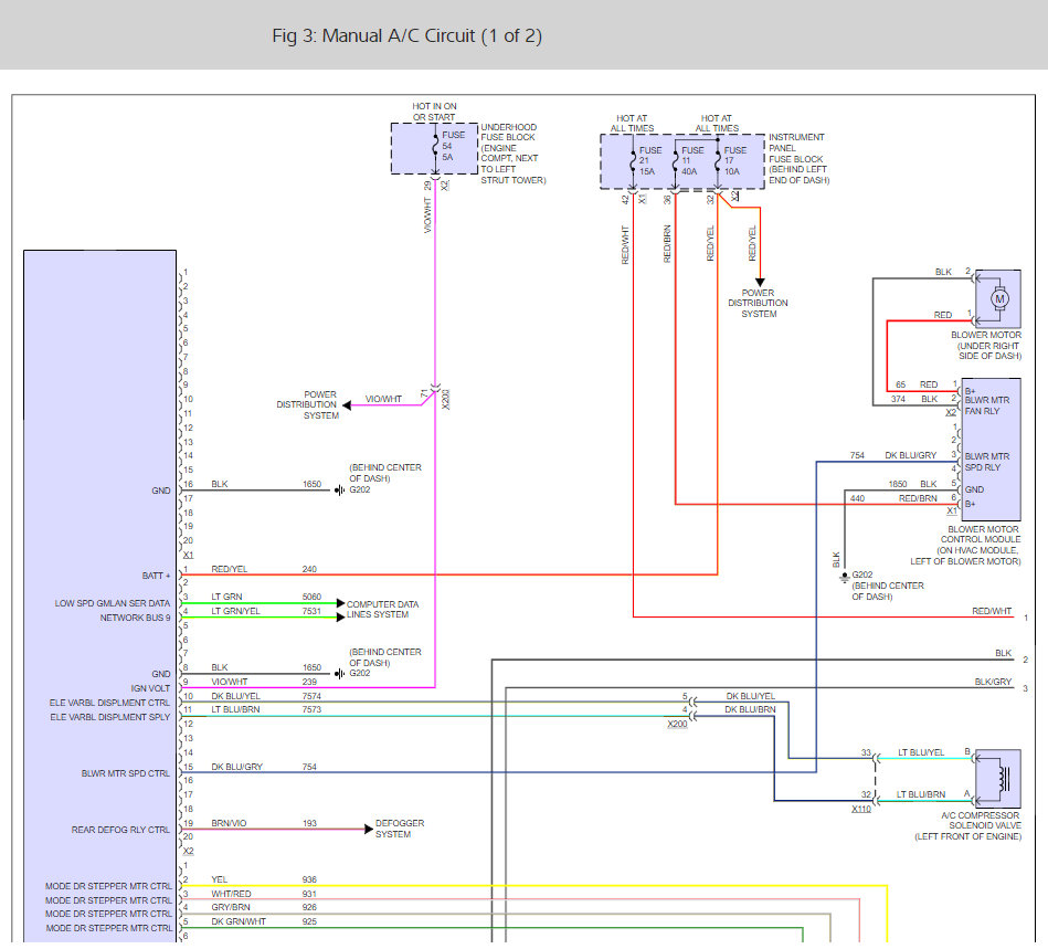
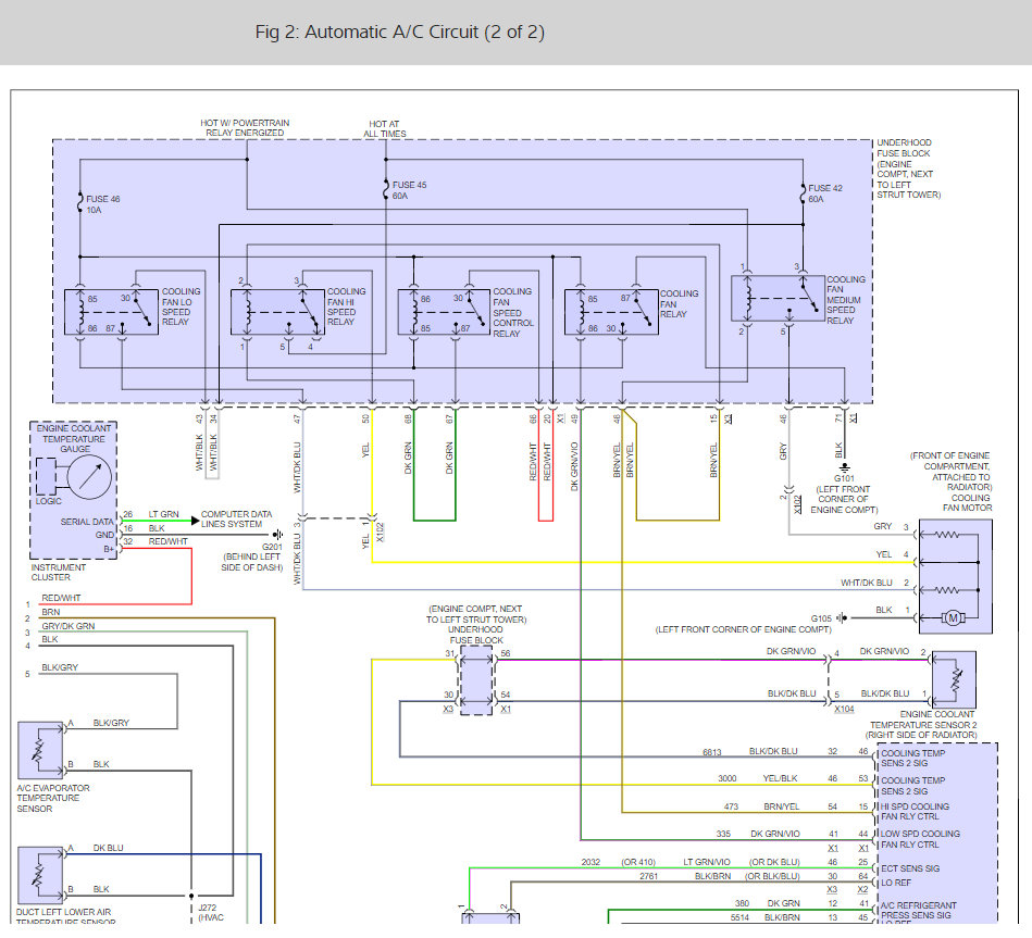
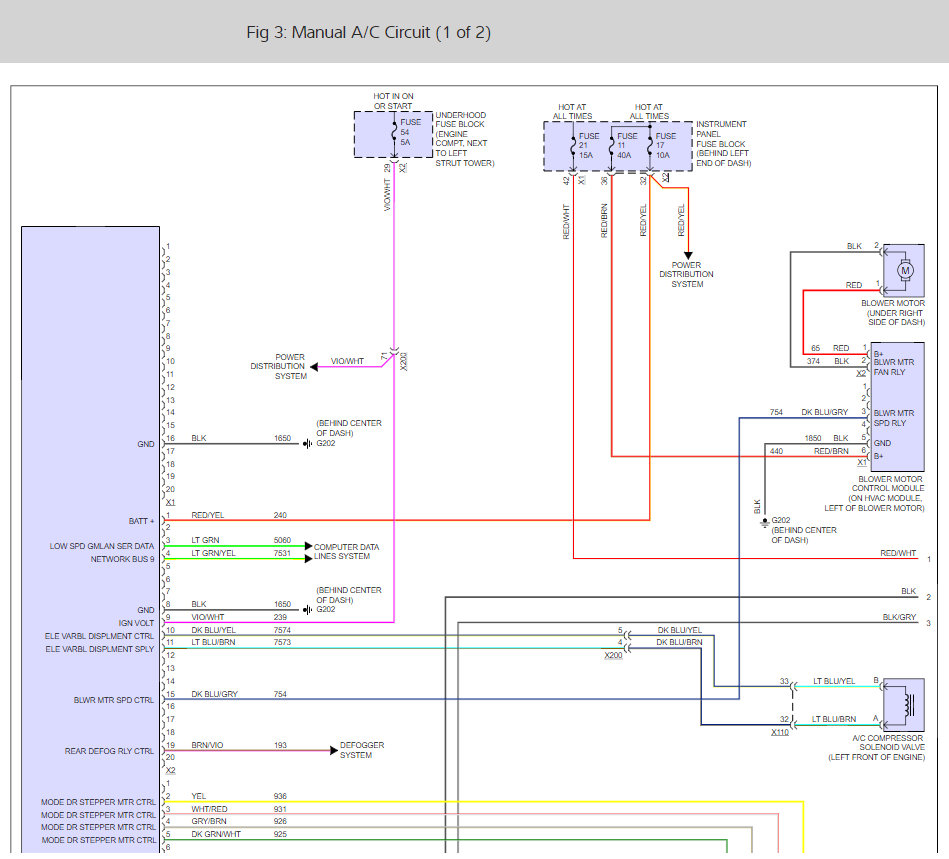
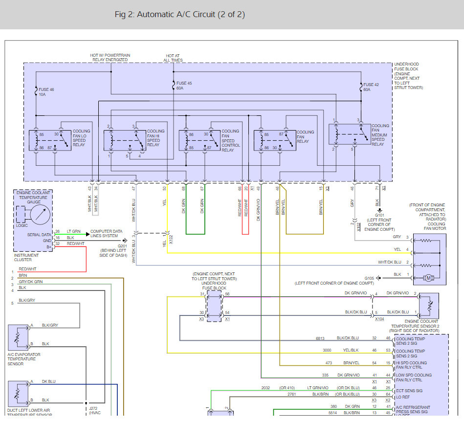
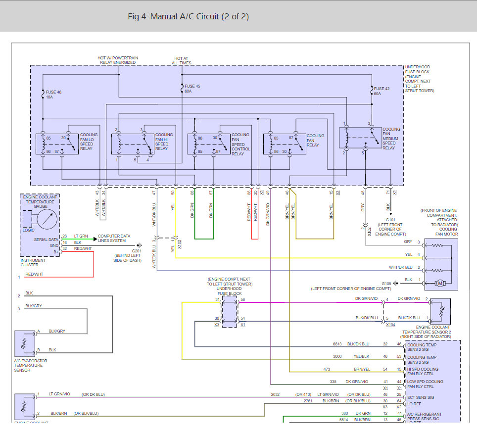
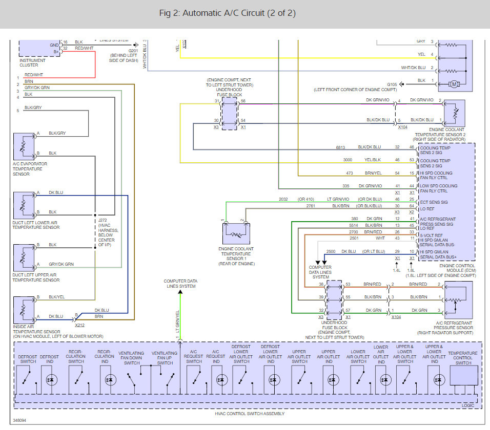
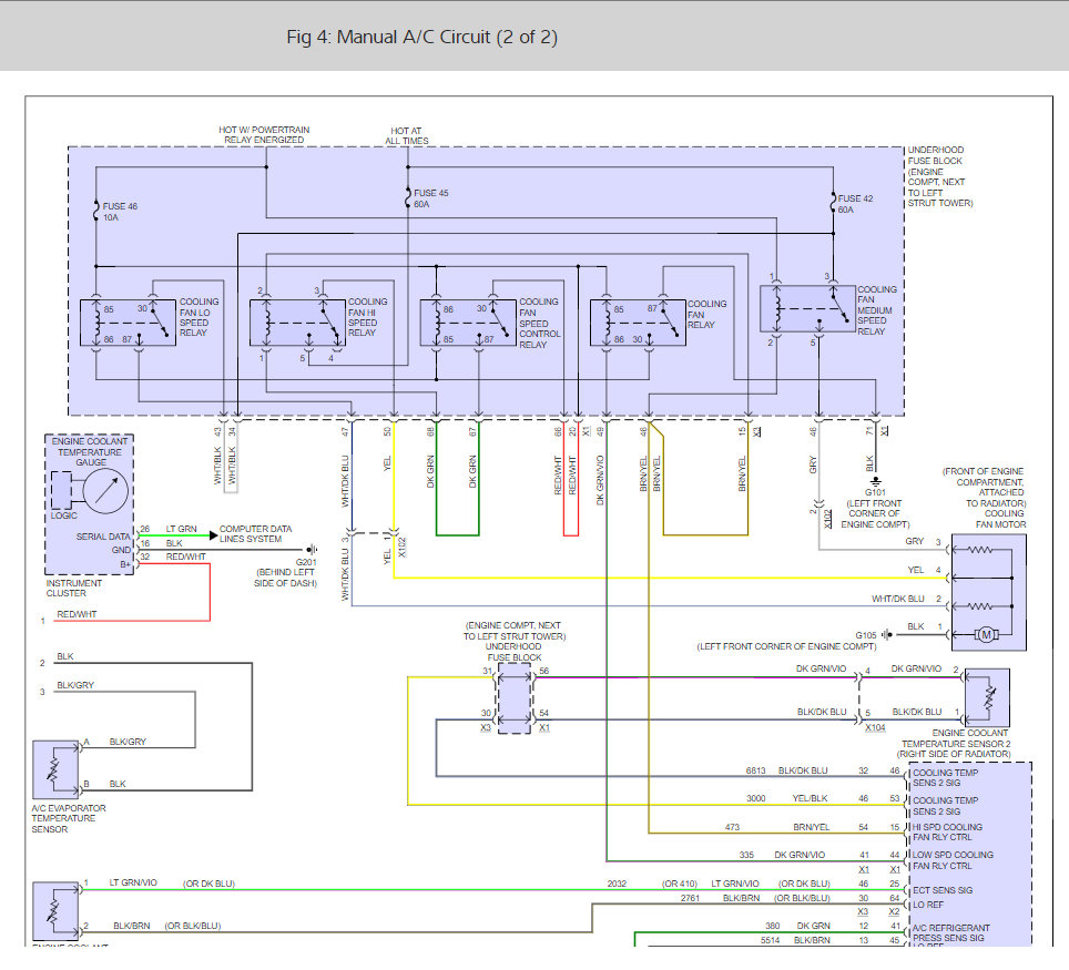
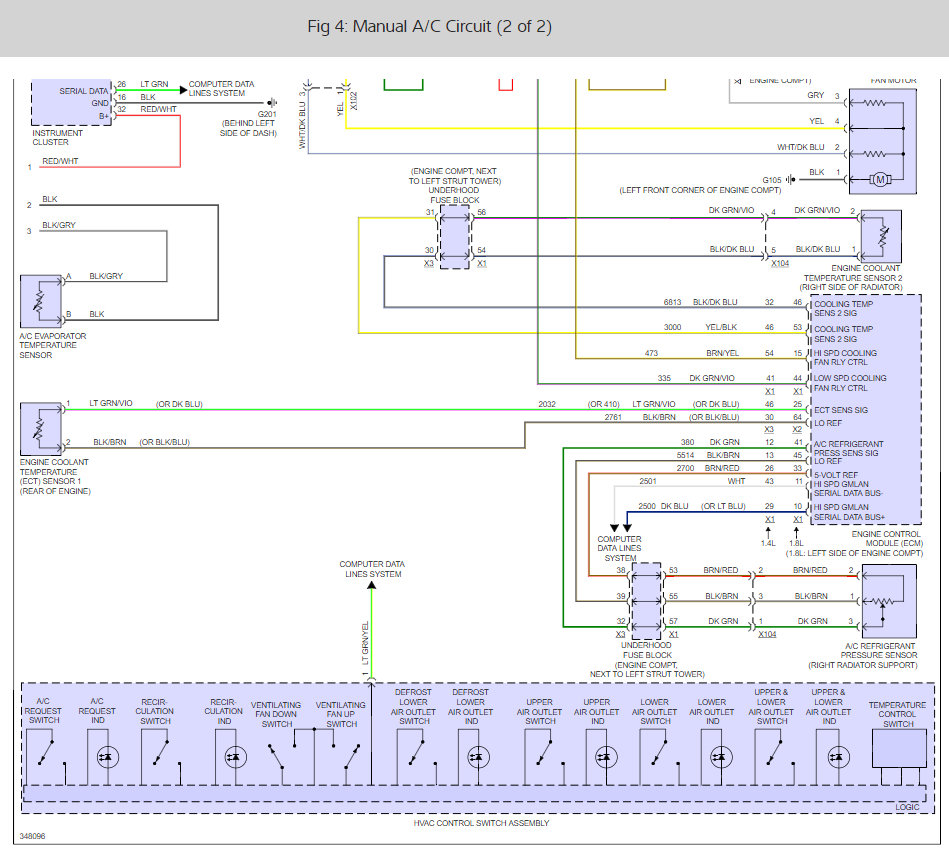
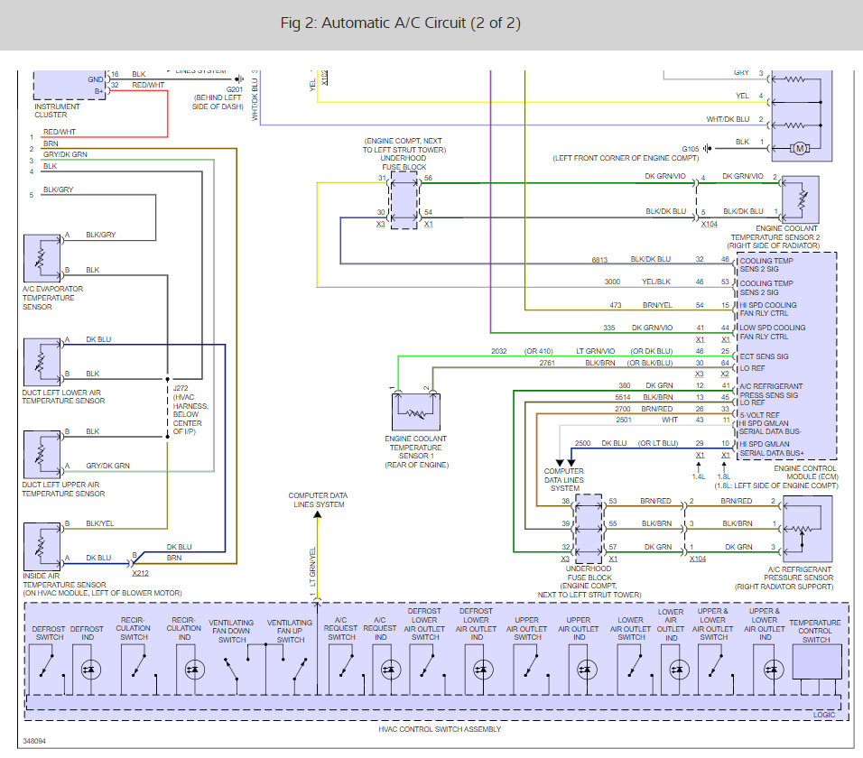
There are several fuses that run the system and there is a blower module that can go out causing the problem you have described. that need to be checked. Here are some guides and diagram (below) so you can do some easy testing so we can get the car fixed.
https://www.2carpros.com/articles/how-to-check-a-car-fuse
This guide should help as well.
https://www.2carpros.com/articles/blower-fan-motor-works-on-high-speed-only
The guide has the module with the blower motor.
Please let us know what happens and upload pictures or videos of the problem.
Cheers, Ken
Images (Click to enlarge)
Sep 21, 2017 at 1:08 PM