Climate control and blower troubleshooting

1984 CADILLAC FLEETWOOD
120,000 MILES • 4.1L • V8 • 2WD • AUTOMATIC
Avatar
BRYANHARRIS87
  • MEMBER
  • 14 POSTS
1984 Fleetwood Brougham. I got the blower motor working by running a separate ground to it, now it won’t turn off (even when the car isn’t running). Without the rigged up ground it doesn’t work at all. While I had it running, the dash control wouldn’t change the speed or shut it off. Also, the air only comes out of the bottom vents, nothing out of the top. Please point me in the right direction. Thanks
Jun 28, 2021 at 3:37 PM
Advertisement
Avatar
JACOBANDNICKOLAS
  • CERTIFIED EXPERT
  • 110,175 POSTS
Hi,

I have very limited wiring schematics because of the model year, but I will try my best to help.

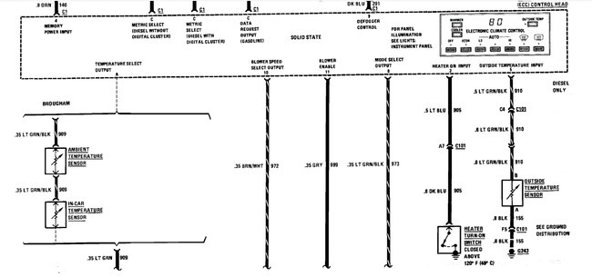
I attached the only wiring schematic that I could find below. If I'm reading it correctly, ground is provided via the ECC (electronic climate control). The amount of resistance to ground controls the fan speed.

When you ran a direct ground, there is constant power to the ECC and basically, you bypassed the ECC and completed the circuit. Was the blower running at high speed when you did this? If it was, then we have to find and inspect the ground from the ECC. If it is good, I suspect the ECC is the problem.

Pic 2 below shows the location of the ground, which is a black wire.

Here is a link you may find helpful:

https://www.2carpros.com/articles/how-to-check-wiring

Let me know what you find.

Joe

See pics below.
Jun 28, 2021 at 9:24 PM
Avatar
BRYANHARRIS87
  • MEMBER
  • 14 POSTS
Yes, when I completed the circuit, the fan was full speed. I will look at the ground then. What about the air flow? If I can solve the issue with the ground or the power module, will the air flow through all of the vents? Because it was only flowing through the bottom vents under the ashtray.
Jun 29, 2021 at 4:55 AM
Advertisement
Avatar
JACOBANDNICKOLAS
  • CERTIFIED EXPERT
  • 110,175 POSTS
Hi,

That is controlled differently. Let's focus on getting the blower working first. Once that is taken care of, we can focus on why it isn't changing mode (airflow direction).

Let me know what you find.

Take care,

Joe
Jun 29, 2021 at 7:17 PM
Avatar
BRYANHARRIS87
  • MEMBER
  • 14 POSTS
I inspected the wires and they seem fine. I found a climate control power module from a salvage yard, installed it, and nothing has changed… Inside the vehicle, what I believe is the A/C programmer under the glove box makes noises when I push buttons on the climate control head. Could this programmer be a reason why the blower motor doesn’t respond from the controller?
Jul 1, 2021 at 11:45 AM
Avatar
JACOBANDNICKOLAS
  • CERTIFIED EXPERT
  • 110,175 POSTS
Hi,

This vehicle is pre body control module (BCM) controlled system. On non-BCM controlled ECC systems, the power module provides a ground to the ground terminal on the housing of the blower motor and supplies power to the air conditioning compressor clutch.

Below are the only diagnostics I can find related to an inoperative blower motor. If you look at the first picture, number 1 is the power module. Check to see if there is power there. Also, take a look through the diagnostics and see if anything helps.

Let me know.

Joe
Jul 1, 2021 at 8:42 PM
Avatar
BRYANHARRIS87
  • MEMBER
  • 14 POSTS
Upon closer inspection of the wires that were highlighted in your first reply, the diagram shows a fusible link on the orange wire that goes to the blower motor but also splits to the power module. I found the wire wrapped in duct tape with no fusible link. It looks like it was hardwired directly in line. I’m posting a picture below. Could this potentially be the issue of the blower motor not working? My light tester shows that the plug to the power module is getting power from that wire but could it be too much power because of the lack of a fusible link? If I do need a link what size do I need?
Jul 5, 2021 at 10:21 AM
Avatar
JACOBANDNICKOLAS
  • CERTIFIED EXPERT
  • 110,175 POSTS
Hi,

That appears to be the fusible link. As far as too much power, no, that isn't possible. The fusible link functions as a fuse. If too much power is drawn due to a short or other failures, the wire in the link melts and breaks just like a fuse.

From that same wire, do you have power to the blower motor?

Let me know.

Joe
Jul 5, 2021 at 8:03 PM
Avatar
BRYANHARRIS87
  • MEMBER
  • 14 POSTS
Yes, the blower motor is getting power from that wire.
Jul 6, 2021 at 5:41 AM
Avatar
JACOBANDNICKOLAS
  • CERTIFIED EXPERT
  • 110,175 POSTS
Okay. If the blower motor is getting power, the module is getting power, all that's needed is ground. Have you confirmed continuity to ground via the black wire from the ECC power module? If you have and it's good, then check for power between the ECC power module and the ECC programmer via the orange/black wire.

Let me know.

Joe
Jul 6, 2021 at 9:10 PM
Avatar
BRYANHARRIS87
  • MEMBER
  • 14 POSTS
I’m not sure how to check the ground. The wire is in good shape and it’s in contact with the firewall.

I checked the wiring harness that plugs into the power module with my light tester.

Orange and black wire - no power.
Blue and white wire - yes power.
Orange wire - yes power.
Tan wire - no power.
Brown wire - yes power.
Dark blue - no power.

By power I mean my light tester did or didn’t light up. I also checked this with the car running. Thank you for all of your help. Very much appreciated!
Jul 7, 2021 at 8:16 AM
Avatar
JACOBANDNICKOLAS
  • CERTIFIED EXPERT
  • 110,175 POSTS
Hi,

I listed each of the wires and their purpose. The one thing I am questioning is the tan wire that goes between the blower motor itself and the ECC power module. When you provided a new ground, it ran all the time, which makes sense. You have power from a fuse at all times to the motor via the orange wire.

Now, when everything was on and you checked the tan wire for power, you should have been providing a ground path and the fan should have worked and indicated power.

Here is what I would check next. Reconfirm a new ground from the motor makes it run. If it does, check the tan wire for continuity. It may have a break in it.

If the tan wire checks good, you should be able to test it for power at the ECC power module and find power. If you do, then either the power module has failed or the ground for the power module has failed. That will require you to simply check for continuity to ground via the black wire. If you have it, my first suspect is the ECC power module.

If you find a good ground and the tan wire is good, it sounds like the blower motor is bad. But you had it running also.

Blue/white - 8v output from ECC programmer to ECC power module.

Orange/black - Blower speed control.

Orange - Power to ECC power module and blower motor.

Tan - BLower motor control between motor and ECC power module.

Brown - AC Power from the fuse to ECC Power module power input.

Dark blue - Heater on (automatic) input to controller head.

I attached the wiring schematic below of the entire system (what I have). Use it as a reference. Before going any further, let me know what you find with what I suggested.

Also, I had two pages of schematics. I had to cut each in half to make them readable for you. I did overlap them so you can follow from one to the next.

Take care,

Joe
Jul 7, 2021 at 9:08 PM
Avatar
BRYANHARRIS87
  • MEMBER
  • 14 POSTS
I tested the wire that comes from the tab on top of the power module and it completes the circuit. Just not when it’s connected to the module. Posted a picture.

Also, there are more wires in the plug that goes into the power module than the diagram shows. I’m really bad with electrical so I apologize.

The fan still works when I use an outside ground.
Jul 8, 2021 at 12:36 PM
Avatar
JACOBANDNICKOLAS
  • CERTIFIED EXPERT
  • 110,175 POSTS
Hi,

The tan wire does complete the circuit. If there is power to it, then check the orange/black wire that should control fan speed for power when requested. The ECC programmer is where it originates and the power module receives the input signal.

I'm not sure about the additional wires. What I attached is all I have for reference because of the model year. Does the controller change when you select different speeds? When I say controller, I'm referring to the unit that you adjust in the vehicle.

Let me know.

Joe

Jul 8, 2021 at 7:51 PM
Avatar
BRYANHARRIS87
  • MEMBER
  • 14 POSTS
With the ignition in aux (so I can listen) when I change fan speeds or temperature on the controller, I can hear noises, like something is trying to activate or some kind of electrical noise behind the glove box which is where I’m guessing the programmer is. As far as the controller changing, the display doesn’t change. It always displays the temperature or a light above the fan speed selected.
Jul 8, 2021 at 9:10 PM
Avatar
JACOBANDNICKOLAS
  • CERTIFIED EXPERT
  • 110,175 POSTS
And you are certain the tan wire between the motor and controller is good? If it is, I suspect the controller is bad. Once it gets power from the tan wire, its job is to regulate the amount of power that flows through the fan motor.

This is a tough one because I am so limited on technical info from my manual. However, and this is a theory in my mind, if power makes it to the tan wire but not to the orange/black, that has to be where the issue lies. You mentioned hearing a clicking when changing speeds behind the glove box. That's the programmer, so it appears to be working. If it sends a signal to the controller input for fan speed but the controller doesn't complete the circuit for the fan, it seems that is the problem.

Let me know. Hang in there. I'm trying. LOL

Take care,

Joe

Jul 9, 2021 at 8:33 PM