Hello CNONEYA,
Does this vehicle have Dual Zone Control or Auto HVAC? If you can send me a picture of the front of the control unit and stereo area that would help a lot. Just so I have it in front of me to look at to give you proper diagnostic testing.
It is possible it is an issue with something called the Unified Meter & A/C Amplifier.
These are replaced a lot.
There is a self-diagnostic procedure you can run though.
I think we should run it and see what we can gather some information because there are other things that can cause this as well.
I have added the entire diagnostic procedure for you in order. There is a lot of good information, but I want to see if there is a communication error or an issue with a temp sensor possibly. This procedure will check everything.
Now I know it has a lot of information so if you need any help let me know. They don't make these things that easy to follow unfortunately, so let me know how it goes or I can help in any way.
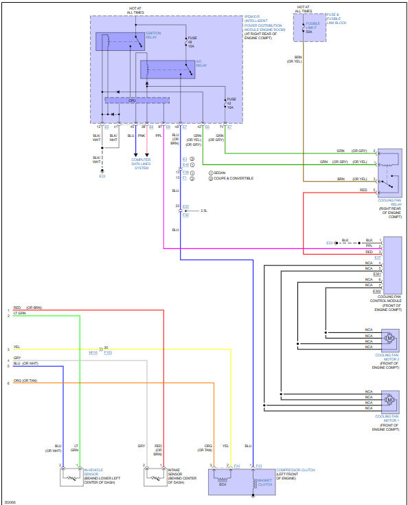
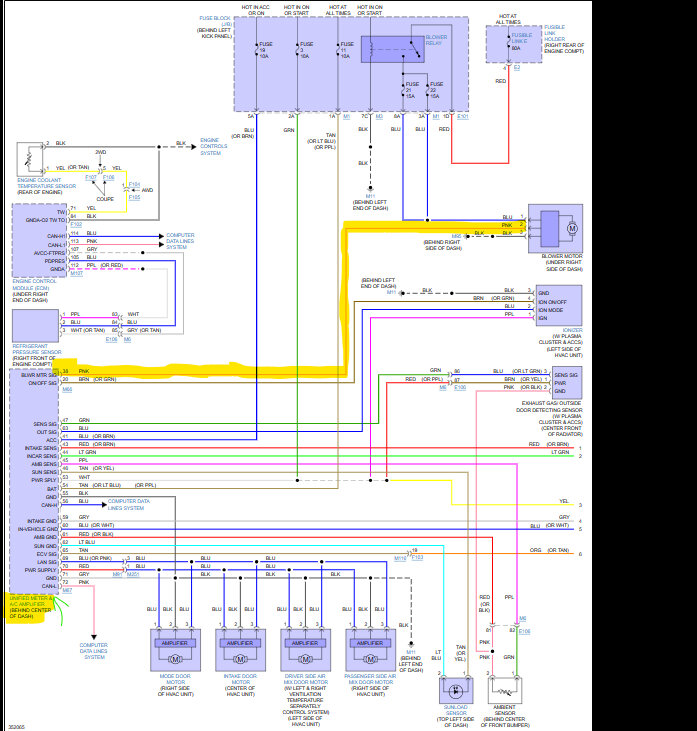
I am also adding a wiring diagram of the HVAC unit for your reference.
Thank you,
Brendon
Images (Click to enlarge)
Aug 2, 2023 at 3:47 PM