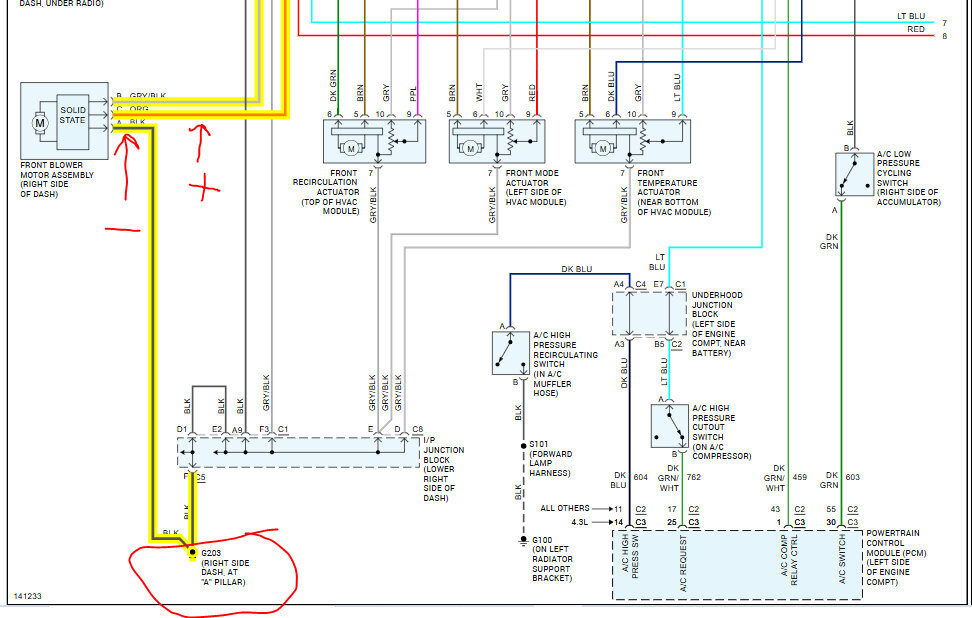
The vehicle listed above is an LT.
Auto HVAC system
A/C Control Module 599-215 is the climate control part number
I have recently replaced my blower fan, and fan resistor twice
It all started when I bought the new climate control module and plugged it in but was immediately met with strong air coming from the car vents, even when turned off. So I unplugged and did some researching, and everyone said replace your blower fan resistor, so I did. But once I replace it, the fan wouldn't come back on, on the 1st speed level or 5th. So, I placed the fan thinking that was it, still nothing.
Just trying to see where do I go from here?
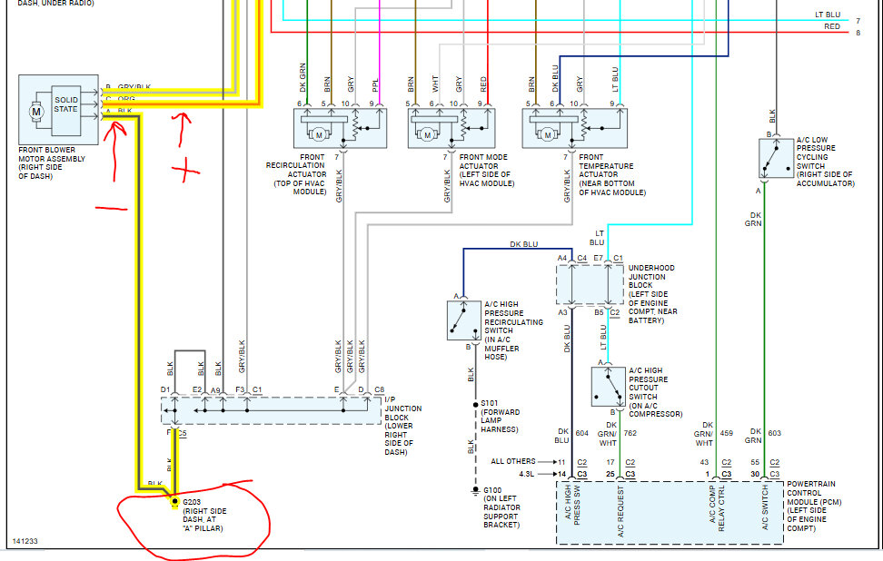
Auto HVAC system
A/C Control Module 599-215 is the climate control part number
I have recently replaced my blower fan, and fan resistor twice
It all started when I bought the new climate control module and plugged it in but was immediately met with strong air coming from the car vents, even when turned off. So I unplugged and did some researching, and everyone said replace your blower fan resistor, so I did. But once I replace it, the fan wouldn't come back on, on the 1st speed level or 5th. So, I placed the fan thinking that was it, still nothing.
Just trying to see where do I go from here?
Jan 3, 2025 at 4:33 PM








