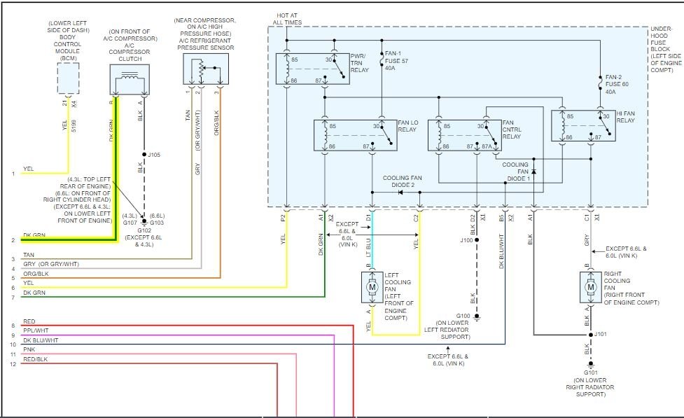
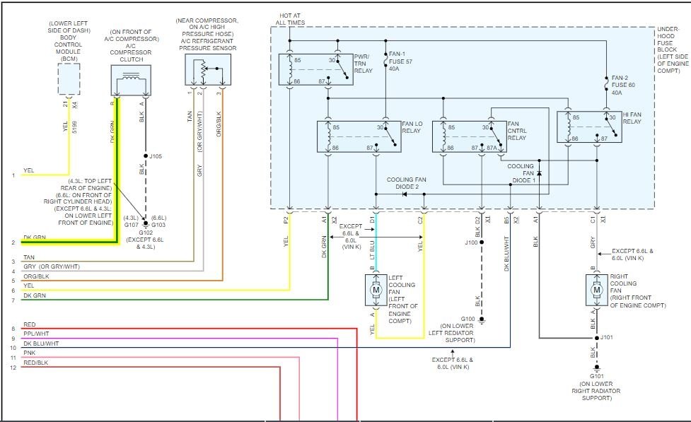
The wiring harness melted in. I have most of it repaired, but I have no A/C . I can turn it on snowflake lights up but wont engage compressor.
I can however engage the compressor with my HP tuner through Obd2 port. I can't figure out which wire coming out of the back of the climate control unit needs to be replaced. Do you have a schematic for the back of the unit? It has the dual climate and auto feature.
I can however engage the compressor with my HP tuner through Obd2 port. I can't figure out which wire coming out of the back of the climate control unit needs to be replaced. Do you have a schematic for the back of the unit? It has the dual climate and auto feature.
Oct 14, 2020 at 12:36 PM




