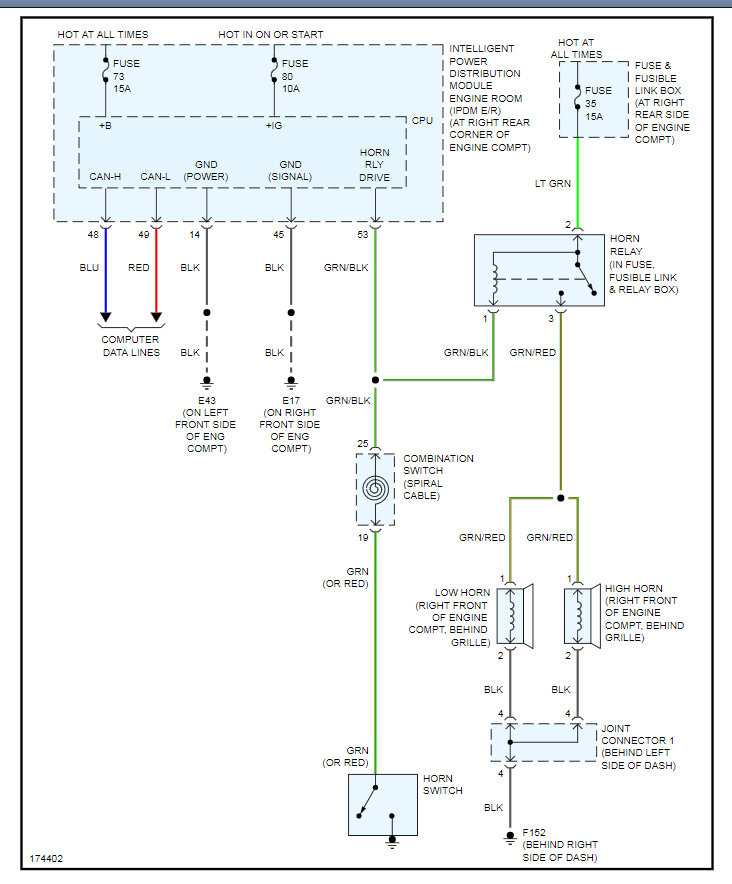
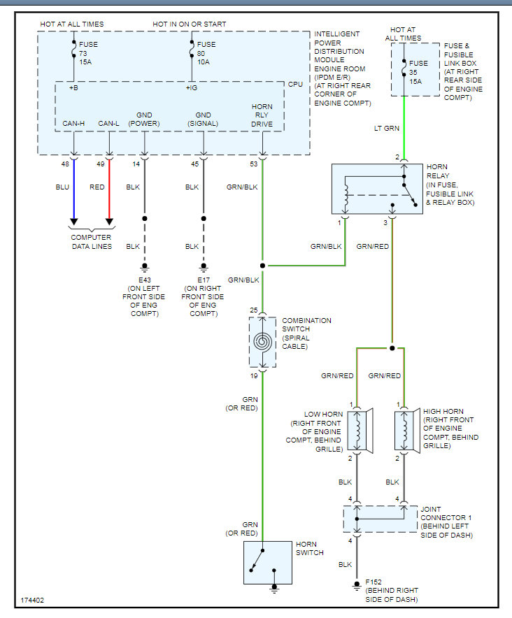
I was installing a new steering wheel in my car and after I got it on I went for a drive and the horn went off and would not stop until it blew a fuse I suppose. So I assumed I had a short so I taped all the connections and places where anything could touch. Put it back together and now the horn blows the horn fuse after a couple seconds of the horn being pressed. After that the VDC off and slip lights came on the dash and won’t turn off and the abs locked the front tires for a split second as I was turning sharply. Not only that now the airbag light is flashing and it was not before because I have resistors that plug into the connections to get rid of the light. Even tho now the light is now on the dash and blinking. This new steering wheel is a NRG quick release and has no airbag. Any help would be greatly appreciated I don’t understand how the clock spring would have gotten messed up but it’s the only thing I can think of to cause all these issues suddenly after the steering wheel install.
May 6, 2020 at 12:42 AM


