Hello all,
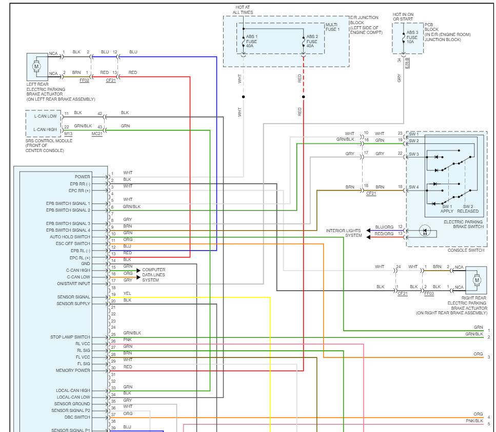
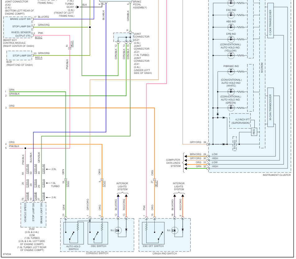
There is the stability control and hill descent control signals permanently lightning on my dashboard and I got this error code on my vehicle listed above TL when launching a diagnostic C1237.
Can you help me to determine the problem?
There is the stability control and hill descent control signals permanently lightning on my dashboard and I got this error code on my vehicle listed above TL when launching a diagnostic C1237.
Can you help me to determine the problem?
Aug 4, 2023 at 11:18 AM



























