Code p069e

2017 CADILLAC XTS
52,000 MILES • 3.6L • V6 • 4WD • AUTOMATIC
Avatar
TAYY
  • MEMBER
  • 10 POSTS
I’m trying to figure out why my car keeps stalling before taking off when it is switching from first to second gear and third to fourth gear, but is funny when I pass those and rides smoothly. Engine light comes on every now and then. Check it and it gave me the code p069e. I bought a new fuel pump control module before buying the actual fuel pump to see if it’ll fix the problem with that. I’m unsure of where that module is located. Help would be highly appreciated in advance, thank you!
Mar 7, 2020 at 3:03 PM
Advertisement
Avatar
ASEMASTER6371
  • CERTIFIED EXPERT
  • 52,796 POSTS
Good afternoon,

Are there any other codes in any of the systems?

This is an information code for the request.

You are going to need to test the high and low-pressure fuel pump. You will need a scan tool to perform this test.

Roy
Mar 7, 2020 at 3:36 PM
Avatar
TAYY
  • MEMBER
  • 10 POSTS
I’m so sorry for the late reply but right after is when this pandemic started. Here’s a photo of the code with my scan tool. It wasn’t doing it at first not sure what happened and now my check engine light came off but still makes a slight jerk like I accelerate from 0-15 and again at 25 mph but it’s fine once I exceed that. I purchased a used control module in great condition but was uncertain to change it without it being programmed to this specific vehicle would it make a difference? Please help and I thank you for your hard work and patience.
May 4, 2020 at 11:34 AM
Advertisement
Avatar
TAYY
  • MEMBER
  • 10 POSTS
Does this car have an actual fuel pump control module fuse and would you know where it would be located? Not under hood.
May 4, 2020 at 11:41 AM
Avatar
ASEMASTER6371
  • CERTIFIED EXPERT
  • 52,796 POSTS
Okay, this is the information below.

It specially says not to replace the ECM.

This flow chart needs to be followed with a advanced scan tool to find the fault.

Do you have a scan tool?

Yes, the ECM must be programmed after it is installed not before.

Roy

May 4, 2020 at 11:55 AM
Avatar
ASEMASTER6371
  • CERTIFIED EXPERT
  • 52,796 POSTS
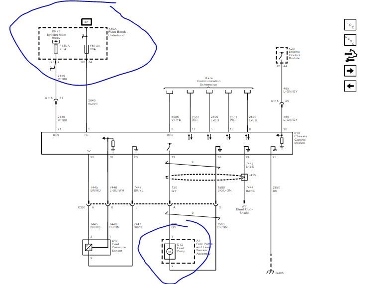
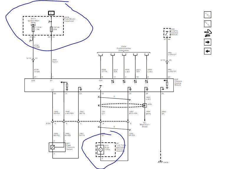
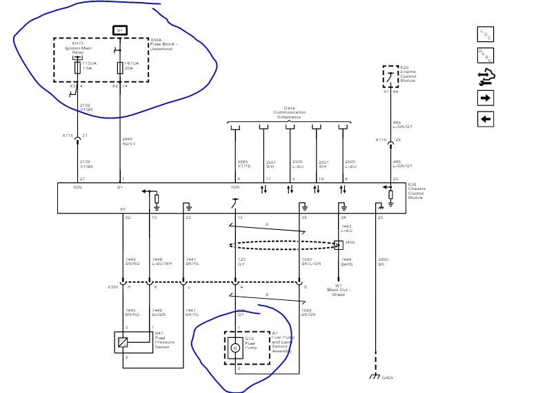
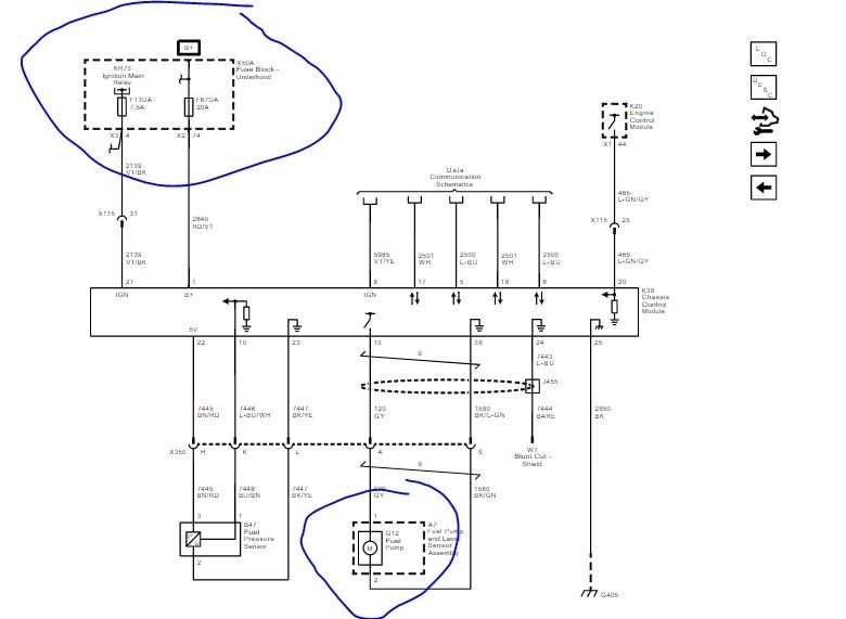
Okay I attached a wiring diagram just for the fuel pump. There are 2 fuses that control power to the body control module.

That is what controls the operation of the fuel pump.

Roy

May 4, 2020 at 12:01 PM
Avatar
TAYY
  • MEMBER
  • 10 POSTS
Do you know exactly where this is located on the vehicle? It is blurry and hard for me to see.
May 4, 2020 at 12:13 PM
Avatar
ASEMASTER6371
  • CERTIFIED EXPERT
  • 52,796 POSTS
The fuses are in the under hood fuse box.

I attached a better view of the fuses and what is on the cover for you to check.

This is a power test not a visual test. You will need a voltmeter or test light for this test.

https://www.2carpros.com/articles/how-to-check-a-car-fuse

https://www.2carpros.com/articles/how-to-check-wiring

Roy

May 4, 2020 at 12:26 PM
Avatar
TAYY
  • MEMBER
  • 10 POSTS
So I went under the hood and those codes in the screen shot was to one relay and one fuse. I couldn’t check them with my tester unfortunately. I pulled them out and they looked fine not like it blew or anything and I put them back.
May 5, 2020 at 3:28 PM
Avatar
TAYY
  • MEMBER
  • 10 POSTS
Here’s a picture of the other one:
May 5, 2020 at 3:29 PM
Avatar
ASEMASTER6371
  • CERTIFIED EXPERT
  • 52,796 POSTS
The fuses I circled are 7.5 amp and 30 amp fuses.

The ones you showed are not that.

You need to test for voltage to the fuses to be sure the fuse block is good.

https://www.2carpros.com/articles/how-to-check-a-car-fuse

Roy
May 5, 2020 at 3:32 PM
Avatar
ASEMASTER6371
  • CERTIFIED EXPERT
  • 52,796 POSTS
The cover should have the markings on it for the fuses. Match them up with the ones I circled.

Roy
May 5, 2020 at 3:35 PM
Avatar
TAYY
  • MEMBER
  • 10 POSTS
This is what my fuse box gave me for those specific #13- 7.5 and #41-20a.
May 5, 2020 at 3:50 PM
Avatar
ASEMASTER6371
  • CERTIFIED EXPERT
  • 52,796 POSTS
In your pictures, I did not see the 7.5 amp fuse.

Roy
May 5, 2020 at 4:01 PM
Avatar
TAYY
  • MEMBER
  • 10 POSTS
These are the ones I found. Again thank you so much for taking the time out of your day to help. I really appreciate it
May 5, 2020 at 4:12 PM
Avatar
ASEMASTER6371
  • CERTIFIED EXPERT
  • 52,796 POSTS
No problem. I am here to help.

Okay, did you verify power on both sides of the fuse with either a test light or volt meter?

Roy
May 5, 2020 at 4:18 PM
Avatar
TAYY
  • MEMBER
  • 10 POSTS
I am unsure of how to do it with those types of fuses or relays. Any suggestions?
May 5, 2020 at 5:36 PM
Avatar
ASEMASTER6371
  • CERTIFIED EXPERT
  • 52,796 POSTS
Use a test light that has a sharp point on the end.

You can touch the ends of the fuses with the tip.

I attached a guide on how to use a test light.

https://www.2carpros.com/articles/how-to-use-a-test-light-circuit-tester

Roy
May 5, 2020 at 5:52 PM
Avatar
TAYY
  • MEMBER
  • 10 POSTS
Yes, I know how to test the regular ones but not the ones I showed in the picture earlier. The relay and the bigger fuse that doesn’t have the two silver top to touch with the tip of the tester as shown in picture relay GM 1192 and the other picture with the fuse 20-20 on it.
May 6, 2020 at 9:38 AM
Avatar
ASEMASTER6371
  • CERTIFIED EXPERT
  • 52,796 POSTS
The fuses you need to test are the little ones that I identified.

Did you test them for power on both sides.

Roy
May 6, 2020 at 9:41 AM