Code P1780

1996 TOYOTA 4RUNNER
325,000 MILES • 3.4L • V6 • 4WD • AUTOMATIC
Avatar
DANO1971
  • MEMBER
  • 32 POSTS
I switched out the neutral safety switch. Cleaned out the plug that plugs into very well I use toothpicks are used paper towels and I use electrical cleaner. Check engine light went off it was fine all weekend I drove about five miles this morning on my way back to check engine light went back on. Does anybody have any more options that I could be?
Jul 10, 2017 at 8:13 AM
Advertisement
Avatar
STRAILER
  • CERTIFIED EXPERT
  • 53,855 POSTS
Hello,

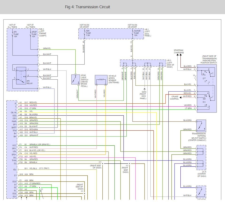
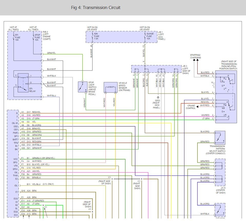
It sounds like you have a bad connection in the wiring between the switch and the ECU. Here is a guide and some wiring diagrams (below) so you can run some tests to get the problem fixed.

https://www.2carpros.com/articles/how-to-check-wiring

Please run some tests and get back to us we are interested to see what it is.

Cheers, Ken
Jul 11, 2017 at 11:32 AM
Avatar
DANO1971
  • MEMBER
  • 32 POSTS
I have a quick question for you I have a multimeter that I got to check the wiring on the neutral safety switch.. it has two wires one red one black I was just wondering if you know like if I put the red wire in the harness that plugs into the neutral safety switch where do I put the black wire do I just grabbed it to a piece of metal or I don't know what to do
Aug 27, 2017 at 5:57 PM
Advertisement
Avatar
STRAILER
  • CERTIFIED EXPERT
  • 53,855 POSTS
can you take a pic of what you are talking about so I can see?
Aug 30, 2017 at 9:34 AM
Avatar
DANO1971
  • MEMBER
  • 32 POSTS
I'm just going to go buy a test light today I just saw them selling for $6, so I'm just going to buy one of them instead of trying to figure out the multimeter
Aug 31, 2017 at 4:29 AM
Avatar
STRAILER
  • CERTIFIED EXPERT
  • 53,855 POSTS
O ya test lights are great and do almost everything you need.
Aug 31, 2017 at 9:40 AM