Code p2789? TCM is not working?

2010 AUDI A4
132,000 MILES • 4 CYL • TURBO • 2WD • AUTOMATIC
Avatar
BHAMDOC1973
  • MEMBER
  • 2,008 POSTS
Any recommendations or suggestions on this one? Any TSB?
Sep 29, 2022 at 11:17 AM
Advertisement
Avatar
STRAILER
  • CERTIFIED EXPERT
  • 53,855 POSTS
Code P2789 this means the clutch is slipping and it needs to be replaced here are the instruction to do so in the images below. Clear the codes once the job is complete. Please let us know if you need anything else to get the problem fixed.
Sep 30, 2022 at 9:47 AM
Avatar
BHAMDOC1973
  • MEMBER
  • 2,008 POSTS
But this is an automatic vehicle.
Sep 30, 2022 at 10:52 AM
Advertisement
Avatar
STRAILER
  • CERTIFIED EXPERT
  • 53,855 POSTS
Let's try this again, the code P2789 in the manual indicates the TCM is not working. here is how they say to fix it in the images below. Check out the images (below). Let us know what happens and please upload pictures or videos of the problem.
Sep 30, 2022 at 12:37 PM
Avatar
BHAMDOC1973
  • MEMBER
  • 2,008 POSTS
I bought the car. It drives, engine smooth but has these codes and no check engine light. Deleted the codes only one back for now is p1575. Would any of these affect throttle for someone to think transmission is not responding? Because I am looking for that first transmission code i sent you and it's not there.
Oct 10, 2022 at 1:46 PM
Avatar
BHAMDOC1973
  • MEMBER
  • 2,008 POSTS
Also, just drive it drives good came back and scanned it and it has p1741.
Oct 10, 2022 at 1:48 PM
Avatar
BHAMDOC1973
  • MEMBER
  • 2,008 POSTS
Also, this is a 2wd not the 4wd.
Oct 10, 2022 at 5:24 PM
Avatar
STRAILER
  • CERTIFIED EXPERT
  • 53,855 POSTS
These cars are very temperamental so the transmission can be affected.

p1741 code is Torque Converter Clutch Solenoid harness is open or shorted, so this is a transmission related code as well which can be the TCM.

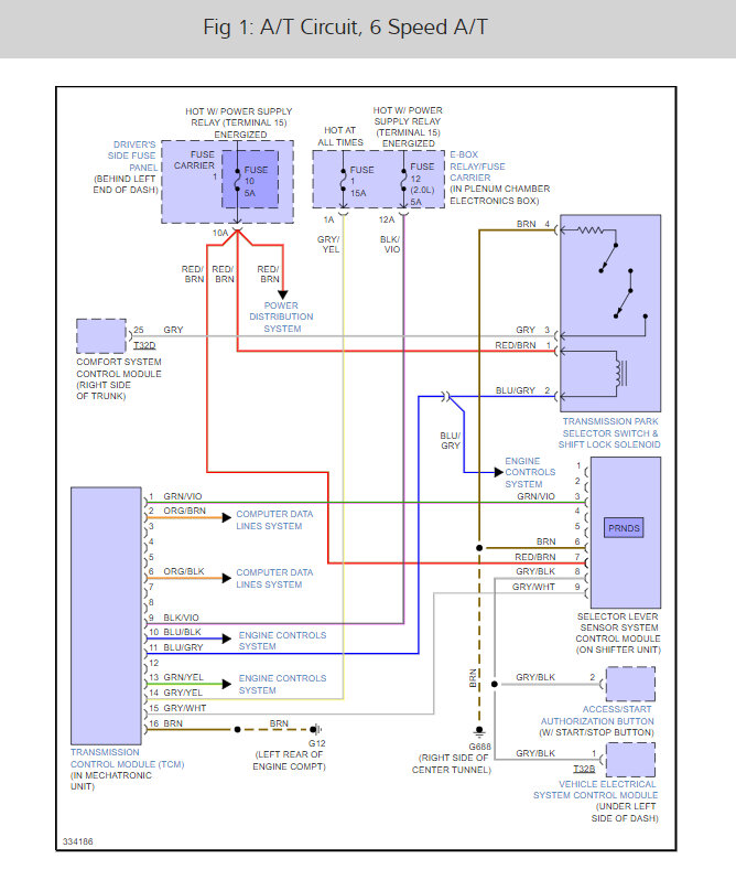
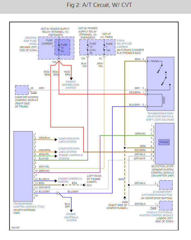
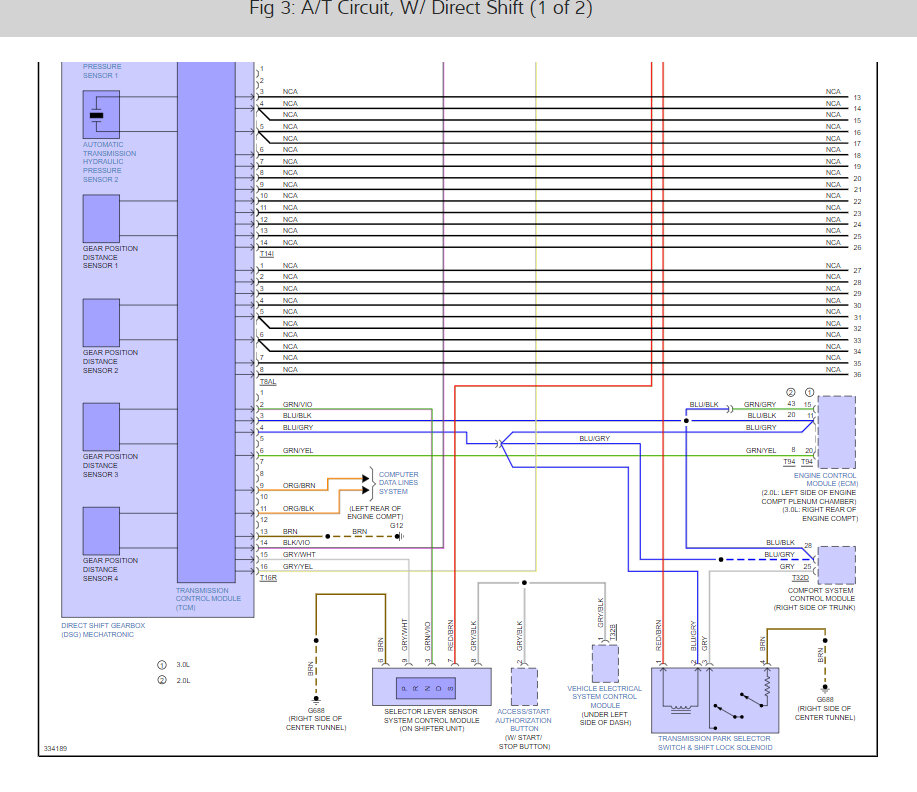
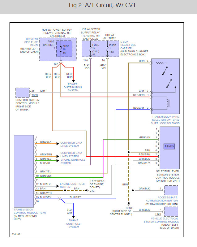
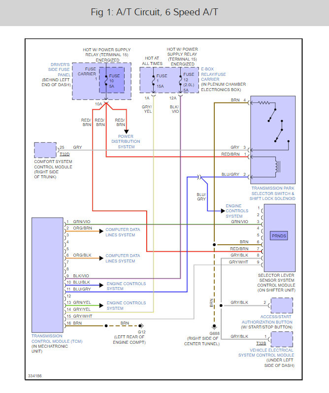
Here are the transmission control module wiring diagrams for the different transmissions. I would turn the key one and check the fuses in the diagrams for power. Let me know what you come up with.
Oct 11, 2022 at 12:05 PM