Can you be a little more specific on which computer? I assume you mean the PCM? If this is the case, then there is not an actual relearn process for the PCM.
Basically, you can reprogram the module with the same software or updated software using a scan tool but there is not a relearn process for this.
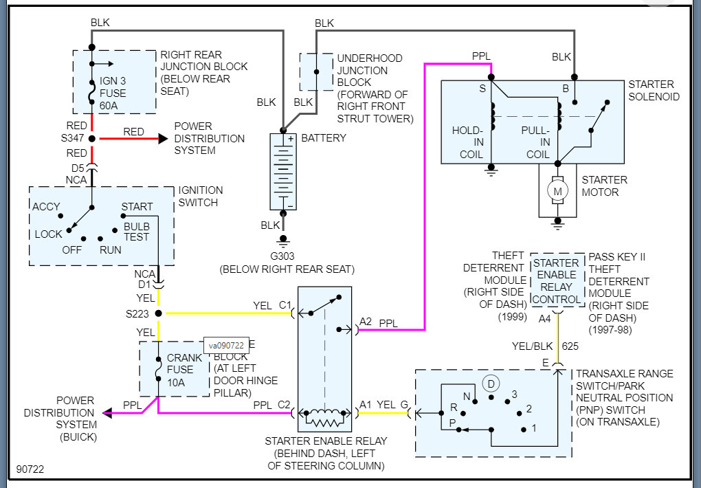
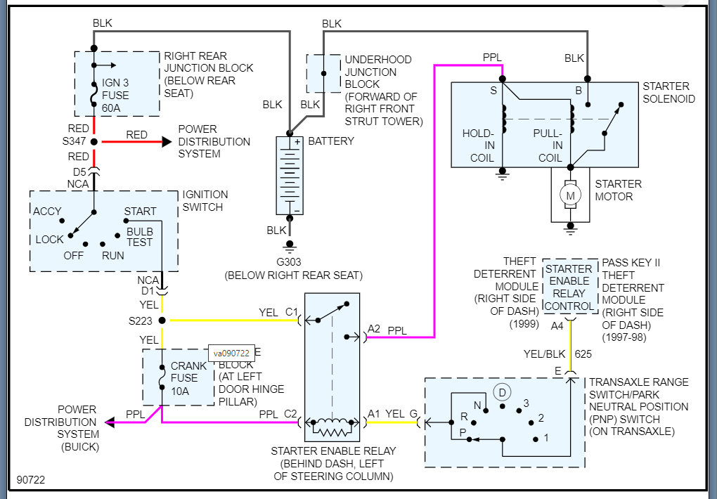
Please see the info attached that has a little more detail on this.
However, if you can provide a little more detail as to what you are looking to do, then we can help figure that out. Thanks
Nov 17, 2021 at 6:51 PM