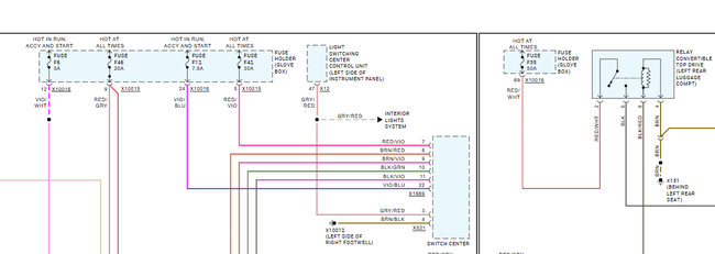
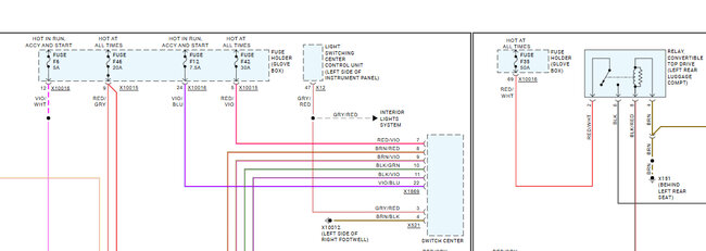
When the button is pushed to open the top, it unlatches at the front but doesn't lift high enough to trigger the back to raise up. That's the first issue. Weak pump? Sometimes if you lift the front then the back will lift. The next issue is the motor that controls the part they call the cover doesn't seem to be getting power. I believe first the Convertible Top Module sends the signal to the General Module to open the cover so the top can retract, and the cover can then close and lock. Fuses are good so where do we start with troubleshooting? Power was run directly to the cover motor, and it does work. This is a complex system and if you could help me understand it that would be great.
Jun 11, 2025 at 8:26 PM
