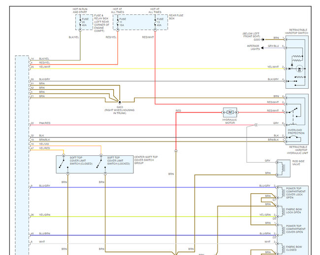
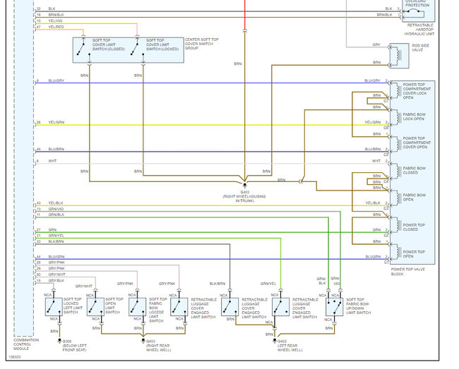
Convertible top did not latch completely when top went down. The power button switch flashes and does not work. The key truck release has also been disabled. I can enter the trunk using the key.
Car is 3.2L
Possible manual fix?
If not is there an estimate to how much it would be to fix this problem?
Car is 3.2L
Possible manual fix?
If not is there an estimate to how much it would be to fix this problem?
Oct 17, 2019 at 7:05 PM












