Welcome to 2CarPros.
Removal and Installation
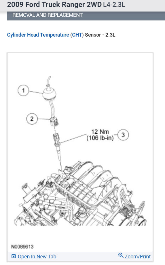
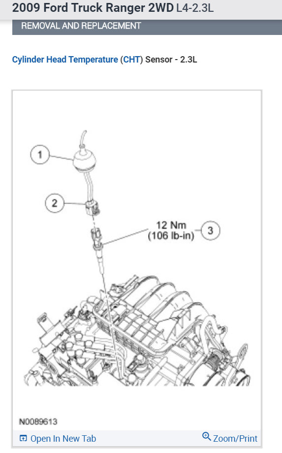
1. Pull back the Cylinder Head Temperature (CHT) sensor cover and disconnect the electrical connector.
2. Remove the CHT sensor.
- To install, tighten to 12 Nm (106 lb-in).
3. To install, reverse the removal procedure.he temp sensor for the computer is located in the cylinder head.
Check out the diagrams (Below). Please let us know if you need anything else to get the problem fixed.
Images (Click to enlarge)
Jun 19, 2019 at 11:01 PM