First you need to list the exact diagnostic fault code number. There are multiple codes for temperature sensors, and they mean very different things.
Also be aware that fault codes never ever say to replace a part or that one is bad. They only indicate the circuit or system that needs further diagnosis, or the unacceptable operating condition. When a part is referenced in a fault code, it is actually the cause of that code about half of the time. Before we waste your money on a part, we have to rule out wiring and connector terminal problems, and mechanical problems related to that part.
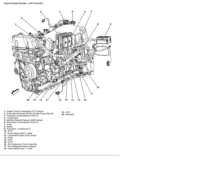
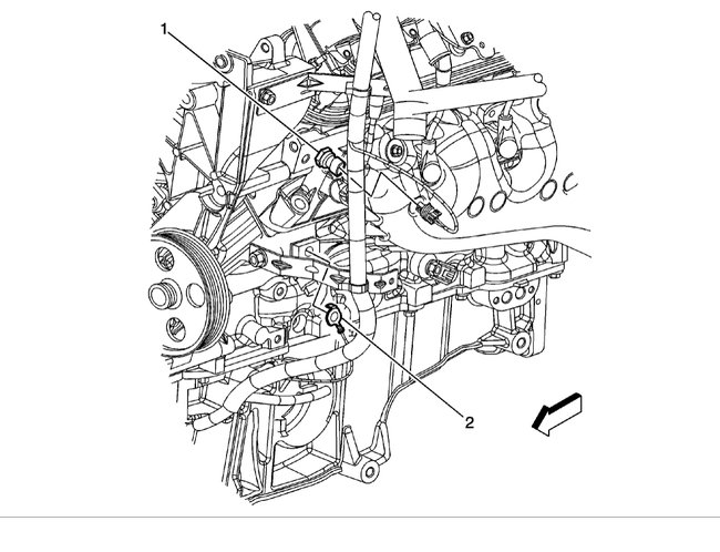
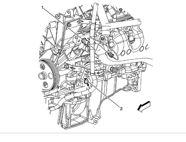
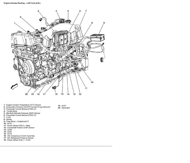
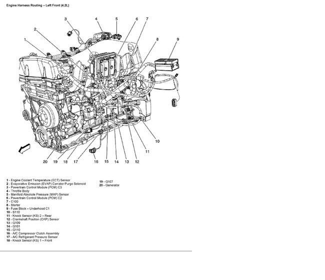
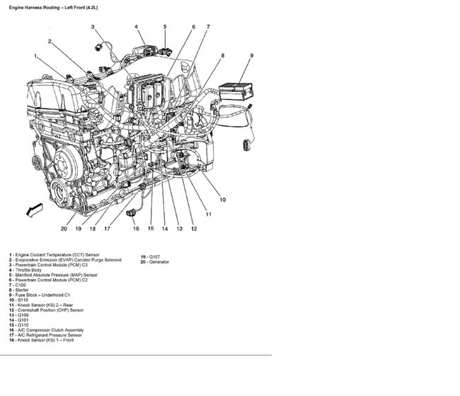
The coolant temperature sensor is number three on the drawing. It sits just under the valve cover, and just above the exhaust manifold. The arrow at the top left is pointing toward the front of the vehicle, so this view should be as though you were standing just behind the passenger-side front wheel. The sensor will be at the rear of the engine, on the passenger side.
Nov 2, 2020 at 3:19 PM
(Merged)