Cooling fan staying on

2010 CHEVROLET TRAVERSE
135,000 MILES • 3.6L • V6 • 4WD • AUTOMATIC
Avatar
HILO TOM
  • MEMBER
  • 14 POSTS
Error code po116. I changed the engine coolant temperature sensor and the pigtail, which was bad, but I noticed that when I start the car when it was cold that both fans are running at a low speed. The A/C is not on and no defrost. The fans are staying on all the time when I shut off the motor the fans stop. Coolant is full in radiator. Is there anybody that can help me out with this problem?
Jan 27, 2022 at 10:39 PM
Advertisement
Avatar
JACOBANDNICKOLAS
  • CERTIFIED EXPERT
  • 110,175 POSTS
Hi,

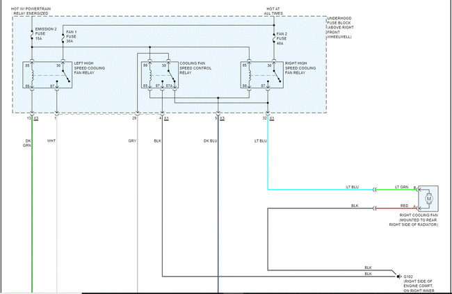
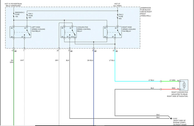
There is a fan speed control relay in the under-hood fuse box that may have failed.

Do me a favor. I attached the wiring schematic below of the cooling fan circuit. First, make sure all the fuses in that pic are good (pic 1) Also, remove the speed control relay and see if there is any evidence of a poor connection or short.

If both fans are running slow, power is controlled by that relay, so that could be the issue. Here is a link that explains how to test a relay:

https://www.2carpros.com/articles/how-to-check-an-electrical-relay-and-wiring-control-circuit

Let me know what you find.

Joe

See pics below.


Jan 28, 2022 at 8:17 PM