What is the turn on temperature for the cooling fans?

1995 OLDSMOBILE 88
99,000 MILES • 3.8L • V6
Avatar
CHOUND52
  • MEMBER
  • 8 POSTS
I was just wondering what the turn on temperature would be for the cooling fans. It has 195 thermostat and runs well, but I am concerned that the fans don't come on to cool until approximately 240 and shut back off at around 210 or so (according to the dash gauge). Is this the normal (seems a little high to me) range for the fans? Maybe I should use my temperature gun at the ect to check that the gauge is correct.
Feb 1, 2023 at 5:23 AM
Advertisement
Avatar
AL514
  • CERTIFIED EXPERT
  • 5,465 POSTS
Hello, the running engine temperature for your vehicle should be a steady 194F. 240 is high, I think that checking around the engine with a temperature gun is a good idea. Being that it's an older vehicle there could be some sludge built up in the coolant system, or the thermostat is sticking. You have 2 coolant fans on this model correct? One of the fans should have a low speed because it has a resistor built into it to regulate current flow, therefore keeping the fan at a lower speed. The engine coolant temperature sensor might be inaccurate as well. Things wear out. Are both fans coming on at 240f?
Really the thermostat does the hard work of keeping the engine coolant temperature where it should be as well as the normal air coming across the radiator. I would check the inlet and outlet of the radiator as well to see if it has a blockage, its in. It's a good idea to change the coolant once and while, I'm not sure what the interval is for your vehicle, but it is one of the most overlooked fluids. I would change it every 30k miles or so.
Service info states that if your vehicle hits a max of 261F you will get a Hot Stop Engine message, so you're getting pretty close there. And you don't want to burn up the head gaskets. If the thermostat is really getting to 240f I would think about having it changed. There is an updated thermostat so I'm going to post this information so if you change it, it doesn't get set in the incorrect position.
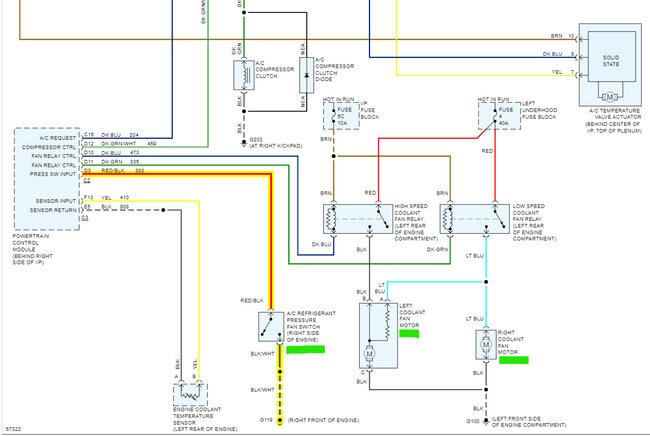
In the 1st diagram notice the offset of the pintle. Where there is more space on the top of the thermostat. There is most likely a small hole at the top allowing air to escape when the system is being refilled.
This was part of a Technical Service Bulletin.

https://www.2carpros.com/articles/how-a-coolant-temperature-sensor-works

https://www.2carpros.com/articles/coolant-flush-and-refill-all-cars
Feb 1, 2023 at 10:16 AM
Avatar
CHOUND52
  • MEMBER
  • 8 POSTS
Thank you for your reply. I just changed the water pump and coolant, and have changed the ETC. Both fans come on when at 240, after a short cooling period, the high speed goes off and just the low speed is on. The thermostat has been changed at some point, I don't know when, as I can see high temperature gasket sealer with a newer gasket. I may replace it as it is an easy job. This is a car I bought for my girlfriend about a year ago. She has since (recently) stopped driving because of health concerns. I may want to keep it since it is low miles and in very nice shape, so I want it to be right. Thanks for all your help. If I can't get this to work correctly, I will put in an aftermarket probe on radiator with separate relay (adjustable temperature setting) and fuses. These kits are pretty cheap and easy to install.
Feb 1, 2023 at 12:17 PM
Advertisement
Avatar
CHOUND52
  • MEMBER
  • 8 POSTS
I might add, it only gets that hot when idling for a while, sitting still. not while driving, still concerning though to me.
Feb 1, 2023 at 12:19 PM
Avatar
AL514
  • CERTIFIED EXPERT
  • 5,465 POSTS
Yeah, I understand, take some temperature readings at different points on the radiator to make sure it has good flow through it. It sounds like the fans are working correctly. The radiator cap should also allow coolant into the overflow tank around 13 PSI, so maybe replace the cap, they are pretty cheap, Here is the coolant refill process just in case you need it.
Feb 1, 2023 at 1:05 PM
Avatar
CHOUND52
  • MEMBER
  • 8 POSTS
Another side note (a lot going on today), the fans do not come on when the A/C or defroster is on.
Feb 1, 2023 at 4:31 PM
Avatar
AL514
  • CERTIFIED EXPERT
  • 5,465 POSTS
But your A/C compressor does come on? And do you have Manual or Auto A/C? Can you set the passenger side to a different setting or is there just one setting for the entire vehicle?
Feb 2, 2023 at 10:36 AM
Avatar
CHOUND52
  • MEMBER
  • 8 POSTS
Yes it comes on.
Feb 2, 2023 at 10:38 AM
Avatar
AL514
  • CERTIFIED EXPERT
  • 5,465 POSTS
Do you have different temperature settings for each side (auto A/C) or just one setting for the entire vehicle (manual A/C)? There's 2 different types of systems and the wiring diagrams are very different for manual or auto A/C,
Does the A/C compressor cycle on and off about every 8 seconds or does it just stay on all the time?
Feb 2, 2023 at 10:41 AM
Avatar
AL514
  • CERTIFIED EXPERT
  • 5,465 POSTS
Sorry you'll have to refresh the page every once and awhile, because I add information as we go, and it will show when you do a page refresh here.
Feb 2, 2023 at 10:46 AM
Avatar
CHOUND52
  • MEMBER
  • 8 POSTS
Manual A/C.
Feb 2, 2023 at 10:59 AM
Avatar
AL514
  • CERTIFIED EXPERT
  • 5,465 POSTS
Okay, so if your A/C compressor is staying on all the time and not cycling every 8 seconds or so, then the system may be a little low on refrigerant, and in the 1st diagram you can see there is an A/C pressure switch for the fan. If the pressure isn't high enough it won't trip the switch, but that's not going to cause the over temperature issue. I think you have a thermostat that is either sticking or is not in correctly. That Technical service bulletin was about making sure the new thermostat goes in correctly and with the correct gasket. I don't think there should be any gasket sealer for this vehicle. The TSB gives part numbers, but service info doesn't not mention any type of sealer, just a gasket, I'm sure that is because if any of the sealant gets on the inside of the thermostat housing it can gum up the thermostat. Or air bleed hole if the thermostat has one. The 2nd diagram is for replacing the thermostat and there is no mention of sealant being added. I would replace the thermostat and follow the coolant drain and refill procedure. Check the old thermostat for any scratches on the side where it might have been sticking. And just make sure the new one goes in with the center pintle towards the bottom. Also do some temperature checks when you get it back together, just to be sure there's no hot spots in the cooling system.
Feb 2, 2023 at 11:10 AM
Avatar
CHOUND52
  • MEMBER
  • 8 POSTS
Thanks again for all your help. I will be working on this project as the weather permits me as I have no garage to work in. I will be trying things you suggest as you are the expert, though I know a lot, and just enough to get me in trouble sometimes.
Feb 2, 2023 at 2:49 PM
Avatar
AL514
  • CERTIFIED EXPERT
  • 5,465 POSTS
I understand, I like to fix my own vehicles too. Even in the cold. Fortunately its not overheating while driving. Hope it goes well.
Feb 2, 2023 at 3:16 PM
Avatar
CHOUND52
  • MEMBER
  • 8 POSTS
Follow up: found aftermarket temperature sending unit in engine, replaced with AC Delco (a lot cheaper than off brand) and all problems were resolved. Fans came on at around 210 and turned off at 195. It was low on Freon so put a little in to get compressor running and fans came on immediately. Now to fix the leak of refrigerant, found leaking Shrader valve on low side, will wait until it leaks down and not working before replacing both Shrader's. Thanks for all your help.
Feb 17, 2023 at 5:23 AM
Avatar
AL514
  • CERTIFIED EXPERT
  • 5,465 POSTS
Glad to hear you were able to get that resolved. One thing you can use for leaks is just a spray bottle with water and a good amount of dish soap. Shake the bottle so it gets really soapy and spray any connections, they will bubble up extremely fast and the slower leaks just come back in a half hour or so and you'll see the leak, dish soap sticks well and is great for finding leaks. On tires too, I even use it on air suspension systems to find leaks. Schrader valves are usually the last place most people look for a leak. They just fill the system and put the cap back on and wonder where all the Freon went. Good find.
Feb 17, 2023 at 9:24 AM