Cooling fans manual toggle switch

1997 CHEVROLET CAMARO
156,000 MILES • 3.8L • V6 • 2WD • MANUAL
Avatar
IGENIUS92
  • MEMBER
  • 205 POSTS
Hello, I have the car listed above with a five speed 3800 series engine. Can anyone help me to wire a three pron toggle/rocker switch to my fans using a 5 pin relay? I really would appreciate it thanks!
Jul 24, 2018 at 5:28 PM
Advertisement
Avatar
STEVE W.
  • CERTIFIED EXPERT
  • 15,116 POSTS
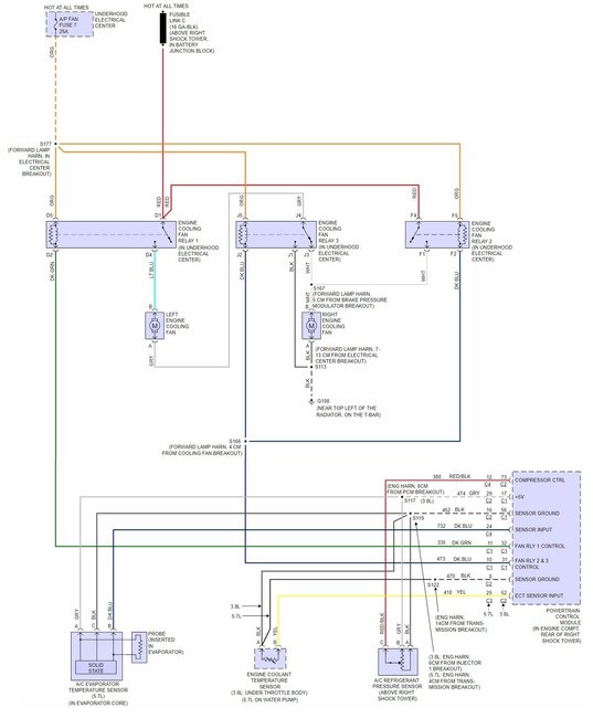
You still have the wiring diagram I posted a while back? All you need to do to make the fans come on is to ground the dark green wire to get fan low. For fan high you ground both the dark green wire and the dark blue wire.
The best switch to use would be a double pole double throw with center off.
You would make the center terminals the ground point. Connect a wire from one terminal to the dark green wire and the one on the opposite corner to dark blue. With that you would have.
Center - no fans.
On 1 - both fans low.
On 2 - Both fans on high.

However, I would bet you will set a code or two by adding the switch. But it is your car.
Jul 25, 2018 at 7:48 PM
Avatar
IGENIUS92
  • MEMBER
  • 205 POSTS
I see how about wiring this up to a relay 5 pin. How would I go about wiring it that way to save voltage?
Jul 25, 2018 at 11:14 PM
Advertisement
Avatar
STEVE W.
  • CERTIFIED EXPERT
  • 15,116 POSTS
Save what voltage? You only need to switch the grounds on the factory relays. No positive voltage or relay required as you are adding only a switch. The switch would take the place of the PCM switching.
Jul 26, 2018 at 12:13 AM
Avatar
IGENIUS92
  • MEMBER
  • 205 POSTS
I do not want to have any codes pop up that is for sure, but I have tried every thing else. I heard someone say they changed their fan switch on their Camaro and it worked. But I do not see any fans switch on mine, shuts off my vehicle have a fan switch or is the switch built into the coolant temperature sensor?
Jul 26, 2018 at 8:00 AM
Avatar
STEVE W.
  • CERTIFIED EXPERT
  • 15,116 POSTS
There is the temperature sensor that tells the PCM what temperature the engine is running at. When the temperature reaches around 200 degrees the PCM applies ground to the dark green wire. That turns on the relay and both fans which run at low speed by running the power through both fans. When the temperature reaches 216-220 the PCM applies a ground to the dark blue wire. That activates the other two relays. When they turn on they switch the way the two fans are grounded so they both get full power and run at high speed.

You said that the AC being turned on will turn on one fan on high, which is what should happen.
In my other post I gave you the process to verify the relays and the power feeds to both fans. It also gave you the way to test if the PCM trigger wires were working.
If the PCM is not sending those then it is likely the temperature sender is not sending the correct information. Either bad wiring or a bad connection.
The easiest way to find out if there is an issue is to use a good scan tool to command the fans on/off. If that side of it works then use it to also test the temperature input data.
Jul 26, 2018 at 9:56 AM