Cooling system?

1994 BUICK LESABRE
140,000 MILES • 3.8L • 6 CYL • 2WD • AUTOMATIC
Avatar
CHRISTINE 77
  • MEMBER
  • 24 POSTS
Hi, I found a little electrical box. It's a completely sealed unit with a pigtail wiring harness plug that plugs into the cooling fan area. It's located in front of the radiator. I need to find out what this piece is it's mounted on a bracket and like I said it's completely sealed unit little square box about 2 in by 2 in right in front of the radiator is this my cooling fan switch or a resistor or any help would be greatly appreciated my fans don't run unless they're ran direct my fuses relays all that stuff are good I changed the temperature sensor already and still can't figure it out.
May 24, 2025 at 4:08 PM
Advertisement
Avatar
AL514
  • CERTIFIED EXPERT
  • 5,465 POSTS
Hello, the wiring diagrams for the fan circuit are a bit old looking due to the vehicles age, but the wiring diagrams show a right and left side fans, controlled by two relays, a High speed and Low speed relay, and each relay is Ground side controlled by the PCM. I'll post the diagram we have, but if you have replaced the temperature sensor does the Low Coolant light come on or any other cooling system temperature warning lamp come on? Or you just noticed the fans don't come on at all? And does one of them come on with the A/C if it's working?
May 25, 2025 at 9:22 AM
Avatar
AL514
  • CERTIFIED EXPERT
  • 5,465 POSTS
To begin with I'm seeing two Engine Coolant temperature sensors, One for the PCM (engine control module) and one for the instrument cluster. The one that inputs to the PCM looks to have a Yellow and a Black wire going to it, and the PCM can turn on an Engine Coolant Temperature LED indicator for a warning lamp, and the other temperature sensor looks to be for a gauge on the cluster with either a lLight green or dark green wire with a White stripe. And it grounds right to the engine block so it will be a one wire sensor.

Not sure which one you replaced. But the PCM coolant temperature sensor (the 2-wire sensor) should read a 5volt reference on one wire with the sensor unplugged and key On, it's important that it has its 5volt reference feed. I will post these diagrams as well.

Hopefully these diagrams are not too confusing, I tried to label each wire's color because they are difficult to see. The 2nd diagram is the Fan relay circuits, I will see if I can find the PCM connector pinout locations as well.
May 25, 2025 at 10:19 AM
Advertisement
Avatar
AL514
  • CERTIFIED EXPERT
  • 5,465 POSTS
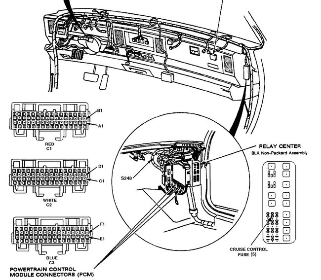
Here are the PCM's location and connector pinout if needed, with the C2 Fan relays pins marked out.
As for the box you mentioned, if it has wires that run to one of the fans going to it, the Left Side Fan does have resistors included in its circuit for low-speed control. You will have to see what color the wires are going to the box to identify what they are for.
Let us know what you find.
May 25, 2025 at 10:47 AM
Avatar
AL514
  • CERTIFIED EXPERT
  • 5,465 POSTS
Hello, did you post any responses today? I see an notification for a message but do not see anything here. Can you please repost your question, thanks much.
May 26, 2025 at 2:30 PM
Avatar
CHRISTINE 77
  • MEMBER
  • 24 POSTS
Yes, I did but it wasn't I don't know where it went.
May 26, 2025 at 2:38 PM
Avatar
CHRISTINE 77
  • MEMBER
  • 24 POSTS
Anyway I believe it's a 16 pins it's like the OBD1 and a half LOL the OBD2 plug fits it but it doesn't read it.
May 26, 2025 at 2:39 PM
Avatar
CHRISTINE 77
  • MEMBER
  • 24 POSTS
Anyway I believe it's a 16 pins it's like the OBD1 and a half LOL the OBD2 plug fits it but it doesn't read it
May 26, 2025 at 2:39 PM
Avatar
AL514
  • CERTIFIED EXPERT
  • 5,465 POSTS
Okay, I'm seeing your messages now, I do see a 16 pin DLC, technically they switched over to OBD2 in 1996, so this is probably still just OBD1, I'm not sure which scan tool you have, some OBD2 scan tools come with adapters for OBD1 ports and can read codes, some cant. In situations where I run into OBD1 or even older, I have to do it the old fashion way with a multimeter, test light and these days an oscilloscope to catch anything a meter is too slow to see. So, you may not have access to live data here.
Does the gauge work for the cooling system on the cluster if there is one? And if so, does the vehicle overheat or you are just not hearing the fans come on?
May 26, 2025 at 2:46 PM
Avatar
CHRISTINE 77
  • MEMBER
  • 24 POSTS
The gauges digital and it's not showing it overheated light or a water light check engine light any of that stuff but the fans aren't kicking on but you can tell that it's hot and it dies whenever you stick it in gear after it's been warmed up or you can drive it sometimes a mile and that's about it and the fans don't kick on but you can tell that the motor is very hot.
May 27, 2025 at 9:06 AM
Avatar
AL514
  • CERTIFIED EXPERT
  • 5,465 POSTS
And you're sure it's full of coolant? Only check it in the morning when it's cold. But the coolant temp sensor can only read coolant, it can't read air temperatures, so if its low on coolant to the point where the sensor is not actually in liquid the ECM won't read it correctly. And also consider that there are two coolant sensors, you mentioned replacing one of them, but you should check the sensor with the Yellow and Black wire, the second one over from the left, since you can't read any live data with a scan tool you'll need to unplug it and make sure it has a 5volt reference which you can only check with it unplugged, once you plug it back in that voltage will be pulled down by the sensors resistance. (diagrams 1,2)

***Also do you see a check engine light at just Key On? It should come on at least for a few seconds. If you don't see a check engine light at any time with just the key On, it might be burned out or the cluster is not displaying it for some reason.

If the vehicle is stalling out when putting a load on it, such as putting it into Drive and it's limited on even how far you can go, I think there's more going on here than just the cooling fans not coming on. Does it restart right away after it stalls out?
I did find some information on pulling codes without a scan tool, but it's very unclear what pins they want you to jump out at the DLC or what DLC the car even has. So, I'm hesitant on telling you to jump out any pins on the DLC to try to read codes. Especially if the check engine light is not working correctly.
These are the 3 different Data link connectors shown, two of them are 16 pin but the first only has 6 wires, whereas the 2nd has 8 wires. (diagrams 3,4).

If you check the coolant level and sensor for the PCM, and those are ok, I would go to the PCM connector and check for power on those two wires for the fan relays with the key On. You should see 12volts if you back probe the connector wires there. The Middle White PCM connector on the WD10 & WD11. If you're missing power, that at least gives you some direction with the cooling fan issue. And maybe you're dealing with a wiring issue you will find that clears up some of these running problems too. I understand this is not an easy diag without any scan tool data, that's for sure.
Also check the PCM grounds, they all look to go to the same location with these Black/White and Tan/White wires. The PCM would ground everything through that location, including any relays.
May 27, 2025 at 11:59 AM
Avatar
CHRISTINE 77
  • MEMBER
  • 24 POSTS
Where is the second temperature sensor located, I can only find the one underneath the throttle body? Also I forgot to mention this all started after my friend changed the fuel pump in it and it was his car at the time I know it's got to be an easy fix I was wondering if the fuel pump being not put in the right way because he's not a mechanic might have something to do with it shutting off and not wanting to restart for quite some time at least until it cools down.
May 28, 2025 at 12:50 PM
Avatar
CHRISTINE 77
  • MEMBER
  • 24 POSTS
Oh and yes check engine light works can you tell me what the computer on driver's side under hood does please.
May 28, 2025 at 12:54 PM
Avatar
AL514
  • CERTIFIED EXPERT
  • 5,465 POSTS
What are the colors of the two wires going to the coolant temperature sensor you are seeing? The one for the PCM (which is uses to calculate its fuel strategy) has two wires (yellow and black wires), whereas the coolant temperature sender is for the gauge and looks to have only one wire (dark green or light green wire) and it grounds to whatever it screws into wherever its located. The wiring diagrams say both a located "Top Left of Engine".

As for the fuel pump question, you would have to see if you're losing fuel pressure during the stall out fault. It sounds more like a sensor or control module is getting hot and causing an issue, once it cools down it might start working again. Any number of sensors can cause that, a crank sensor getting hot can cause a stall out like that; See if the tachometer moves a little when it won't start, if there's no crank sensor signal the tachometer won't move at all when cranking.
There should be a port with a plastic cap on the fuel rail for checking fuel pressure.
The module on the strut tower, driver side is the ABS module for the brakes. The PCM is located under the dash on the passenger side. But you need to focus on why the cooling fans are not coming on, that was your original question. Try turning on the A/C, if the A/C is working at least one of the fans should come on with it.
May 28, 2025 at 1:47 PM