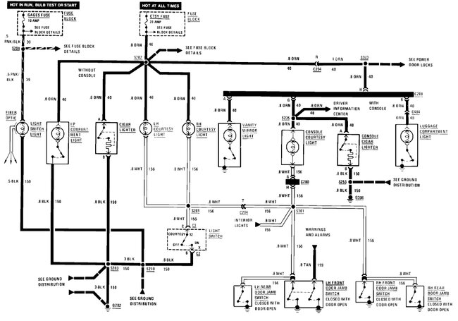
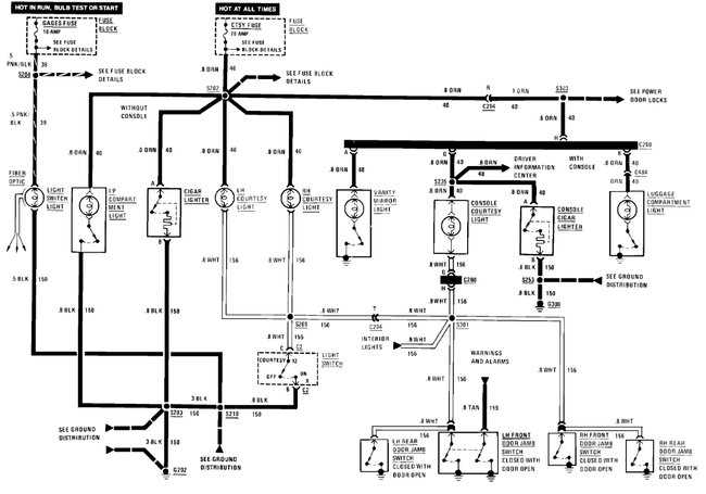
Recently purchased the car listed above. The car is great, and I have no complaints aside from the courtesy lights don't come on unless the key is in the ignition and is set to the on position. I have checked the button in my door and I am going to look at the fuses in the morning, was curious if anyone else had any ideas?
Jul 17, 2024 at 1:45 AM
