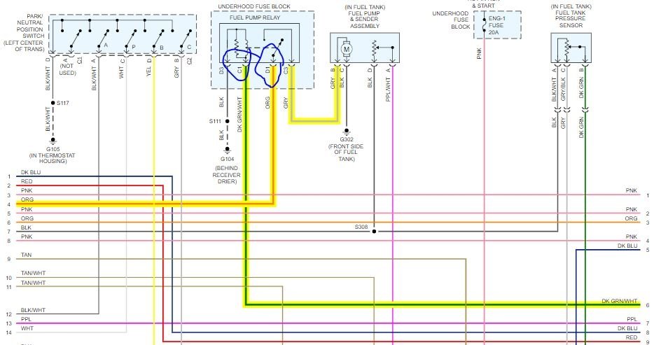
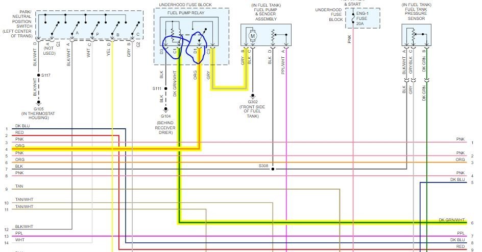
I drove the car, parked at home and when I tried to start, I could not. so I decided to do a little upgrades in the van (I have not done anything since I bought the van a year ago). so I replaced the spark plugs, wires. here is more info about my situation: something when I drive it will shutdown out nowhere. I lose power and everything goes dark, so I open the hood move my battery back and forward and I get power again, I go back to my van and crank, start without any problem. this has been going for about 3 months, well now I park the van and it will not start. I tested the ECM B fuse. and the fuel pump relay and they are both good. I can hear the pump when I turn the key on I confirmed there is 12 volts power and good ground. here is where I need help. I keep hearing about the computer needs a RPM signal. where this signal is coming from? also there are 4 wires at the pump, gray (power) black(ground) purple? and orange? what are the purple and orange for? I am looking for that darn rpm signal and I do not where to start. any help, tips for this? thank you very much.
Mar 1, 2020 at 3:17 PM










