Hi,
If you are not getting a signal from the PCM, it sounds like the PCM is the problem. Chances are one of the solder joints failed internally.
Here are the directions for replacing the PCM. The attached pics correlate with the directions. Also, if you get a new one, it will need to be programmed to your vehicle.
____________________________________________________
2005 Chevy Truck TrailBlazer 4WD L6-4.2L VIN S
Powertrain Control Module (PCM) Replacement
Vehicle Powertrain Management Relays and Modules - Powertrain Management Relays and Modules - Computers and Control Systems Engine Control Module Service and Repair Procedures Powertrain Control Module (PCM) Replacement
POWERTRAIN CONTROL MODULE (PCM) REPLACEMENT
POWERTRAIN CONTROL MODULE (PCM) REPLACEMENT
Service of the powertrain control module (PCM) should normally consist of either replacement of the PCM or electrically erasable programmable read only memory (EEPROM) programming. If the diagnostic procedures call for the PCM to be replaced, the PCM should be inspected first to see if the correct part is being used. If the correct part is being used, remove the faulty PCM and install the new service PCM.
IMPORTANT:
- To prevent internal PCM damage, the ignition must be OFF when disconnecting or reconnecting power to the PCM. For example, when working with a battery cable, PCM pigtail, PCM fuse, or jumper cables.
- Remove any debris from the PCM connector surfaces before servicing the PCM. Inspect the PCM module connector gaskets when diagnosing or replacing the PCM. Ensure that the gaskets are installed correctly. The gaskets prevent contaminant intrusion into the PCM.
Removal Procedure
1. Using a scan tool, retrieve the percentage of remaining engine oil. Record the remaining engine oil life.
IMPORTANT: It is necessary to record the remaining engine oil life. If the replacement module is not programed with the remaining engine oil life, the engine oil life will default to 100 percent. If the replacement module is not programmed with the remaining engine oil life, the engine oil will need to be changed at 5000 km (3,000 mi) from the last engine oil change.
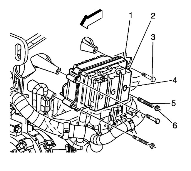
pic 1
2. Loosen the PCM harness connector bolts (4) from the center of the PCM harness connectors.
3. Remove the PCM harness connectors (2) from the PCM (1).
NOTE: In order to prevent internal damage to the PCM, the ignition must be OFF when disconnecting or reconnecting the PCM connector.
4. Remove the PCM retaining bolts (3) and nuts (6).
5. Slide the PCM (1) away from the intake manifold past the mounting studs (5) and remove PCM from the vehicle.
NOTE: Refer to PCM and ESD Notice in Service Precautions.
6. Remove the PCM mounting studs (5) from the intake manifold only if replacing the studs.
Installation Procedure
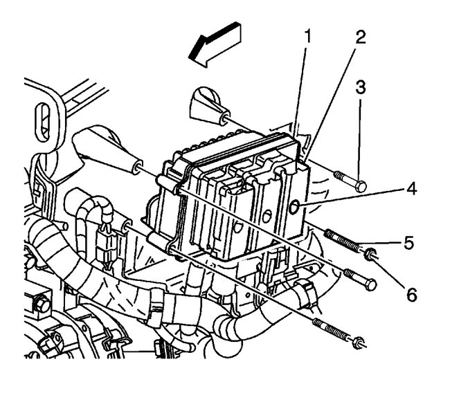
pic 2
1. Install the PCM mounting studs (5) to the intake manifold, if removed.
NOTE: Refer to Fastener Notice in Service Precautions.
Tighten the studs to 6 N.m (53 lb in).
2. Install the PCM (1) onto the studs (5).
3. Install the PCM retaining bolts (3).
Tighten the bolts to 8 N.m (71 lb in).
4. Install the PCM retaining nuts (6).
Tighten the nuts to 8 N.m (71 lb in).
5. Install the PCM harness connectors (2) to the PCM body.
6. Tighten the PCM harness connector retaining bolts (4).
Tighten the bolts to 8 N.m (71 lb in).
7. If a new PCM is being installed, the PCM must be programmed. See: Vehicle > Programming and Relearning
_______________________________________
I hope this helps. Let me know if you have the questions or need help.
Take care and God Bless.
Joe
Images (Click to enlarge)
Feb 2, 2021 at 7:13 PM