Code p0315, crank sensor

2003 CHEVROLET SILVERADO
246,000 MILES • 5.3L • 4WD • AUTOMATIC
Avatar
HD2424
  • MEMBER
  • 191 POSTS
My truck listed above is a 1500. It had a short somewhere on engine harness. I changed my computer and engine harness. I did an anti-theft key relearn procedure and all get is click from starter. I ran code and had p0315 crank sensor not learned. Do you think I need to change the crank sensor? Or how should I proceed to get it running?

Thanks for any advice.
Mar 23, 2022 at 3:46 PM
Advertisement
Avatar
JACOBANDNICKOLAS
  • CERTIFIED EXPERT
  • 110,175 POSTS
Hi,

The idea that you only get a click (the starter doesn't turn the engine) sounds like a connection issue. This is not related to the relearn procedure for the new CKP.

Is the battery fully charged? Are the battery terminals clean and tight?

Do me a favor. Try this very basic load test on the battery and let me know the results:

https://www.2carpros.com/articles/car-battery-load-test

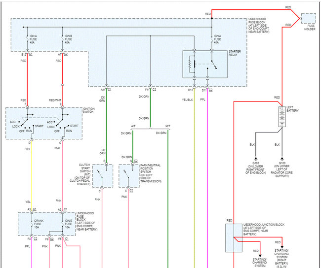
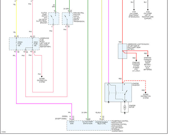
Please keep in mind if you have a click which indicates the system is sending power to the smaller wire on the starter as it should. At that point, a circuit is completed in the starter, and it engages the starter motor which is powered by the heavy gauge wire directly from the battery. So, if you hear the click, either the starter is bad, the engine is locked, or there is a weak connection to the starter motor.

See pics below for the starter circuit wiring schematic. You can use this as a reference. However, check the two things I mentioned, and make sure you didn't leave any connectors (positive or negative) loose.

Additionally, take a look through this link. You may find it helpful.

https://www.2carpros.com/articles/starter-not-working-repair

Let me know what you find.

Take care,

Joe

See pic below.

Mar 23, 2022 at 6:07 PM
Avatar
HD2424
  • MEMBER
  • 191 POSTS
Okay. Thanks for info. I’ll proceed with the information and load test battery and other checks and let you know. thanks for all your help.
Mar 23, 2022 at 6:37 PM
Advertisement
Avatar
JACOBANDNICKOLAS
  • CERTIFIED EXPERT
  • 110,175 POSTS
Hi,

You are very welcome. Let me know what you find or if you have other questions.

Take care,

Joe
Mar 23, 2022 at 7:04 PM
Avatar
HD2424
  • MEMBER
  • 191 POSTS
Will do.
Mar 23, 2022 at 10:15 PM
Avatar
HD2424
  • MEMBER
  • 191 POSTS
Just to let you know it was a shorted wire to the starter fixed it, got truck running. Running well but have crank sensor not learned. I don’t have a scanner that can do that, but I saw a way to do it by driving it in a certain sequence. Please let me know if you think it would get rid of code.

Thanks
Mar 31, 2022 at 6:55 PM
Avatar
JACOBANDNICKOLAS
  • CERTIFIED EXPERT
  • 110,175 POSTS
Hi,

There is what is referred to as a variation relearn. Without this, the vehicle should still run okay but the P0315 may return.

The Variation Relearn for the CKP requires a scan tool that can communicate with the PCM. I am not familiar with any other ways to do it. If what is being suggested is simple, it won't hurt to try.

If you look below, I have attached the directions for the procedure, so you have a reference.

Let me know what the person indicated as an alternative method. I'm interested in knowing.

Take care,

Joe

See pics below.
Apr 1, 2022 at 1:09 PM