Cranks but will not start

1999 PLYMOUTH BREEZE
100,000 MILES • 2.4L • 4 CYL • 2WD • AUTOMATIC
Avatar
QUIETJEAN11678
  • MEMBER
  • 6 POSTS
My boyfriend got stuck in the center median in my car, and the whole engine compartment was packed with snow. Up until this point it started fine every day even at 40 below. Now it cranks but won't start, and there's no spark. I changed the crank shafts and cam shaft sensors. There's power to the green wire with orange stripe when you to the key on for one to two seconds, then constant when cranking. I can hear the fuel pump kick on. But when I check the spark plugs there is no spark. I am lost!
Feb 9, 2019 at 3:25 PM
Advertisement
Avatar
CARADIODOC
  • CERTIFIED EXPERT
  • 34,308 POSTS
Given the snow and the mileage, a good suspect would be a jumped timing belt. The first thing to do is to read and record the diagnostic fault codes. You can do that yourself by cycling the ignition switch from "off" to "run" three times within five seconds without cranking the engine, leave it in "run", then watch the code numbers appear in the odometer display. You can go here:

https://www.2carpros.com/trouble_codes/obd2/p0400

To see the definitions, or I can interpret them for you. If you get a code related to a mismatch between the crankshaft position sensor and the camshaft position sensor, check the timing belt. When the belt jumps one tooth, the Engine Computer will detect that, set a diagnostic fault code, and turn on the Check Engine light. If it jumps two teeth, the computer will shut the engine down by failing to turn the automatic shutdown, (ASD) relay back on during cranking, as you have found. It does that to protect the valves. At three or more teeth off, open valves can be hit and bent by the pistons.
Feb 9, 2019 at 4:14 PM
Avatar
QUIETJEAN11678
  • MEMBER
  • 6 POSTS
The only thing that came up was "no bus".
Feb 9, 2019 at 6:25 PM
Advertisement
Avatar
CARADIODOC
  • CERTIFIED EXPERT
  • 34,308 POSTS
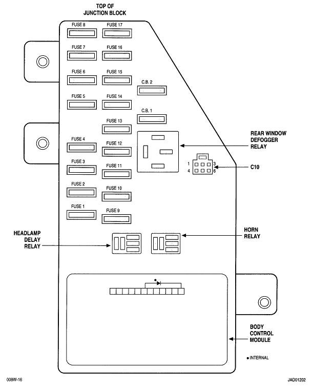
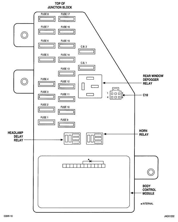
That means the communication link between the computers is dead. That originates in the Body Computer. Every time I've run into that, it was related to blown fuses. Check for those under the hood and inside the car. I can't find a drawing showing the fuse box inside, but as I recall, there's a cover to snap off on the left side of the dash.

Also look for any wiring harnesses under the hood that got crushed or that have wires pulled out of connectors.
Feb 10, 2019 at 8:00 PM
Avatar
QUIETJEAN11678
  • MEMBER
  • 6 POSTS
So I got it reading the computer put no codes are coming up. Put a new coil pack on still no spark!
Feb 12, 2019 at 4:43 PM
Avatar
CARADIODOC
  • CERTIFIED EXPERT
  • 34,308 POSTS
The lowest percentage of crank/no-starts are caused by loss of just spark. By far most are caused by loss of spark, injector pulses, and fuel pump. All of these get their 12 volts from the automatic shutdown, (ASD) relay. The Engine Computer turns that relay on for one second when you turn on the ignition switch, then again during engine rotation, (cranking or running).

The first thing to do is to determine if the ASD relay is turning on. If you don't have a scanner, you can do that with a test light. Connect it to the dark green/orange wire at the ignition coil pack or any injector. It should light up for one second when you turn on the ignition switch, then again when you start cranking the engine.

Here's a link to a guide on how to use a test light if you need it:

https://www.2carpros.com/articles/how-to-use-a-test-light-circuit-tester

You can use a digital voltmeter too, but most of them respond too slowly to catch that first one second.
Feb 12, 2019 at 10:09 PM
Avatar
QUIETJEAN11678
  • MEMBER
  • 6 POSTS
Okay, so I borrowed a code reader and the codes I got were P1282 Fuel pump relay control circuit open or shorted and P1388 Auto shutdown relay circuit control open or shorted. Which leaves me totally lost!
Feb 13, 2019 at 4:47 PM
Avatar
CARADIODOC
  • CERTIFIED EXPERT
  • 34,308 POSTS
First check fuses 5 and 8 under the hood. Those are both 20 amp fuses. If they are okay, put your fingers on the automatic shutdown relay and the fuel pump relay, then feel if they click when a helper turns the ignition switch on. You should feel both of them click once, then again about one second later. Listen for the hum of the fuel pump for that one second.

https://www.2carpros.com/articles/how-to-check-a-car-fuse
Feb 13, 2019 at 5:57 PM
Avatar
QUIETJEAN11678
  • MEMBER
  • 6 POSTS
So I've narrowed it down to I believe the automatic shut down relay because the 86 spot has constant power even with key off, there for there's an open circuit. What I don't know is how to correct that? Can you tell me or maybe send me a picture of where the body to engine grounds are?
Feb 14, 2019 at 10:26 AM
Avatar
CARADIODOC
  • CERTIFIED EXPERT
  • 34,308 POSTS
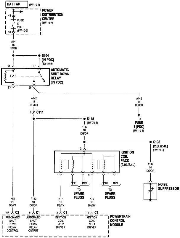
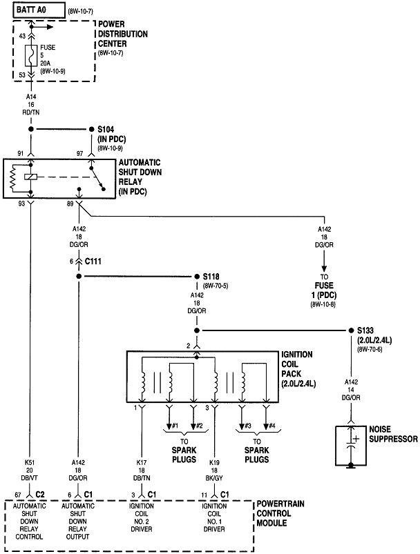
For some reason the engineers used a different numbering system for the relay terminals on the Breeze and Stratus. You'll see in the diagram that terminals 91 and 97 both have 12 volts all the time. While the numbering is different, the physical layout of the terminals is the same as that shown on the very common top left relay in the second drawing. That equates to terminals 86 and 87 in that more common pattern.

An "open circuit" means there's a break in it. If that were the case, you'd have 0 volts on terminal 86, then we'd have something to look into. What you found is correct. Does that relay click two times when a helper turns the ignition switch on?

The ground wire you're asking about is the smaller negative battery wire. The fat one always bolts to the engine or transmission because it has to carry the very high starter current. The smaller one bolts to the car's sheet metal body. That one carries all the return current for the lights, radio, wipers, computers, and other electrical accessories. If that wire is corroded off or broken, everything will be dead inside the car.
Feb 14, 2019 at 4:02 PM
Avatar
QUIETJEAN11678
  • MEMBER
  • 6 POSTS
Okay, well that puts me back at square one. The relays check out okay, I have power to the coil pack but no spark. I put a new coil pack, cam shaft sensor, and crank shaft sensor on it.
Feb 14, 2019 at 4:30 PM
Avatar
CARADIODOC
  • CERTIFIED EXPERT
  • 34,308 POSTS
If you have spark, the ASD relay has to be turning on. That means the cam and crank sensors are working because it's their signals that tell the Engine Computer to turn the ASD relay on.

If you're no longer getting the "No Buss" message, read the fault codes again, but be aware codes related to the cam and crank sensors often don't set just from cranking the engine. They need more time to be detected, as in when a stalled engine is coasting to a stop. For that reason, never assume those sensors are okay just because they haven't set a fault code.

Go back to the dark green / orange wire at the ignition coil pack or any injector, and monitor that with a test light. You should see it light up bright for one second when you turn on the ignition switch, then it should turn on again while you're cranking the engine. If it doesn't turn on during cranking, you'll need a scanner to view the two sensor signals and see if one is missing.

If the test light flickers during cranking, the best suspect is the timing belt has jumped one tooth. That puts the two sensors out-of-sync and a fault code will set stating that. Alternately, you may find you only get spark from one of the ignition coils for two cylinders, and it's sporadic, and there will be no spark from the other coil.

If spark remains strong and steady from both coils, check the fuel pressure. If that has dropped low or to 0 psi, we'll need to look at the fuel pump relay and circuit. Normal pressure in around 48 to 50 psi.
Feb 14, 2019 at 6:13 PM