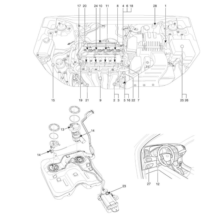
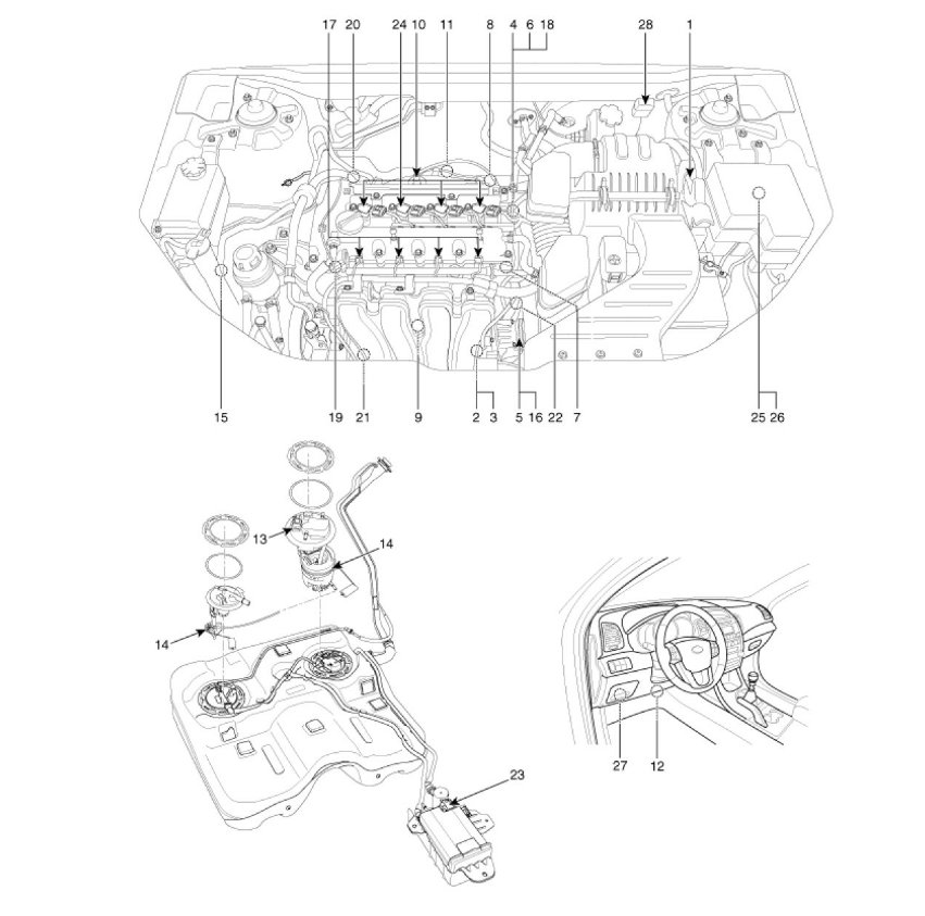
Crankshaft sensor location

2011 KIA SORENTO
175,000 MILES • 2.4L • 4 CYL • 2WD • AUTOMATIC
Avatar
ROBERTSON031
  • MEMBER
  • 2 POSTS
I need to know where to find and how to replace the crankshaft sensor. Thanks.
Mar 16, 2019 at 10:50 AM
Advertisement
Avatar
SCGRANTURISMO
  • CERTIFIED EXPERT
  • 4,897 POSTS
Hello,

I have included all the information that you requested in the diagrams down below. Please let us know if there anything else we can do to help.

Thanks,
Alex
2CarPros
Mar 16, 2019 at 2:19 PM
Avatar
ROBERTSON031
  • MEMBER
  • 2 POSTS
Thanks!!
Mar 17, 2019 at 6:43 AM
Advertisement
Avatar
STRAILER
  • CERTIFIED EXPERT
  • 53,855 POSTS
Use 2CarPros anytime, we are here to help. Please tell a friend.
Mar 19, 2019 at 11:17 AM