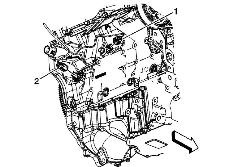
I need to replace my crankshaft position sensor. I'm being told it's extremely hard to get to. Where exactly is it located? And how do i change it?
Mar 3, 2020 at 7:30 AM


