Cruise control disengages when headlights are turned on

2004 CHEVROLET CAVALIER
205,000 MILES • 2.2L • 4 CYL • 2WD • AUTOMATIC
Avatar
WILLIAMWWT
  • MEMBER
  • 2 POSTS
Cruise control works good until I turn on the headlights are turn signals then it disengage's.
Feb 9, 2020 at 12:07 PM
Advertisement
Avatar
KASEKENNY
  • CERTIFIED EXPERT
  • 18,907 POSTS
A few clarification questions.

Are you aware of any recent wiring repairs that have been made? Also, did this just start or are you not sure? When the cruise control disengages, by using the lights or turn signals, does it act the same as if you pressed the brakes? Try setting the cruise and then turn the lights on to get it to disengage and then press the resume button to get it to go back on? Did it resume the cruise?

Let me know about this info and we can go from there. I am thinking there is a wiring issue but we need to narrow this down first. Thanks
Feb 9, 2020 at 3:28 PM
Avatar
WILLIAMWWT
  • MEMBER
  • 2 POSTS
No wiring repairs that I know of. had car a little over 2 years I did try to put in two or 3 sets of LED lights. But ended up going back to halogen. Could not find any LED's that worked with my running lights. But I do have LED's in the taillights no cutting wires plug and play. I haven't driven it yet to do the other check weather not good now.
Feb 10, 2020 at 12:54 PM
Advertisement
Avatar
KASEKENNY
  • CERTIFIED EXPERT
  • 18,907 POSTS
Interesting. Has the cruise control worked since you put the LED's in the taillights?

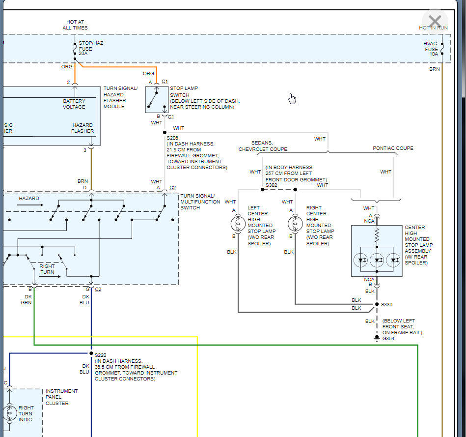
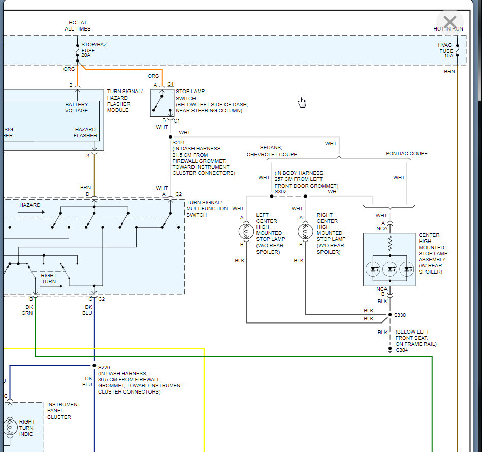
Correct me if I am wrong but the tail lights are also the turn signal. If this is the case, then the tail lights turn on when you turn the headlights on and turn on when the turn signals are on. If the LED's are giving a feedback then the stop lamp switch may be shutting off the cruise.
Feb 10, 2020 at 7:35 PM