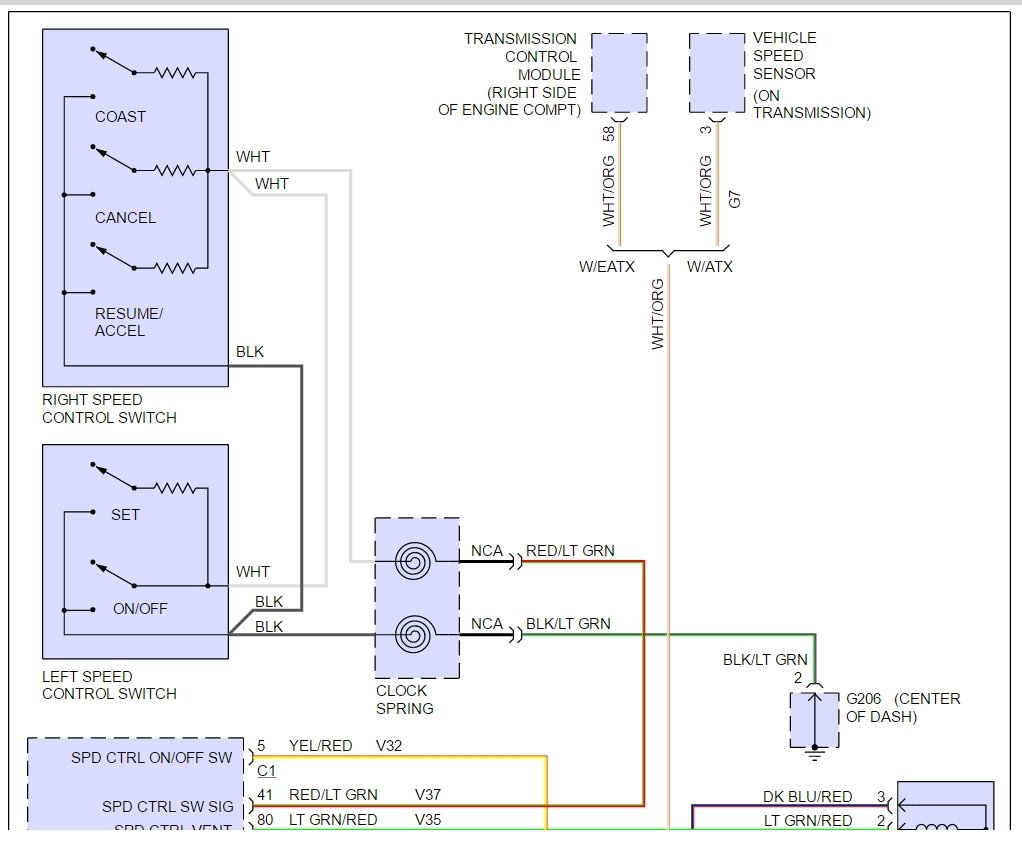
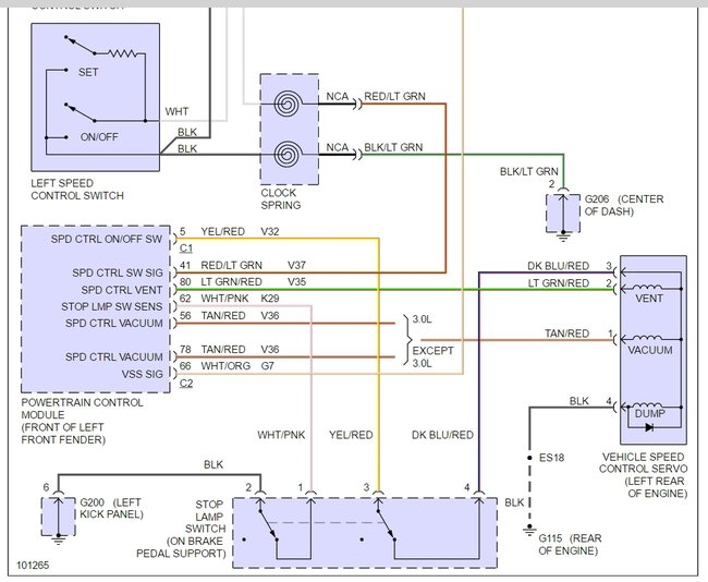
Cruise control stop working. green light will only come on when ignition switch to start. all brake lights work. green light will not come on while moving.
Oct 2, 2016 at 10:15 AM

