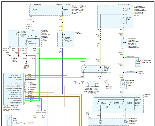
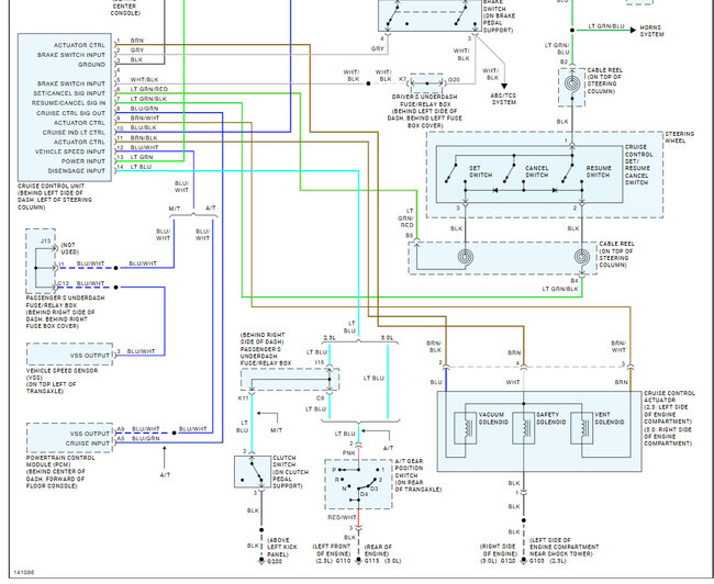
I have the car listed above coupe 2.3 L VTEC, and I have done the normal diagnosis for cruise control. The brake switch has been replaced. The fuses have been checked the main on off switch works. There’s vacuum going to the cruise control module under the hood, but I still cannot get cruise control to engage on my car and I am stumped at this point.
Nov 3, 2024 at 3:47 PM










