Cruise Control inoperative?

2001 GMC SIERRA
70,500 MILES • 4.3L • V6 • 2WD • AUTOMATIC
Avatar
RCH
  • MEMBER
  • 8 POSTS
cruise control will not work at all, not even the indicator light. When I pulled the connector on the cruise control module and checked for voltage pin 'g' 'LT Blue' wire does not indicate voltage with or without brake pedal pushed.
Nov 22, 2025 at 10:31 AM
Advertisement
Avatar
KRAKENAUTO
  • CERTIFIED EXPERT
  • 39 POSTS
Are there any other dash lights on at all ex. Abs, traction control etc.
Nov 22, 2025 at 5:44 PM
Avatar
RCH
  • MEMBER
  • 8 POSTS
No warning lights at all.
Nov 22, 2025 at 5:53 PM
Advertisement
Avatar
STRAILER
  • CERTIFIED EXPERT
  • 53,855 POSTS
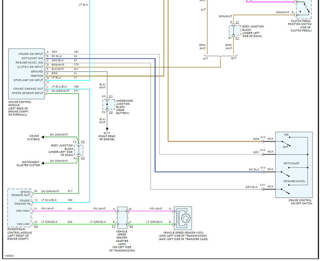
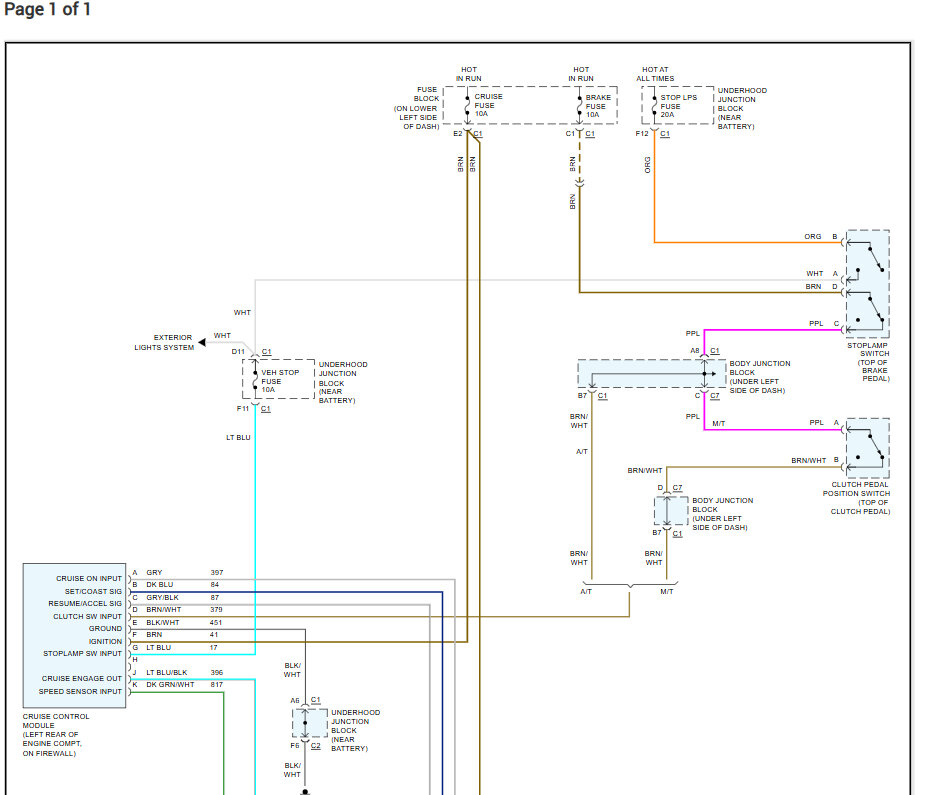
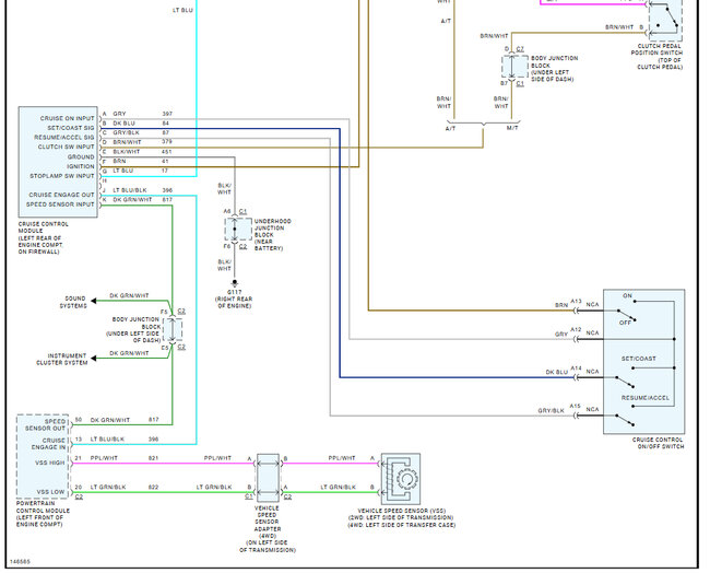
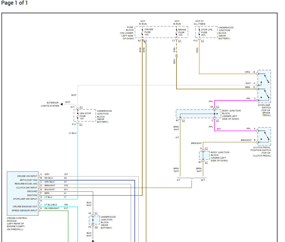
The voltage from the ltblue wire come through the brake light switch as a separate circuit and two fuses, (STOP LPS and VEH STOP) both in the under hoor fuse panel, if both fuses are good, see if the ltblue wire has power when the brake light is pushed and if not I would replace the brake light switch. Here is the cruise control wiring diagrams so you can see how the system works. Check out the images (below). Let us know how it goes
Nov 23, 2025 at 9:37 AM
Avatar
RCH
  • MEMBER
  • 8 POSTS
Thanks for the electrical schematic. If their was 2 pages I only got 1page. If not the bottom was cut off.
Nov 24, 2025 at 10:19 AM
Avatar
STRAILER
  • CERTIFIED EXPERT
  • 53,855 POSTS
Sorry about that, here is the other half. Did you find where you were losing power to the module?
Nov 25, 2025 at 9:05 AM
Avatar
RCH
  • MEMBER
  • 8 POSTS
Thanks Ken L, Will be working on that this afternoon. Will get back to you. Bob
Nov 25, 2025 at 11:18 AM
Avatar
STRAILER
  • CERTIFIED EXPERT
  • 53,855 POSTS
No problem Bob, I would check the brake light switch first :)
Nov 26, 2025 at 9:57 AM
Avatar
RCH
  • MEMBER
  • 8 POSTS
Just replaced the brake switch, no change at pin g on cc module. I'm taking tomorrow off. Have a great Thanksgiving
Nov 26, 2025 at 2:46 PM
Avatar
STRAILER
  • CERTIFIED EXPERT
  • 53,855 POSTS
Sounds good, I would check the brown and ltblue wire for power at the CC module when the brake pedal is depressed. This can help eliminate this part of the system, have a good thanksgiving see you when you get back :)
Nov 27, 2025 at 12:09 PM
Avatar
RCH
  • MEMBER
  • 8 POSTS
Sorry Ken been busy with family duties. I have an appt this week at a Chevy dealership. $$ oh well, maybe they will find something.
Dec 14, 2025 at 7:39 AM
Avatar
STRAILER
  • CERTIFIED EXPERT
  • 53,855 POSTS
Hi Bob, yep sometimes you just need to take it in to be fixed, tis sounds like the cruise control module is bad or the fuse that power the system or not getting power. Please let me know what they say. Ken
Dec 15, 2025 at 10:41 AM
Avatar
RCH
  • MEMBER
  • 8 POSTS
Thanks Ken, I will let you know.
Bob
Dec 15, 2025 at 1:08 PM
Avatar
STRAILER
  • CERTIFIED EXPERT
  • 53,855 POSTS
Thank you.

Ken
Dec 16, 2025 at 9:43 AM
Avatar
RCH
  • MEMBER
  • 8 POSTS
Hey Ken, truck is fixed. $900 to repair Rat eaten wiring under the fuse panel in the engine compartment. Oh well live and learn. Thanks again for your help.
Dec 19, 2025 at 12:17 PM
Avatar
STRAILER
  • CERTIFIED EXPERT
  • 53,855 POSTS
Yep, rats can cause all kinds of issues, damn the vegetable insolation!! it causes many problems. Glad you got it fixed. Thanks for letting us know, we are here to help, please use 2CarPros anytime.
Dec 20, 2025 at 11:36 AM