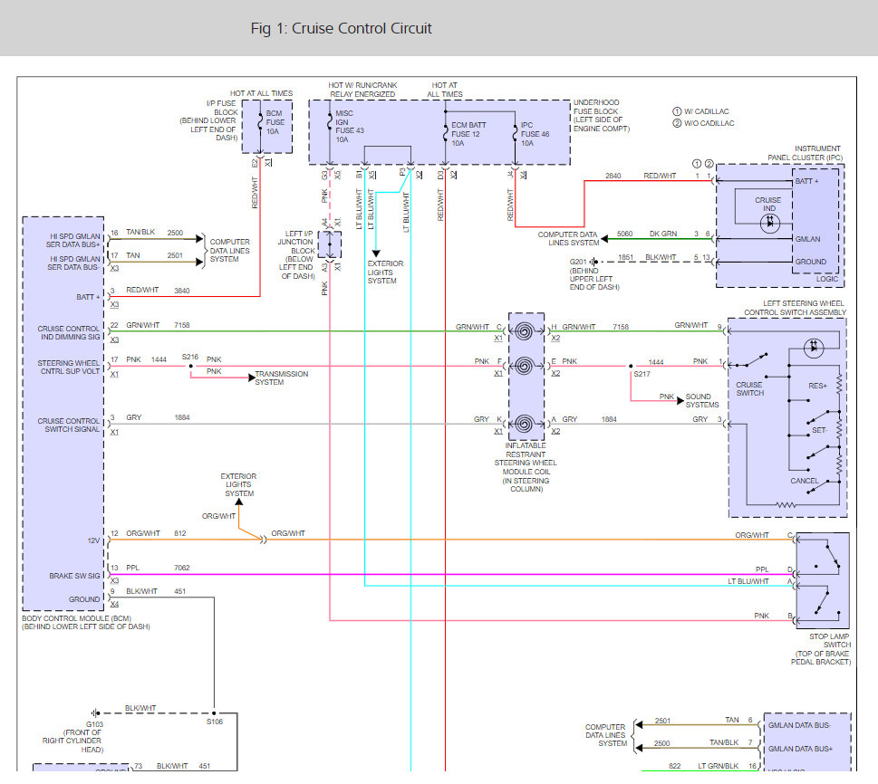
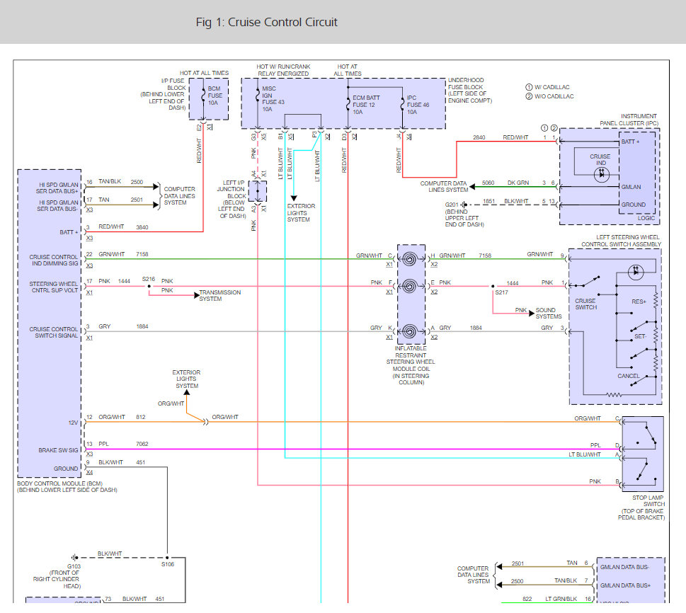
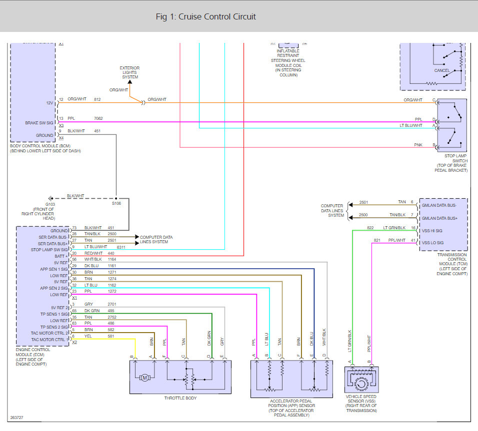
Couple of weeks ago, while using my cruise control, suddenly a burning smell occurred in my truck for a brief moment like a burning coil and after that, the cruise control stopped working. there is no light on the dash showing on. I later read online to see what the cause is and in general is all about brake light switch replacement. Even though my brake lights are not burnt out and just to my curiosity, I replaced the brake switch with a spare on hand to see if the will be any luck and there was not. Scan reader did not picked out any codes. This brings me back to one of your pro mechanics (HMAC 300) who wrote below as coat "(Have a pro scan for codes it may be the coil in steering wheel is bad or a body module problem. Could also be a lan problem). Uncoat""So, how do I get to this coil? what does it look like? is it replaceable as a DIY?what is the official part name of this coil? A solution to this issue will highly be appreciated.
Thanks,
Mo-san
Thanks,
Mo-san
Aug 21, 2017 at 7:52 PM










