Digital clock fuse keeps blowing?

2010 HYUNDAI SONATA
174,000 MILES • 2.4L • 4 CYL • 2WD • AUTOMATIC
Avatar
NICK BEDARD
  • MEMBER
  • 3 POSTS
I’ve figured out which harness is responsible for blowing the fuse but now I need help figuring out how to determine which wire is bad on that connector to trace it out.
Aug 6, 2022 at 6:46 AM
Advertisement
Avatar
JACOBANDNICKOLAS
  • CERTIFIED EXPERT
  • 110,175 POSTS
Hi,

There are two fuses related to the digital clock. One is power when the key is on and the other is for memory when the key is off.

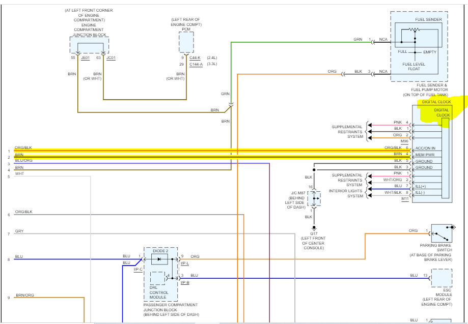
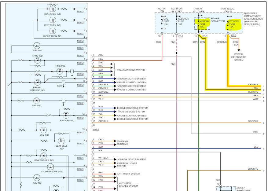
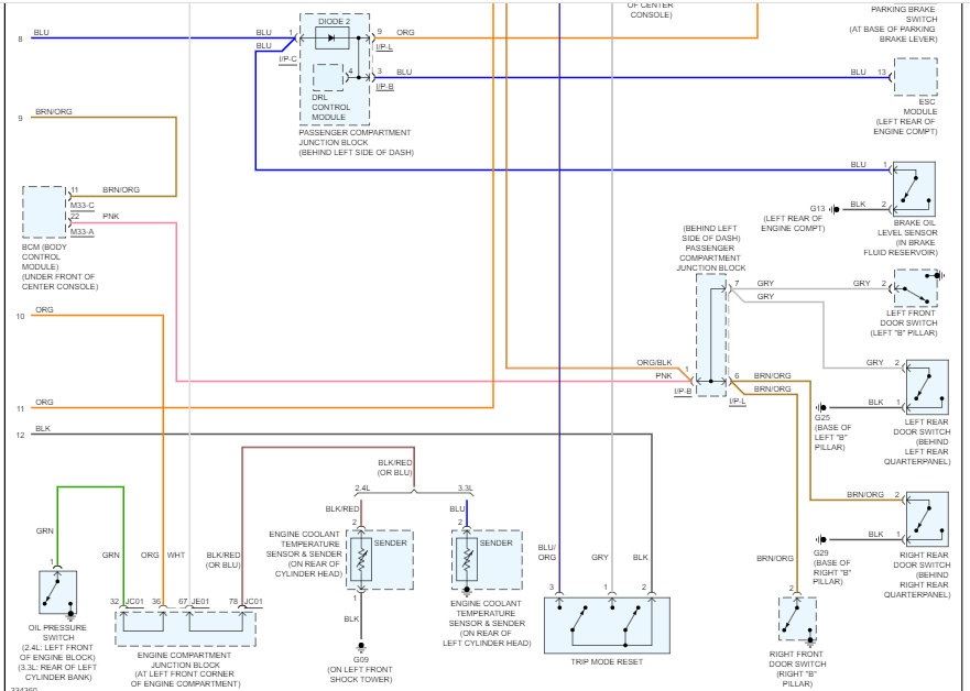
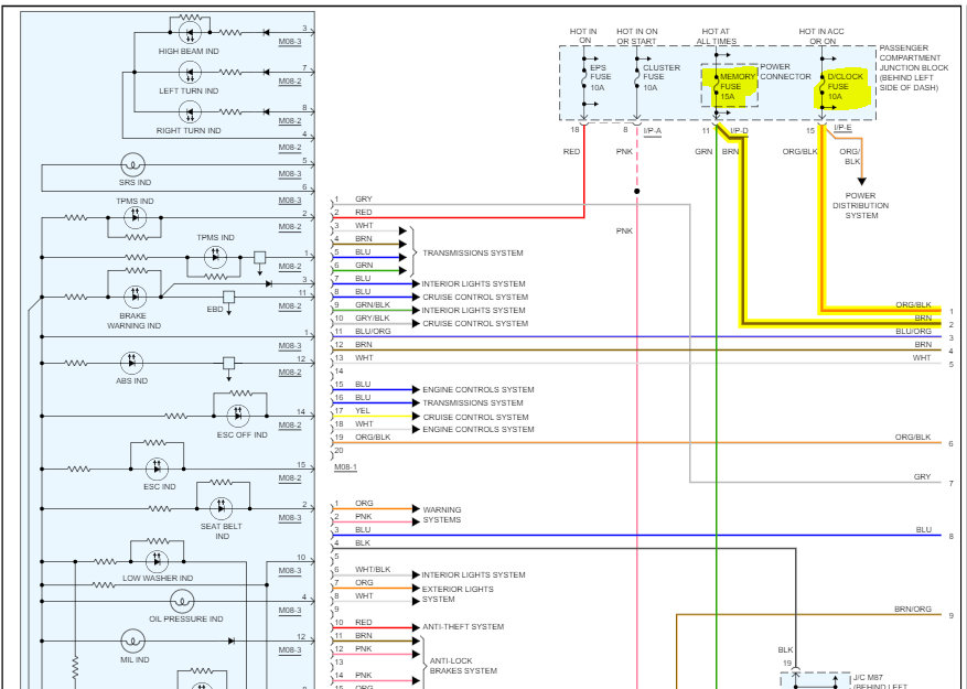
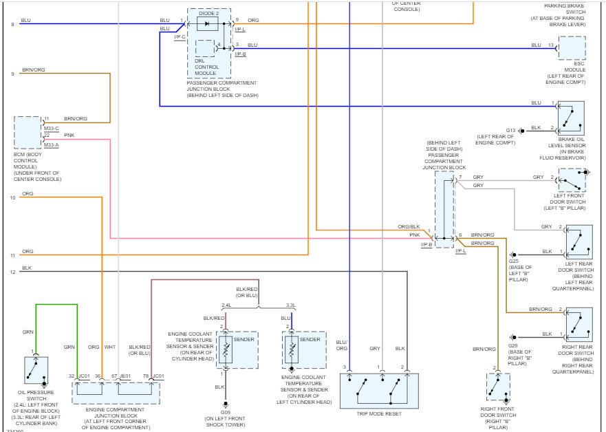
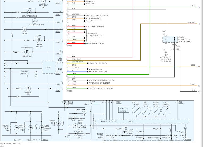
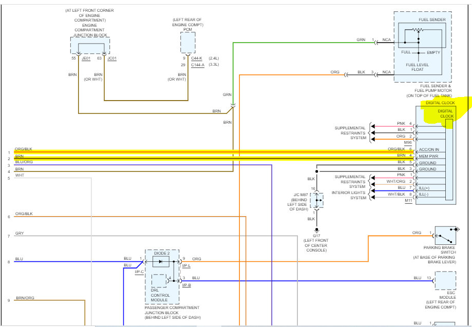
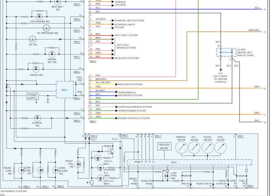
I'm not sure which fuse you are having issues with. So, I attached the instrument cluster wiring schematic below. There were only two pages of schematics. However, I had to cut each one in half to make it readable for you. I did overlap the two so you can follow from one to the next. Additionally, I highlighted the wires involved. Pics 1 and 3 will be the most helpful for you.

Let me know if this helps or if you have other questions.

Take care,

Joe

See pics below.
Aug 6, 2022 at 8:11 PM
Avatar
STRAILER
  • CERTIFIED EXPERT
  • 53,855 POSTS
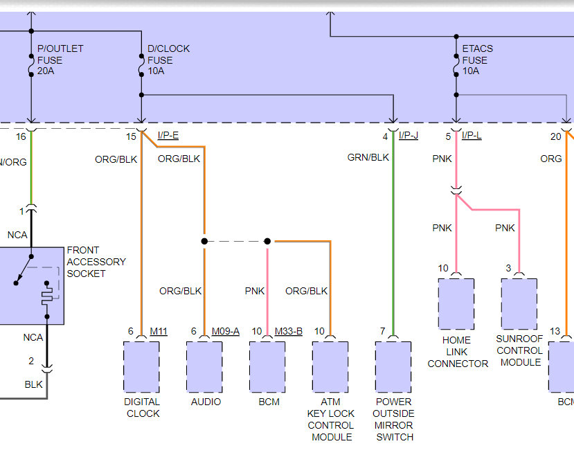
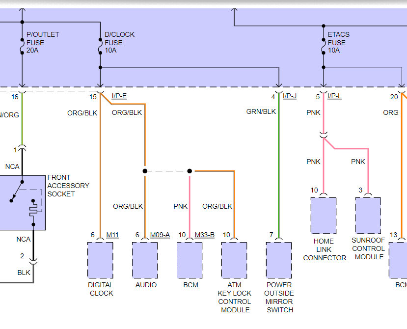
Sure, here is what is connected to that fuse. I would start with the outside mirror control switch, unplug it to see if the fuse still blows, you can see the other items on the fuse as well in the diagrams below. Check out the diagrams (below). Please let us know what you find. We are interested to see what it is.


Aug 6, 2022 at 8:18 PM
Advertisement
Avatar
NICK BEDARD
  • MEMBER
  • 3 POSTS
I’m still not very far with the problem but I was able to determine the exact harness for y’all. Also, I think you should know, that when harness IP/J is unplugged, the D/Clock fuse doesn’t pop at all. But I lose my dome lights, driver side windows, power locks for the driver's side, power mirrors, and my fuel door button as well, however when that harness is plugged in everything works when the fuse does pop except for my radio and power mirrors. Any further advice would be much appreciated.
Sep 25, 2022 at 8:16 AM
Avatar
JACOBANDNICKOLAS
  • CERTIFIED EXPERT
  • 110,175 POSTS
Hi,

Have you tried disconnecting one component at a time to see if you can find the one that is causing it to fail?

Let us know.

Joe
Sep 25, 2022 at 6:28 PM