Fuel readout A/C and heat all quit?

1992 CADILLAC FLEETWOOD
84,600 MILES • 4.9L • V8 • 2WD • AUTOMATIC
Avatar
CCAMPBELL24
  • MEMBER
  • 1 POST
Fuel readout AC and heat all quit at the same time.
Jun 24, 2025 at 8:05 AM
Advertisement
Avatar
STRAILER
  • CERTIFIED EXPERT
  • 53,855 POSTS
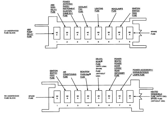
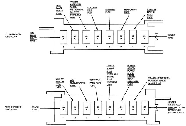
I would start by checking the fuses, this guide can help start testing with the key on:

https://www.2carpros.com/articles/how-to-check-a-car-fuse

Check out the images (below). Please let us know what happens.
Jun 24, 2025 at 1:01 PM