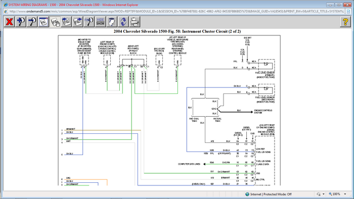
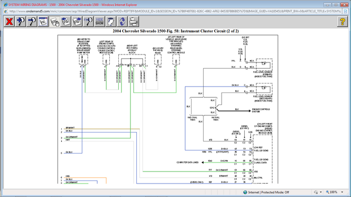
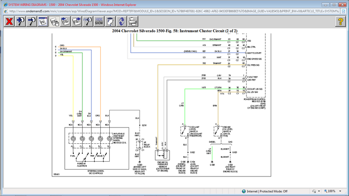
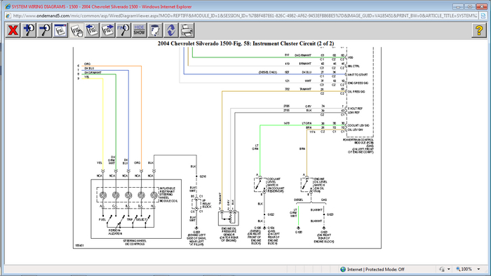
I was driving along the interstate at 65 MPH with the cruise on and the red brake and ABS started coming on and off, then it added the airbag light on and off at random, ten minutes later the security and alternator light came on and stayed on. the gauges at that point stopped working, all except the speedometer and the tachometer. i wasn't in a good spot to pull over so I kept driving, the truck ran and performed perfectly normal. I knew it wasn't a belt that broke, still had power steering, i actually drove it two more hours and the batteries were charging. my diagnostic port went out as well so I couldn't plug in my scanner. that I am guessing is the fuse. haven't looked at that yet. any idea what might be malfunctioning?
Dec 20, 2020 at 6:40 AM










































