Dash lights stopped working

1997 PONTIAC TRANSPORT
140,000 MILES • 3.4L • V6 • 2WD • AUTOMATIC
Avatar
CBSS23
  • MEMBER
  • 2 POSTS
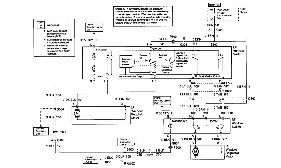
The window switch went out on the driver's side and I didn't have any tools to fix it, so I used two wires on the switch to get it to go up. Once I got it up I noticed that the dash lights went away and they would come on if I held both wires in the ports for the window switch but would shut off once I took them out. I have no idea what to do next.
Dec 13, 2018 at 10:32 PM
Advertisement
Avatar
ASEMASTER6371
  • CERTIFIED EXPERT
  • 52,796 POSTS
Good morning,

Can you upload a picture of what wires you removed and jumped?

Do you mean the back lights of the dash or all the warning lights?

Roy
Dec 14, 2018 at 4:40 AM
Avatar
CBSS23
  • MEMBER
  • 2 POSTS
I will take a picture of what I jumped when I get home. But it is just the back lights for everything on the dash I didn't think there was I fuse for that that could have blown.
Dec 14, 2018 at 6:20 AM
Advertisement
Avatar
ASEMASTER6371
  • CERTIFIED EXPERT
  • 52,796 POSTS
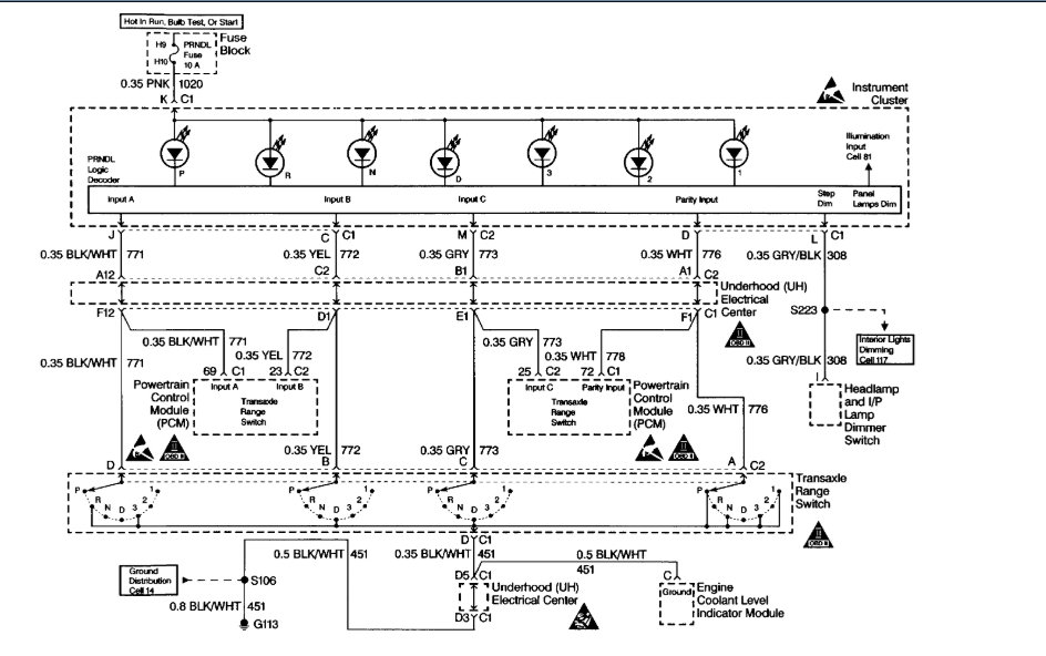
I attached a diagram with the back lights for the dash. check that fuse for power on both sides with the headlight switch on.

Roy
Dec 14, 2018 at 6:24 AM