☰
Login
Join
×
Home
Answered Questions
Repair Topics
Repair & Service Guides
Popular Questions
Warning Lights
Trouble Codes
How It Works
Testing / Diagnostics
Symptoms
Videos
Login
Become a Member
Home
Pontiac
Firebird
Interior
Dashboard
Dash vents
1998 PONTIAC FIREBIRD
160,000 MILES • 6 CYL • AUTOMATIC
SANDI JOHNSON CHERMAK
MEMBER
1 POST
FOLLOW
The vents on the dash do not put out any air or heat.
Jul 17, 2017 at 11:03 AM
Advertisement
HMAC300
CERTIFIED EXPERT
48,601 POSTS
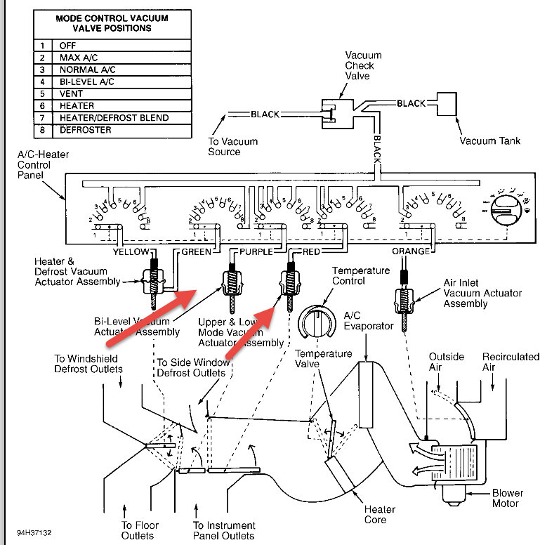
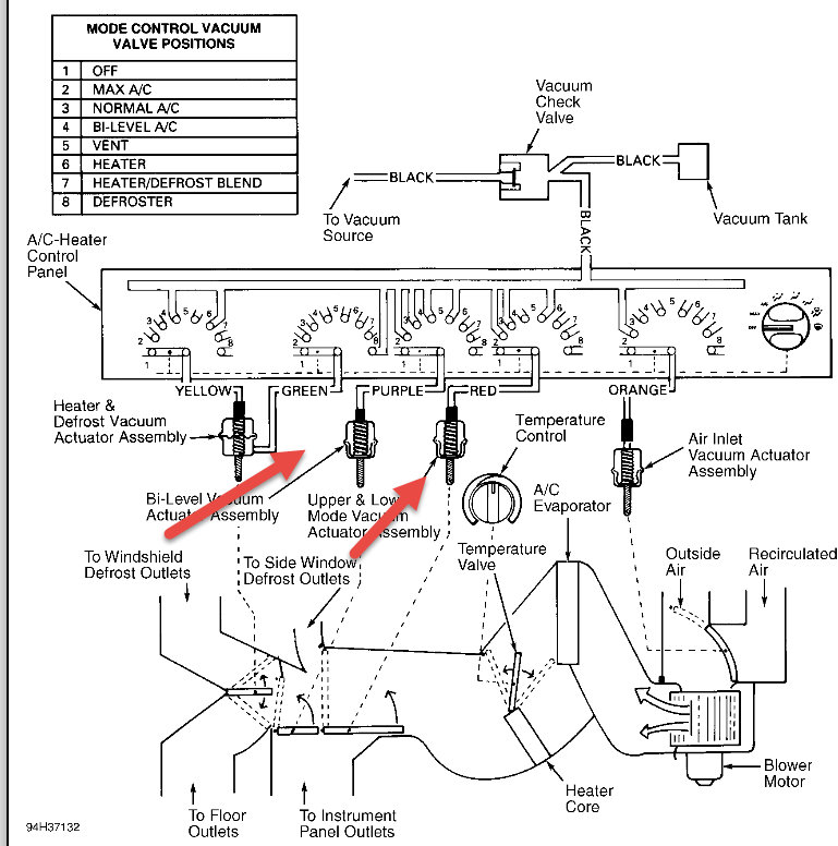
for no hot or cold check for a broken cable. for other check for a vacuum leak or not getting vacuum to motor on heater unit. See pictures.
Images (Click to enlarge)
Jul 17, 2017 at 12:19 PM