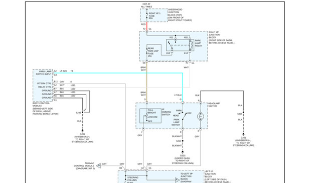
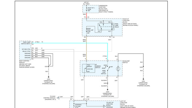
Dear All, during daylight hrs the light display for my radio is dim. Even with the dimmer switch all the way up to right before it clicks to turn on the dome lights. The gauge panel doesn't light up though, as well as the radio in daylight hours until almost full sun hits the car, and the problem carries over into the evening and night time hours. However, every so often at night, all the lights on the radio, buttons and instrument cluster light up and stay lit for 15-45 minutes. even if i turn the car off during this "event" the lights will come back on. but after about 45 minutes the lights will go out and the problem returns. *the radio display stays dim both day and night*.
Apr 22, 2020 at 6:40 AM



